Foram encontradas 40 questões.
Determine a expressão booleana para o circuito a seguir.

Provas
Para o circuito amplificador a seguir, determine o ganho Av do circuito para a primeira aproximação na análise CC. O β do transistor é 150 e o Vbe = 0,6V.

Provas
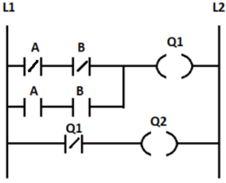
A saída Q2 do diagrama Ladder a seguir representa a seguinte porta lógica:

Provas
Determine a tensão Vc(t) dos capacitores para o circuito a seguir no instante que a chave é aberta, sabendo que ela estava fechada por um longo tempo.

Provas
Em relação à NR-10, item 10.9 – Proteção contra Incêndio e Explosão, analise as assertivas a seguir, assinalando V, se verdadeiras, ou F, se falsas.
( ) As áreas onde houver instalações ou equipamentos elétricos devem ser dotadas de proteção contra incêndio e explosão, conforme dispõe a NR 33.
( ) Os materiais, peças, dispositivos, equipamentos e sistemas destinados à aplicação em instalações elétricas de ambientes com atmosferas potencialmente explosivas devem ser avaliados quanto à sua conformidade, no âmbito do Sistema Brasileiro de Certificação.
( ) Os processos ou equipamentos suscetíveis de gerar ou acumular eletricidade estática devem dispor de proteção específica e dispositivos DR.
( ) Nas instalações elétricas de áreas classificadas ou sujeitas a risco acentuado de incêndio ou explosões, devem ser adotados dispositivos de proteção, como alarme e seccionamento manual para prevenir sobretensões, sobrecorrentes, falhas de isolamento, aquecimentos ou outras condições anormais de operação.
( ) Os serviços em instalações elétricas nas áreas classificadas somente poderão ser realizados mediante permissão para o trabalho com liberação formalizada, conforme estabelece o item 10.5, ou supressão do agente de risco que determina a classificação da área.
A ordem correta de preenchimento dos parênteses, de cima para baixo, é:
Provas
Determine o número mínimo de lâmpadas necessárias para um ambiente classe B que requer 2.000 lux pelo método dos lumens. Para o projeto, será adotada uma lâmpada LED de 16W que possui 1.200 lm. Considere o fator de utilização em função da reflexão de 0,81, que o ambiente é limpo e será feita manutenção em até 5.000 horas.

AMBIENTE | PERÍODO DE MANUTENÇÃO | ||
2.500 hs | 5.000 hs | 7500 hs | |
Limpo | 0,95 | 0,91 | 0,88 |
Normal | 0,91 | 0,85 | 0,80 |
Sujo | 0,80 | 0,66 | 0,57 |
Provas
Uma carga de 5KW está conectada a uma linha de 190V e apresenta Fator de Potência (FP) 0,707 indutivo. A empresa que fornece energia para os consumidores industriais está exigindo FP unitário. Determine o valor do banco de capacitor que corrige o fator de potência. A frequência da rede elétrica é de 60Hz. Considere valor de !$ \pi !$ = 3,14.
Provas
Para o circuito a seguir, determine a corrente fornecida pela fonte na forma retangular.

Provas
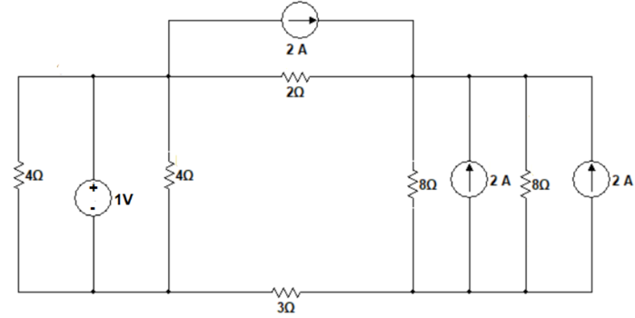
Para o circuito a seguir, determine a corrente no resistor de 3Ω.

Provas
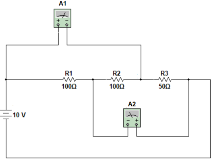
Determine a soma das correntes do amperímetro A1 e amperímetro A2.

Provas
Caderno Container