Foram encontradas 470 questões.
Um motor de indução trifásico que possui 4 polos e velocidade de
campo magnético girante de 1500 rpm opera com uma
frequência na fonte de alimentação, em hertz, igual a
Provas
Questão presente nas seguintes provas
Um equipamento elétrico solicita 200 kW de potência ativa. A
relação de reatância indutiva pela resistência (X/R) é igual a 30,5
.
A potência aparente, em kVA, solicitada por esse equipamento é
de
Provas
Questão presente nas seguintes provas
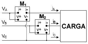
Uma carga trifásica, em delta, tem sua potência ativa medida
com os wattímetros M1 e M2, conectados conforme o diagrama a
seguir.

Sabendo que as leituras dos wattímetros M1 e M2 são 600 W e 346 W, respectivamente, a potência ativa consumida pela carga, em W, é

Sabendo que as leituras dos wattímetros M1 e M2 são 600 W e 346 W, respectivamente, a potência ativa consumida pela carga, em W, é
Provas
Questão presente nas seguintes provas
O relé que atua diante da comparação da relação entre a tensão
e a corrente no ponto onde se encontra e o ponto da ocorrência
da falta é denominado de:
Provas
Questão presente nas seguintes provas
A figura abaixo apresenta um circuito destinado à medição da
resistência de R por meio da ddp Vab:

A expressão que determina o valor de R em função de Vab é:

A expressão que determina o valor de R em função de Vab é:
Provas
Questão presente nas seguintes provas
A figura a seguir apresenta um circuito composto por uma fonte
de tensão, duas fontes de correntes e dois resistores.

A corrente de curto circuito, que circula entre os pontos A e B, em amperes, é

A corrente de curto circuito, que circula entre os pontos A e B, em amperes, é
Provas
Questão presente nas seguintes provas
Um motor de indução de 12 polos e frequência de 60 Hz opera a
uma velocidade síncrona (medida) de 540 rpm.
O escorregamento desse motor vale
O escorregamento desse motor vale
Provas
Questão presente nas seguintes provas
Um transformador trifásico de 500 kVA, tensão de linha de 25 kV
no primário e 2,0 kV no secundário possui impedância de 0,1 p.u.
A impedância nos lados de baixa e alta desse transformador são
respectivamente, em ohms, iguais a
Provas
Questão presente nas seguintes provas
Um motor trifásico de 10 HP de potência mecânica opera na
potência máxima. A tensão de fase da fonte de alimentação
desse motor é de 100 V. O rendimento desse motor é de 0,8 e
fator de potência 0,5.
A corrente elétrica solicitada por esse motor e sua potência aparente são, respectivamente, iguais
(Dado: 1 HP = 746 W)
A corrente elétrica solicitada por esse motor e sua potência aparente são, respectivamente, iguais
(Dado: 1 HP = 746 W)
Provas
Questão presente nas seguintes provas
Considere uma onda magnética que possui o campo E polarizado
no campo de incidência. Essa onda se propaga do Meio 1 para o
Meio 2, que possuem impedância efetivas iguais a 318 Ω e 250 Ω,
respectivamente. Diante do exposto, a fração da potência
incidente que é transmitida é aproximadamente:
Provas
Questão presente nas seguintes provas
Cadernos
Caderno Container