Foram encontradas 610 questões.
A figura a seguir apresenta um circuito grampeador.

Na entrada desse circuito é aplicado um sinal de onda quadrada Vi de amplitude igual a V.
A amplitude do sinal de saída Vo é de
Provas
A figura a seguir apresenta um circuito ceifador série com fonte.

Na entrada desse circuito é aplicado um sinal senoidal Vi de amplitude igual a 10 V. A amplitude do sinal de saída Vo é de
Provas
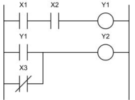
Analise o diagrama LADDER apresentado a seguir.

A respeito da figura acima, analise as afirmativas a seguir.
I. A saída Y2 somente estará acionada se as entradas X1 e X2 estiverem acionadas.
II. Se a entrada X1 não estiver acionada, a saída Y1 também não estará acionada.
III. A saída Y2 não estará acionada se a entrada X3 estiver acionada.
Está correto o que se afirma em:
Provas
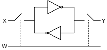
Os elementos A, B, C e D são, respectivamente,
Provas
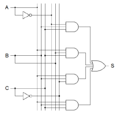
A figura a seguir apresenta um circuito lógico digital.

Considerando as entradas A, B e C, a saída em S é:
Provas
A figura a seguir apresenta um circuito eletrônico utilizando diodos retificadores. A tensão da fonte é igual a VCC e as entradas A e B podem assumir VCC ou zero.

Sabendo-se que a saída é V0 , esse circuito corresponde à seguinte porta lógica:
Provas
A figura a seguir apresenta a tabela verdade de um circuito digital.

A saída desse circuito é
Provas
A figura a seguir apresenta um circuito de uma célula de memória.

A respeito dessa célula de memória, analise as afirmativas a seguir.
I. Trata-se de uma célula de memória estática.
II. A célula possibilita o acesso ao bit armazenado e ao seu complementar.
III. Essa célula é ineficiente para o armazenamento do nível lógico “0”.
Está correto o que se afirma em
Provas
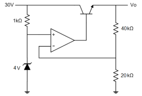
A figura a seguir mostra um circuito regulador de tensão, onde o amplificador operacional é ideal.

O valor da tensão Vo na saída do circuito é
Provas
A figura a seguir mostra o circuito de polarização de transistor de junção bipolar com a sua respectiva reta de carga.

Sabendo que a tensão base-emissor do transistor é igual a 0,6 V, os valores dos resistores RB e RC para a polarização no ponto Q são, respectivamente,
Provas
Caderno Container