Foram encontradas 520 questões.
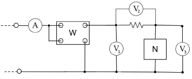
O circuito representado na figura a seguir está operando no estado permanente de corrente alternada com frequência de ω rad/s
Supondo-se as seguintes situações: S1: a tensão de saída estará em fase com a tensão de entrada; S2: ocorrerá o máximo valor de
assinale a alternativa que corresponde aos valores corretos de N em S1 e S2 respectivamente.
Supondo-se as seguintes situações: S1: a tensão de saída estará em fase com a tensão de entrada; S2: ocorrerá o máximo valor de
Provas
Questão presente nas seguintes provas
Analise o circuito a seguir:

Se o circuito N contém apenas dois elementos, estes são
Provas
Questão presente nas seguintes provas
Foram feitas as seguintes afirmações em relação a um transformador real:
I. Apresenta perdas no cobre (I2R), perdas no ferro por corrente parasita, perdas por histerese e perdas por fluxo de dispersão. II. No caso dos transformadores trifásicos, os problemas de desequilíbrio e da terceira harmônica podem ser resolvidos utilizando uma das duas técnicas seguintes: aterrar solidamente os neutros dos transformadores ou acrescentar um terceiro enrolamento (terciário) ligado em Δ ao banco de transformadores. III. As perdas no cobre podem ser obtidas por meio de ensaio em curto-circuito e as perdas no ferro, por meio de ensaio em vazio. Os dois ensaios deverão ser realizados na tensão nominal. IV. O resfriamento de um transformador de potência tem pouca ou nenhuma influência na eficiência de transformadores.
Estão corretas
I. Apresenta perdas no cobre (I2R), perdas no ferro por corrente parasita, perdas por histerese e perdas por fluxo de dispersão. II. No caso dos transformadores trifásicos, os problemas de desequilíbrio e da terceira harmônica podem ser resolvidos utilizando uma das duas técnicas seguintes: aterrar solidamente os neutros dos transformadores ou acrescentar um terceiro enrolamento (terciário) ligado em Δ ao banco de transformadores. III. As perdas no cobre podem ser obtidas por meio de ensaio em curto-circuito e as perdas no ferro, por meio de ensaio em vazio. Os dois ensaios deverão ser realizados na tensão nominal. IV. O resfriamento de um transformador de potência tem pouca ou nenhuma influência na eficiência de transformadores.
Estão corretas
Provas
Questão presente nas seguintes provas
Foram feitas as seguintes afirmações a respeito das grandezas fundamentais de luminotécnica:
I. Intensidade luminosa, medida em candela (cd), é a potência da radiação luminosa numa dada direção. II. Fluxo luminoso, medido em watt (W), é a potência de radiação total emitida por uma fonte de luz. III. Iluminância, em cd/m2, é a intensidade luminosa produzida ou refletida por uma superfície existente. IV. Luminância, expressa em lux (lx), é a densidade de fluxo luminoso na superfície sobre a qual este incide. V. Eficiência luminosa é a relação dos lumens emitidos por uma lâmpada para cada watt consumido.
Estão corretas
I. Intensidade luminosa, medida em candela (cd), é a potência da radiação luminosa numa dada direção. II. Fluxo luminoso, medido em watt (W), é a potência de radiação total emitida por uma fonte de luz. III. Iluminância, em cd/m2, é a intensidade luminosa produzida ou refletida por uma superfície existente. IV. Luminância, expressa em lux (lx), é a densidade de fluxo luminoso na superfície sobre a qual este incide. V. Eficiência luminosa é a relação dos lumens emitidos por uma lâmpada para cada watt consumido.
Estão corretas
Provas
Questão presente nas seguintes provas
Para iluminar um auditório do Colégio Pedro II com 18m de comprimento e 8 m de largura, com uma iluminância
mínima de 500 lux, utilizou-se de luminárias de duas lâmpadas fluorescentes com 2500 lumens cada.
Com um fator de utilização igual a 0,8 e um fator de depreciação igual a 0,5 e utilizando o método dos lumens, o
número de luminárias a serem instaladas é de
Provas
Questão presente nas seguintes provas
Disjuntores são dispositivos de manobra e de proteção, equipados com relés contra sobrecarga e curto-circuito, tanto em
disposições residenciais quanto comerciais e industriais.
Foram feitas as seguintes afirmações no que se refere a este tipo de dispositivo:
I. O dimensionamento adequado deve garantir que a capacidade de condução de corrente dos condutores seja maior que a corrente nominal dos disjuntores. II. A corrente de operação do disjuntor a montante deve ser maior que a corrente de operação do disjuntor a jusante. III. A característica de disparo de um disjuntor é indicada a partir do estado frio. Para o circuito em temperatura de funcionamento, o tempo de disparo é de 40% do valor obtido no gráfico. IV. Devido à alta rigidez dielétrica, o hexafluoreto de enxofre (SF6) é comumente utilizado como isolante em disjuntores de média e alta tensão. V. O disjuntor do tipo termomagnético induz o desligamento de circuito quando ocorre curto-circuito ou sobrecorrente, diferentemente do disjuntor diferencial residual (DR), que atua somente na presença de sobrecorrente.
Estão corretas
I. O dimensionamento adequado deve garantir que a capacidade de condução de corrente dos condutores seja maior que a corrente nominal dos disjuntores. II. A corrente de operação do disjuntor a montante deve ser maior que a corrente de operação do disjuntor a jusante. III. A característica de disparo de um disjuntor é indicada a partir do estado frio. Para o circuito em temperatura de funcionamento, o tempo de disparo é de 40% do valor obtido no gráfico. IV. Devido à alta rigidez dielétrica, o hexafluoreto de enxofre (SF6) é comumente utilizado como isolante em disjuntores de média e alta tensão. V. O disjuntor do tipo termomagnético induz o desligamento de circuito quando ocorre curto-circuito ou sobrecorrente, diferentemente do disjuntor diferencial residual (DR), que atua somente na presença de sobrecorrente.
Estão corretas
Provas
Questão presente nas seguintes provas
Com relação à instalação de motores elétricos, foram feitas as seguintes considerações:
I. Fator de serviço é o multiplicador que, aplicado à potência nominal de um motor, indica a carga que pode ser adicionada continuamente, sob tensão e frequências nominais, e com determinado limite de elevação de temperatura no enrolamento. II. Motores trifásicos, ligados em 760V, são compostos por 12 terminais, com ligação em triângulo-série. III. Classe de isolamento define a temperatura admissível de operação de um motor. IV. O condutor do circuito que alimenta um motor deve possuir uma capacidade de condução de corrente igual ou maior que a corrente nominal do motor, multiplicada pelo fator de demanda.
Estão corretas
I. Fator de serviço é o multiplicador que, aplicado à potência nominal de um motor, indica a carga que pode ser adicionada continuamente, sob tensão e frequências nominais, e com determinado limite de elevação de temperatura no enrolamento. II. Motores trifásicos, ligados em 760V, são compostos por 12 terminais, com ligação em triângulo-série. III. Classe de isolamento define a temperatura admissível de operação de um motor. IV. O condutor do circuito que alimenta um motor deve possuir uma capacidade de condução de corrente igual ou maior que a corrente nominal do motor, multiplicada pelo fator de demanda.
Estão corretas
Provas
Questão presente nas seguintes provas
Sobre um motor corrente contínua do tipo shunt ou derivação, foram feitas as seguintes afirmações:
I. Exige que em sua partida o enrolamento de campo esteja devidamente ligado, para não haver problema de ausência de campo, o que certamente seria destrutivo para o motor CC. II. O torque de cada motor variará com a aplicação da carga, ou seja, com a corrente de armadura. III. Não há necessidade de esperar que o motor shunt chegue à sua velocidade nominal para colocar uma carga. IV. Para regular a velocidade é só colocar uma resistência variável em paralelo com a armadura.
Estão corretas
I. Exige que em sua partida o enrolamento de campo esteja devidamente ligado, para não haver problema de ausência de campo, o que certamente seria destrutivo para o motor CC. II. O torque de cada motor variará com a aplicação da carga, ou seja, com a corrente de armadura. III. Não há necessidade de esperar que o motor shunt chegue à sua velocidade nominal para colocar uma carga. IV. Para regular a velocidade é só colocar uma resistência variável em paralelo com a armadura.
Estão corretas
Provas
Questão presente nas seguintes provas
Uma máquina síncrona trifásica em Y de 72 MVA e 12√3 kV está operando como um compensador síncrono capacitivo. A
relação de curto-circuito do gerador é 2,0 e a corrente de campo na tensão nominal a vazio é 400A. Assuma que a máquina
síncrona esteja ligado diretamente a uma fonte de 12√3 kV.
Assinale a alternativa que apresenta os valores corretos para reatância síncrona saturada do gerador, em ohms por fase (Xsat) e por unidade (Xsat); o módulo da corrente de armadura, por unidade (IA,pu) e em ampères(IA)., considerando a corrente de campo do gerador ajustada para 250 A.
Assinale a alternativa que apresenta os valores corretos para reatância síncrona saturada do gerador, em ohms por fase (Xsat) e por unidade (Xsat); o módulo da corrente de armadura, por unidade (IA,pu) e em ampères(IA)., considerando a corrente de campo do gerador ajustada para 250 A.
Provas
Questão presente nas seguintes provas
Para dimensionar um circuito que alimenta um chuveiro elétrico, foi adotado o critério da queda de tensão. Aplicando o
método watt-metro (W.m), e considerando
P = 5800W, V = 220V, L = 48,4m, ΔV = 2%, resistividade do cobre (ρcu =1/58 Ω.mm²/m),
a seção do condutor será de
P = 5800W, V = 220V, L = 48,4m, ΔV = 2%, resistividade do cobre (ρcu =1/58 Ω.mm²/m),
a seção do condutor será de
Provas
Questão presente nas seguintes provas
Cadernos
Caderno Container