Foram encontradas 550 questões.
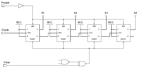
Um contador é utilizado em um processador como um ponteiro para a próxima instrução a ser executada por ele. Considere que cada instrução ocupa apenas um byte da memória e, portanto, o contador é incrementado em uma unidade sempre que uma instrução é executada. Os componentes (flips-flops JK e portas lógicas) da Figurasão usados para montar este contador de instruções.

Figura: Contador de instruções
Para que este contador recicle (retorne a 0) após a leitura de 10 instruções, é necessário que as entradas da NAND estejam ligadas em:
Provas
Considere o seguinte programa em linguagem Ladder para CLP.

Figura: Diagrama ladder.
A lógica trabalha apenas com sinais digitais que podem advir de fontes diversas, como botoeiras manuais, sensores digitais e outros, de tal forma que poderia ser modelado como uma única equação utilizando a lógica de boole, em que as chaves NF seriam entradas barradas. Nesse caso, o item que representa a lógica booleana do digrama ladder exposto é
Provas
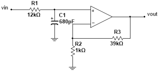
O circuito da Figura representa um filtro passa baixa de primeira ordem não inversor que faz parte de um sistema de controle. O ganho de tensão (Av) e frequência de corte fc deste circuito são dadas respectivamente por,

Figura: Filtro ativo.
Provas
O circuito da Figura é um esquema padrão para amplificador de instrumentação. Se \( R_1 = 1 K \Omega \), \( R_2 = 100 K \Omega \) e \( R = 10\,K\,\Omega \) a magnitude do ganho de tensão diferencial do amplificador de instrumentação é,

Figura: Amplificador de instrumentação
padrão com três amp-ops.
Provas
A Figuramostra o desenho de um disco de um encoder rotativo absoluto. O código gray é utilizado neste caso, pois nele a cada incremento posicional, apenas um bit é alterado por vez. Isso ajuda a evitar glitches para o controlador que está lendo o valor do encoder. A tabela a seguir mostra a correspondência do código BCD para o Gray até o valor 7. O circuito capaz de decodificar o valor do código GRAY para BCD tem sua expressão para saída B2 dada por,

Figura: Encoder rotativo.
| GRAY |
BCD |
| G4 G3 G2 G1 |
B4 B3 B2 B1 |
| 0 0 0 0 |
0 0 0 0 |
| 0 0 0 1 |
0 0 0 1 |
| 0 0 1 1 |
0 0 1 0 |
| 0 0 1 0 |
0 0 1 1 |
| 0 1 1 0 |
0 1 0 0 |
| 0 1 1 1 |
0 1 0 1 |
| 0 1 0 1 |
0 1 1 0 |
| 0 1 0 0 |
0 1 1 1 |
| ... |
... |
Provas
Em relação a modulação digital, assinale a alternativa abaixo que fornece informações corretas sobre o tipo de modulação e suas características.
Provas
Neste tipo de modulação, que é considerada a forma mais básica de modulação de pulso digital, um sinal de mensagem é representado por uma sequência de pulsos codificados, representando-se o sinal na forma discreta tanto em termos de tempo como de amplitude. As operações básicas executas no transmissor de um sistema que utiliza este tipo de modulação são: amostragem, quantização e codificação. Geralmente, na transmissão, um filtro passa -baixas é adicionado antes do processo de amostragem para evitar o aliasing do sinal de mensagem. Assinale a alternativa abaixo que contém a sigla do tipo de modulação descrito acima.
Provas
Assinale o item abaixo que corretamente descreve o sistema de telefonia AMPS (Advanced Mobile Phone System).
Provas
Sobre os princípios de funcionamento de geradores e motores elétricos, e quadros de comando, controle e proteção, marque a afirmativa verdadeira.
Provas
O componente utilizado para controlar a velocidade de um motor elétrico em um circuito de acionamento elétrico é o
Provas
Caderno Container