Foram encontradas 480 questões.
A operação que está sendo realizada com a motoniveladora representada na imagem é conhecida como

Provas
Na operação de motoniveladora ao acionar a alavanca representada na imagem para a posição “C” ocorrerá

Provas
Em algumas situações de operação com retroescavadeira, recomenda-se a utilização de recursos como plataforma que deverá ser posicionada debaixo

Provas
O aterramento para equipamentos de informática deve atender a algumas recomendações, como a faixa de tensão admissível entre o neutro e o terra que, obrigatoriamente, deve situar-se na faixa de
Provas
Quanto aos sindicatos e à organização sindical, assinale a alternativa correta.
Provas
Para a determinação de parâmetros como pH e flúor, podem ser empregados métodos:
Provas
Lagoas de estabilização e lodo ativado com aeração prolongada são sistemas de tratamento de esgoto, que se caracterizam, respectivamente, por apresentarem:
Provas
Uma cabine de energia de um poço tubular profundo é equipada com um transformador de 300 kVA, classe 15 kV, com tensão secundária nominal de 440/254 V. Seu circuito primário está fechado em Δ e conectado no TAP de 13 200 V. Ao medir a tensão secundária desse transformador nesta condição, o eletricista constatou que a tensão de linha presente era de 400 V entre as fases, que é um valor inadequado ao funcionamento da bomba do poço. Qual deve ser o ajuste do TAP do primário desse transformador para que a tensão de linha secundária tenha valores entre 430 e 450 V?
Provas
Um transformador monofásico de 220 V (Primário) / 30 V (Secundário), com potência aparente nominal igual a 6 kVA, é conectado como autotransformador de forma que a tensão de saída corresponda à soma das tensões dos enrolamentos primário e secundário. Nessa configuração, qual será a potência aparente da carga que esse autotransformador poderá alimentar?
Provas
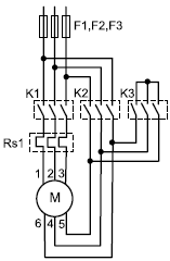
Uma chave de partida automática do tipo Estrela-Triângulo tem seu diagrama de força mostrado na figura a seguir.

Das alternativas apresentadas a seguir, assinale a que indica o ajuste adequado do relé de sobrecarga RS1, sabendo-se que o motor M opera com corrente de linha nominal de 60 A e FS=1,15.
Provas
Caderno Container