Foram encontradas 788 questões.
A utilização de organoclorados na fertilização dos solos pode afetar a fauna, pelo seu acúmulo, através da rede trófica, pelo fenômeno conhecido como
Provas
Nos estabelecimentos que possuem carga instalada superior a 75 kW, existe a obrigatoriedade mínima de documentação dos seguintes itens: procedimentos, instruções técnicas, segurança, inspeção, medições, EPI, comprovante de habilitação dos trabalhadores, resultados de testes de isolamento, certificações e relatórios técnicos.
O documento que contém esses itens é denominado
Provas
Um volante de inércia armazena 10 MJ na forma de energia cinética, sendo empregado em um sistema ininterrupto de energia em substituição a baterias.
Admitindo que se consiga a conversão de energia cinética em elétrica com 90% de rendimento, o tempo máximo durante o qual uma carga de 10 kW poderá ser suprida é de
Provas

De acordo com a NBR 8404:1984 (Indicação do estado de superfície em desenho técnico), o símbolo representa
| a | b | e |
Provas
Considere as afirmações abaixo com relação à Norma Regulamentadora de Segurança no Trabalho em Instalações e Serviços de Eletricidade – NR 10.
I - Dentro do seu objetivo e campo de aplicação, esta norma regulamentadora visa a garantir apenas a segurança e a saúde dos trabalhadores que, diretamente, interajam em instalações elétricas e em serviços com eletricidade.
II - As medidas de controle preconizadas por esta norma regulamentadora exigem que, em todas as intervenções em instalações elétricas, sejam adotadas medidas preventivas de controle do risco elétrico e de outros riscos adicionais, mediante técnicas de análise de risco.
III - A medida de proteção individual desta norma regulamentadora permite o uso de determinados adornos pessoais nos trabalhos com instalações elétricas ou em suas proximidades.
IV - Esta norma regulamentadora estabelece que o projeto elétrico deve defi nir a confi guração do esquema de aterramento e determina se é obrigatória ou não a interligação entre o condutor neutro e o de proteção e a conexão a terra das partes condutoras não destinadas à condução da eletricidade.
São corretas APENAS as afirmações:
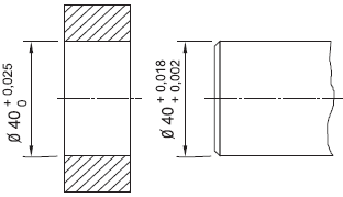
Provas

A figura representa um ajuste entre um eixo e um furo. Os valores apresentados na figura indicam que o ajuste resultante é
Provas
Tratamentos térmicos são utilizados em larga escala na indústria com o objetivo de melhorar as propriedades dos metais. Entre esses tratamentos, cita-se a têmpera, que tem como finalidade aumentar a dureza dos aços e, consequentemente, reduzir a sua tenacidade. Tal efeito, muitas vezes, é indesejável. Dentre os tratamentos térmicos, aquele a ser realizado após a têmpera, com o objetivo de aumentar a tenacidade dos aços, é o(a)
Provas
Os mancais são elementos de máquinas utilizados em conjuntos mecânicos com o objetivo de suportar e apoiar os eixos. Os esforços aplicados nos eixos são transmitidos para os mancais, que podem ser de deslizamento ou rolamento. Entre as principais vantagens dos mancais de rolamentos em relação aos de deslizamentos, podem ser destacadas, além do menor atrito, as seguintes características:
Provas
O sistema tradicional de organização industrial era baseado no estoque de produção, ou seja, em produzir, estocar e tentar vender o que foi produzido. Essa forma de organização foi substituída por um método onde a produção acompanha o mercado, ou seja, só se produz o que for solicitado pelo cliente, evitando-se o estoque de matéria- -prima ou produto acabado. Esse sistema de organização é denominado
Provas

Na utilização de instrumentos de medição, é necessário conhecer a resolução desses instrumentos, para que as medições sejam executadas. No instrumento representado pelo desenho, a menor medida que pode ser lida é
Provas
Caderno Container