Foram encontradas 30 questões.
Considerando que o trabalhador, antes de iniciar o serviço, deve seguir as normas de SMS (Segurança, Meio Ambiente e Saúde), analise as recomendações abaixo.
I - Ler atentamente a PT (Permissão para Trabalho).
II - Usar EPI (Equipamento de Proteção Individual).
III - Fazer uma inspeção visual em todas as ferramentas para ver se não oferecem riscos de acidente.
IV - Usar sua experiência e improvisar sempre que necessário.
Estão corretas as recomendações
Provas
Em um tratamento termoquímico de cementação aplicado em um aço de baixo teor de carbono, uma concentração de carbono C foi obtida a uma profundidade x da superfície, sendo Cs a concentração de carbono na superfície, T a temperatura do tratamento e D o coeficiente de difusão, em 60 minutos. Para obter a mesma concentração de carbono C no mesmo aço, a uma profundidade 2x da superfície, mantendo as demais condições iguais, o tempo, em minutos, necessário para o tratamento é
Provas
O ensaio de dureza adequado para verificação de fases microscópicas de um material é o do tipo
Provas

Considerando o plano de corte representado, a vista obtida na direção indicada pela seta está corretamente representada na figura
Provas
Um suporte ABCD possui seção transversal quadrada cujos lados medem 100 mm. O suporte possui peso desprezível, e a forma e as dimensões são as mostradas na figura abaixo. O suporte é engastado no ponto A e possui uma carga aplicada de 500 N no ponto D.

A tensão normal máxima verificada no suporte, em MPa, é igual a
Provas
Um corpo de prova, com comprimento inicial de 200 mm e seção transversal quadrada de 10 mm de lado, foi ensaiado em tração e apresentou um gráfico força x variação de comprimento, conforme ilustrado abaixo.

Os valores das forças e das variações de comprimentos nos pontos marcados são fornecidos abaixo.
|
Ponto |
F (N) | !$ \Delta !$L (mm) |
| A | 20.000 | 0,200 |
| B | 20.000 | 0,300 |
| C | 30.000 | 0,600 |
| D | 25.000 | 0,700 |
O limite de resistência à tração do material da peça, em MPa, é igual a
Provas
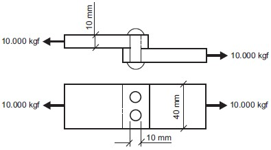
Cada chapa da montagem, representada abaixo, possui espessura igual a 10 mm e largura igual a 40 mm e ambas são unidas por dois rebites de diâmetro igual a 10 mm. Cada chapa sofre um esforço normal igual a 10.000 kgf.

O valor da máxima tensão normal aplicada na chapa, em kgf/mm2, é igual a
Provas
Um conjugado de 40 N.m e uma força de 400 N são aplicados na placa retangular, como mostra a figura abaixo.

Se o conjugado e a força forem substituídos por uma força equivalente única no ponto A, para que o efeito provocado na placa seja o mesmo, a distância x deve ser igual a
Provas
A viga AB é pivotada no ponto A e, no ponto B, sofre um carregamento de 1.000 kgf. Um cabo BC é fixo nos pontos B e C.

Os valores das forças aplicadas na viga AB e no cabo AC, em kgf, respectivamente, são
Provas
A técnica que NÃO se constitui em uma ferramenta da qualidade é a Técnica de
Provas
Caderno Container