Foram encontradas 30 questões.
Um sistema de 2a ordem, linear e invariante no tempo, com entrada u(t) e saída y(t), é representado pelo modelo em espaço de estado, com as seguintes equações:

Sabendo-se que os polos desse sistema estão localizados nas seguintes posições do plano
e
, os valores de a e b, respectivamente, são
Provas
Um sistema discreto e causal, tendo x(n) como sinal de entrada e y(n) como sinal de saída, apresenta, como resposta ao impulso, a expressão ![]()
A função de transferência desse sistema é obtida pela transformada Z de h(n), dada pela expressão

O(s) polo(s) desse sistema no plano complexo Z é(são)
Provas
Provas
Alguns arranjos de lâmpadas azuis e vermelhas serão instalados sobre uma árvore para enfeitar uma residência nas festas natalinas. Cada lâmpada azul consome 4,5 W e exige uma corrente de 150 mA, enquanto que cada lâmpada vermelha consome 6 W e exige 200 mA.
Sabe-se que foram utilizados 10 arranjos iguais com um número (Na) de lâmpadas azuis ligadas em série, e outros 15 arranjos semelhantes com um número (Nv) de lâmpadas vermelhas. Estes arranjos foram montados com o objetivo de adaptar as lâmpadas à tensão disponível de 120 V DC.
Além disso, foi usado um dispositivo pisca-pisca, alternando o acendimento das lâmpadas, ou seja, as azuis ficam 1 s acesas com as vermelhas apagadas, e 2 s apagadas com as vermelhas acesas. O número total de lâmpadas usadas e a potência total consumida, em W, respectivamente, são
Provas
Considere as afirmativas abaixo a respeito de componentes utilizados em circuitos eletrônicos de potência.
I – O TRIAC possui três terminais, em que um deles controla o fluxo de corrente nos outros dois, permitindo a condução de corrente em qualquer sentido.
II – O SCR possui três terminais, em que um deles controla o fluxo de corrente nos outros dois, permitindo a condução de corrente em um único sentido.
III – O DIAC tem dois terminais e apresenta o mesmo aspecto de um diodo. Este conduz em um único sentido quando aplicada uma tensão acima de um valor estabelecido em seus terminais.
A(s) afirmativa(s) correta(s) é(são) APENAS
Provas

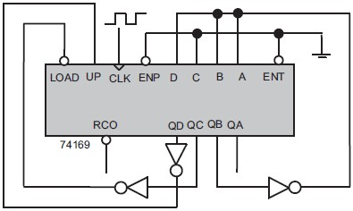
Dados:
LOAD: carregamento síncrono ativado em nível baixo com preferência sobre a contagem
DCBA:entrada paralela a ser carregada
UP: seleciona direção de contagem ascendente (UP = 1) ou descendente (UP = 0)
ENP e ENT: precisam estar em nível baixo para permitir a contagem
O circuito digital, mostrado na figura acima, utiliza um contador 74169. O número de estados da sequência permanente que o contador implementa é
Provas

No circuito da figura acima, a fonte VE é do tipo senoidal com nível DC nulo, período T e amplitude de pico de 6 V. O diodo zener é de 5 V. Tanto o amplificador operacional como o diodo zener podem ser considerados ideais. A forma de onda que mais se aproxima com o sinal na saída VS é
Provas
O circuito transistorizado, mostrado na figura ao lado, apresenta um TBJ do tipo NPN com
= 120 e VBE = 0,7 V quando está operando na região ativa. Um técnico, verificando que o circuito estava funcionando de forma estranha, resolveu efetuar algumas medidas com um multímetro. Mediu a tensão do coletor para a terra e obteve 15 V; mediu a tensão entre os terminais da resistência RB e obteve 14,4 V. Com base nos dados e medidas obtidas, o técnico, acertadamente, concluiu que a(o)
Provas

Uma determinada instalação elétrica monofásica contém três máquinas elétricas ligadas em paralelo, conforme ilustra a figura acima. As chaves permitem ligar ou desligar as máquinas de forma independente. Foram observadas as seguintes características:
• quando apenas as máquinas 1 e 2 encontram-se ligadas, a potência ativa é de 20 kW, a potência total, de 25 kVA e o fator de potência indutivo;
• quando apenas a máquina 3 encontra-se ligada, a potência reativa da instalação é de 3 kvar e o fator de potência 0,8 capacitivo.
Nesse caso, o fator de potência apresentado por essa instalação elétrica, com as três máquinas ligadas, aproximadamente, é
Provas

No circuito elétrico, resistivo, esquematizado na figura acima e alimentado por uma bateria de 20 V, foram feitas, na fiação, três emendas manuais que estão indicadas no circuito e representadas por: e1, e2 e e3. Foi observado que as emendas podem apresentar, de forma aleatória, defeitos considerados intermitentes. O defeito consiste em abrir o circuito nos pontos em que essas emendas estão marcadas. Durante a operação, foi efetuada uma medida de tensão de 4 V entre os terminais X e Y. No exato momento da medida, que emenda(s) apresentava(am) o defeito?
Provas
Caderno Container