Foram encontradas 2.975 questões.

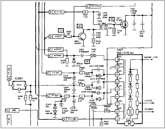
Entre os defeitos mais comuns nos receptores de TV, o circuito de saída horizontal está, sem dúvida, entre os estágios que apresentam maior incidência de falhas. A constatação de um defeito na saída horizontal de qualquer equipamento merece cuidadosa atenção por parte do técnico de manutenção. A substituição de apenas um componente danificado nem sempre leva à solução definitiva do problema. A figura acima ilustra parte do diagrama esquemático de um televisor. Em cada item a seguir, é apresentada uma situação que tem por referência o diagrama mostrado. Julgue como certo o item que apresenta situação que pode levar o transistor de saída horizontal (Q401) a entrar em curto-circuito e como errado o item que não apresenta tal situação.
O sinal de excitação na base de Q401 é insuficiente.
Provas

Entre os defeitos mais comuns nos receptores de TV, o circuito de saída horizontal está, sem dúvida, entre os estágios que apresentam maior incidência de falhas. A constatação de um defeito na saída horizontal de qualquer equipamento merece cuidadosa atenção por parte do técnico de manutenção. A substituição de apenas um componente danificado nem sempre leva à solução definitiva do problema. A figura acima ilustra parte do diagrama esquemático de um televisor. Em cada item a seguir, é apresentada uma situação que tem por referência o diagrama mostrado. Julgue como certo o item que apresenta situação que pode levar o transistor de saída horizontal (Q401) a entrar em curto-circuito e como errado o item que não apresenta tal situação.
O diodo amortecedor (dumper), que está em paralelo com o coletor e o emissor de Q401, está em aberto.
Provas

Entre os defeitos mais comuns nos receptores de TV, o circuito de saída horizontal está, sem dúvida, entre os estágios que apresentam maior incidência de falhas. A constatação de um defeito na saída horizontal de qualquer equipamento merece cuidadosa atenção por parte do técnico de manutenção. A substituição de apenas um componente danificado nem sempre leva à solução definitiva do problema. A figura acima ilustra parte do diagrama esquemático de um televisor. Em cada item a seguir, é apresentada uma situação que tem por referência o diagrama mostrado. Julgue como certo o item que apresenta situação que pode levar o transistor de saída horizontal (Q401) a entrar em curto-circuito e como errado o item que não apresenta tal situação.
Há uma tensão alternada residual (ripple) na polarização do transistor Q403.
Provas

Entre os defeitos mais comuns nos receptores de TV, o circuito de saída horizontal está, sem dúvida, entre os estágios que apresentam maior incidência de falhas. A constatação de um defeito na saída horizontal de qualquer equipamento merece cuidadosa atenção por parte do técnico de manutenção. A substituição de apenas um componente danificado nem sempre leva à solução definitiva do problema. A figura acima ilustra parte do diagrama esquemático de um televisor. Em cada item a seguir, é apresentada uma situação que tem por referência o diagrama mostrado. Julgue como certo o item que apresenta situação que pode levar o transistor de saída horizontal (Q401) a entrar em curto-circuito e como errado o item que não apresenta tal situação.
As espiras do transformador T401 estão em curto-circuito.
Provas

Entre os defeitos mais comuns nos receptores de TV, o circuito de saída horizontal está, sem dúvida, entre os estágios que apresentam maior incidência de falhas. A constatação de um defeito na saída horizontal de qualquer equipamento merece cuidadosa atenção por parte do técnico de manutenção. A substituição de apenas um componente danificado nem sempre leva à solução definitiva do problema. A figura acima ilustra parte do diagrama esquemático de um televisor. Em cada item a seguir, é apresentada uma situação que tem por referência o diagrama mostrado. Julgue como certo o item que apresenta situação que pode levar o transistor de saída horizontal (Q401) a entrar em curto-circuito e como errado o item que não apresenta tal situação.
Os capacitores C421 e C410 apresentam capacitâncias abaixo do normal.
Provas

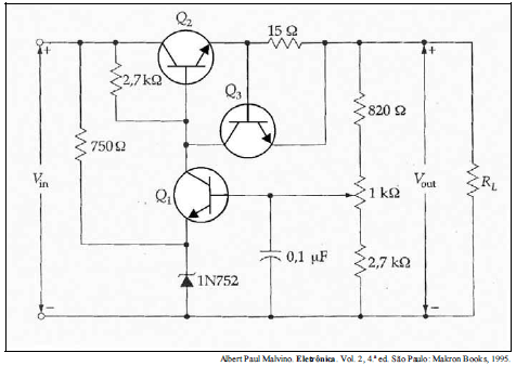
A figura acima mostra o esquema de um regulador série protegido contra curto-circuito. Julgue o item seguinte, considerando o funcionamento normal do circuito.
A estabilidade na tensão de saída (Vout) depende da estabilidade da tensão sobre o diodo zener 1N752.
Provas

A figura acima mostra o esquema de um regulador série protegido contra curto-circuito. Julgue o item seguinte, considerando o funcionamento normal do circuito.
O ajuste do potenciômetro de 1 kΩ permite a variação da tensão em RL de 0 a 15 volts, desde que Vin esteja maior que 15 volts.
Provas

A figura acima mostra o esquema de um regulador série protegido contra curto-circuito. Julgue o item seguinte, considerando o funcionamento normal do circuito.
Para se obterem 12 volts na carga RL, a tensão no coletor de Q1 deve ser superior a 12 volts.
Provas

A figura acima mostra o esquema de um regulador série protegido contra curto-circuito. Julgue o item seguinte, considerando o funcionamento normal do circuito.
A corrente, na carga RL, pode atingir 600 mA, desde que o transistor Q2 suporte essa corrente.
Provas

A figura acima mostra o esquema de um regulador série protegido contra curto-circuito. Julgue o item seguinte, considerando o funcionamento normal do circuito.
A ligação do capacitor cerâmico de 0,1μF com os terminais invertidos pode danificar esse componente.
Provas
Caderno Container