Foram encontradas 1.260 questões.
Os materiais semicondutores são extremamente relevantes para os desenvolvimentos de dispositivos eletrônicos discretos de estado sólido ou circuito integrado. Em relação às características dos materiais semicondutores, informe verdadeiro (V) ou falso (F) para as assertivas abaixo e, em seguida, marque a opção que apresenta a sequência correta.
( ) Materiais semicondutores têm um coeficiente de temperatura positivo.
( ) Os semicondutores são uma classe especial de elementos cuja condutividade está entre a de um bom condutor e a de um isolante.
( ) Um material do tipo n é criado pela introdução de elementos de impureza, tais como antimônio.
( ) Em um material do tipo p, a lacuna é o portador minoritário e o elétron é o portador majoritário.
Provas
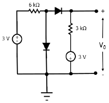
Considere o circuito mostrado na figura abaixo.

Assumindo que os diodos possuem queda de tensão constante de 0,6 V quando diretamente polarizado, e as fontes de tensão cc, indique o valor da tensão V0 conforme mostrado na figura acima.
Provas
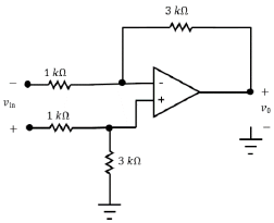
Considere o circuito amplificador de diferenças abaixo:

Considerando o amplificador operacional ideal, Vin a tensão aplicada na entrada do circuito e V0 a tensão de saída, marque a opção que contém o valor da impedância de entrada deste circuito.
Provas
Considere a expressão booleana abaixo.
\( Y= \overline{\overline{AC}+B\overline{D}} + \overline{\overline{A+\overline{D}}+\overline{D}+\overline{C}}+D \oplus \overline{B} \)
Marque a opção que representa a expressão simplificada do circuito acima.
Provas
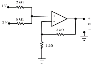
A figura abaixo mostra o circuito somador não inversor.

Indique o valor da tensão de saída V0.
Provas
No sistema de telefonia convencional, durante o estabelecimento de uma chamada telefônica são utilizadas sinalizações acústicas entre a central telefônica e o aparelho do usuário.
A sinalização denominada de “Tom de Discar”, enviada pela central telefônica ao aparelho do usuário, deve ser um tom de áudio de
Provas
A Hierarquia Digital Síncrona (SDH) foi desenvolvida para possibilitar a transmissão de sinais digitais de forma mais eficiente e em taxas mais elevadas do que na Hierarquia Digital Plesiócrona (PDH). Sobre os niveis herárquicos do SDH, suas capacidades e suas taxas de transmissão, informe verdadeiro (V) ou falso (F) para as assertivas abaixo e, em seguida, marque a opção que apresenta a sequência correta.
( ) O segundo nível hierárquico do SDH, denominado de STM-4, suporta 4 feixas STM-1, opera na taxa de 622,08 Mbps e cada quadro tem a duração de 500 μs.
( ) O nível hierárquico SDH que opera na taxa de 9.953,28 Mbps (também denominado de 10 Gbps), permite a transmissão de até 4032 feixes PDH de 2 Mbps (padrão E1).
( ) O primeiro nível hierárquico do SDH, denominado de STM-1, opera na taxa de 155,52 Mbps e permite adaptar 63 feixes PDH de 2 Mbps (padrão E1). Cada quadro tem a duração de 125 μs.
Provas
Para transmissão de sinais analógicos por meios de comunicação digitais de modo eficiente, é necessário fazer a conversão analógico-digital e, posteriormente, a multiplexação TDM. Um sistema TDM para este fim é composto pelas etapas de filtragem, amostragem, quantização, codificação e multiplexação. Um exemplo de um sistema TDM utilizado é o PCM30.
A denominada “Lei A” é utilizada em qual das etapas do PCM30 e qual sua utilização?
Provas
Os esquemas de modulação aplicados em sinais analógicos podem ser em amplitude (AM – Amplitude Modulation), em fase (PM – Phase Modulation) ou em frequência (FM – Frequency Modulation). Sobre o assunto, analise as assertivas a seguir:
I. A modulação em fase (PM) e a modulação em frequência (FM) oferecem melhor discriminação contra o ruído branco gaussiano que a modulação em amplitude (AM).
II. A modulação em amplitude (AM) pura é aquela que oferece a distribuição de potência igualmente entre a portadora e a informação modulada.
III. Tanto a modulação em amplitude (AM) quanto a modulação em frequência (FM) permitem transladar o sinal de banda base para a faixa de passagem do canal.
Sobre as assertivas acima, é correto afirmar que
Provas
Um canal de comunicação via satélite é composto dos enlaces de subida (uplink) e de descida (downlink). Em sistemas de comunicações digitais, a qualidade da comunicação pelo canal pode ser avaliada pela relação C/N (Carrier to Noise) total.
Se em um sistema de comunicação digital via satélite oferece uma relação C/N de 20 dB no uplink e também oferece uma relação C/N de 20 dB no downlink, a relação C/N total será de:
Considere que: log10 (2) = 0,30, log10 (3) = 0,48 e log10 (5) = 0,70.
Provas
Caderno Container