Foram encontradas 1.350 questões.
FIGURA 4

Fonte: Banca examinadora (2022).
Considere um modelo de viga biapoiada isostática, com os apoios, balanços e forças, conforme Figura 4.
As melhores estimativas para os valores das componentes de reação de apoio VA e VB, em kN, são respectivamente iguais a
Provas
Numa linha diretriz de uma rodovia, tem-se uma ponte já existente em que se deseja fazer um encaixe da posição do terreno natural com esta estrutura, conforme Figura 3, abaixo.
FIGURA 3

Fonte: Banca examinadora (2022).
Segundo classificação técnica do Departamento Nacional de Infraestrutura em Transportes (DNIT), este projeto rodoviário é da classe III (terreno ondulado), em que se admite uma rampa máxima absoluta igual a 6%. A altura de corte mínima que se deseja no Piquete A, de forma que este greide reto atenda à especificação de projeto e encaixe com o início da ponte, em metros, considerando a distância de uma estaca igual a 20 metros, é:
Provas
Um modelo estrutural tem condições de contorno em termos de deslocamentos e rotações que representam as ligações do modelo com o meio externo, o qual pode ser fundação da estrutura, ou outra conectada à estrutura sendo modelada.
Na Tabela 1 abaixo, são mostrados alguns tipos de apoio, sua simbologia característica já utilizada comumente para a análise de estruturas e as restrições de deslocamentos e rotação associadas a este apoio.
TABELA 1
| Tipos de apoios | Simbologia | Restrições em deslocamentos e rotações |
| ( A ) Simples do 1º gênero | ![]() | ( I ) !$ \Delta^x \, = \, 0 \\ \Delta^y \, = \, 0 !$ |
| ( B ) Simples do 2º gênero | ![]() | ( II ) !$ \Delta^y \, = \, 0 !$ |
| ( C ) Engaste (3º gênero) | ![]() | ( III ) !$ \Delta^y \, = \, 0 \\ \theta^z \, = \, 0 !$ |
| ( D ) Engaste deslizante | ![]() | ( IV ) !$ \Delta^x \, = \, 0 \\ \Delta^y \, = \, 0 \\ \theta^z \, = \, 0 !$ |
Fonte: Adaptado de MARTHA, L.F. 2017, pela banca examinadora (2022).
Marque a opção correta que relaciona as 3 colunas da tabela 1.
Provas
O Índice de Consistência (IC), proposto por Terzaghi, relaciona o limite de liquidez, a umidade natural e o índice de plasticidade de um solo. Os valores característicos de consistência das argilas variam de menores de 0,5 (classificados como solos “moles”) a valores maiores que 1,0 (classificados como solos “duros”), que são aplicáveis aos solos remoldados e saturados. Tratam-se de valores didáticos de forma a realçar a dependência da resistência ao teor de umidade e, consequentemente, ao adensamento que uma argila sofre pela sobrecarga que esta suporta.
Num ensaio de caracterização de dois solos, tem-se:
- Solo A – LL (Limite de Liquidez) = 65 e IP (Índice de Plasticidade) = 25;
- Solo B - LL (Limite de Liquidez) = 55 e IP (Índice de Plasticidade) = 25.
Ambos foram amolgados por meio da adição de água, até um teor de 45%.
Com base nos dados destes dois solos, é correto afirmar que o
Provas
Considere que duas amostras de fontes diferentes de areia apresentem curvas granulométricas muito semelhantes, porém a areia do tipo 1 apresenta um índice de vazios mínimo de 0,42 e a areia do tipo 2 apresenta um índice de vazios mínimo de 0,62.
Com relação às características da compacidade e da diferença entre estes valores, pode-se afirmar que
Provas
A NBR 6122: 2019 - Projeto e execução de fundações aborda os diferentes tipos de fundação e suas características e usos.
Associe as colunas relacionando os tipos de fundação com as suas respectivas características técnicas.
Tipos de fundação
(1) Estaca de concreto moldada in loco
(2) Estaca Franki
(3) Estaca Strauss
(4) Estaca hélice monitorada com trado segmentado
Características técnicas
( ) Estaca moldada in loco executada pela cravação, por meio de sucessivos golpes de um pilão, de um tubo de ponta fechada por uma bucha seca constituída de pedra e areia, previamente firmada na extremidade inferior do tubo por atrito.
( ) Estaca executada por perfuração do solo com uma sonda ou piteira e revestimento total com camisa metálica, realizando-se gradativamente o lançamento e apiloamento do concreto, com retirada simultânea do revestimento.
( ) Estaca executada preenchendo-se, com concreto, argamassa ou calda de cimento, perfurações previamente executadas no terreno, podendo ser total ou parcialmente armada.
( ) Estaca de concreto moldada in loco, executada mediante a introdução no terreno, por rotação, de segmentos de trado helicoidal de diâmetro constante. A injeção de concreto é feita pela haste central do trado, simultaneamente à sua retirada.
A sequência correta dessa classificação é:
Provas
FIGURA 2

Fonte: elaborado pela banca examinadora, 2022.
De acordo com a Figura 2, para fins de projeto de fundações, devem ser programadas algumas sondagens, sendo que a sondagem Standard Penetration Test (SPT) é amplamente utilizada na construção civil, devido ao seu baixo custo e facilidade de aplicação.
Considerando a área do lote e da projeção da edificação (região hachurada) da Figura 2, o número mínimo de furos de sondagens é
Provas
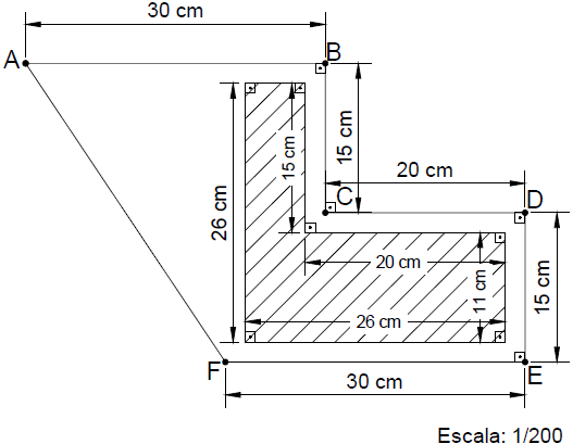
FIGURA 2

Fonte: elaborado pela banca examinadora, 2022.
Na Figura 2 tem-se um lote A-B-C-D-E-F-A, desenhado na escala de 1/200, com as seguintes medidas gráficas em centímetros. A área deste lote A-B-C-D-E-F-A, em hectares, é
Provas
FIGURA 1

Fonte: Adaptado de https://br.pinterest.com/pin/26810560260632284/
pela banca examinadora (2022). Acesso em: 05 abr.2022
A opção que contém de forma correta o nome e a respectiva definição de uma das peças contidas na Figura 1, é:
Provas
FIGURA 1

Fonte: Adaptado de https://br.pinterest.com/pin/26810560260632284/
pela banca examinadora (2022). Acesso em: 05 abr.2022
Conforme Figura 1, as partes do telhado na sequência A, B, C, D e E estão corretamente definidas respectivamente por:
Provas
Caderno Container



