Magna Concursos

Foram encontradas 1.440 questões.

2090326 Ano: 2021
Disciplina: Engenharia de Telecomunicações
Banca: DIRENS Aeronáutica
Orgão: CIAAR

O fenômeno físico responsável pelo guiamento do feixe luminoso em fibras ópticas é conhecido desde 1.854. Esse fenômeno é corretamente denominado de

 

Provas

Questão presente nas seguintes provas
2090325 Ano: 2021
Disciplina: Engenharia Eletrônica
Banca: DIRENS Aeronáutica
Orgão: CIAAR

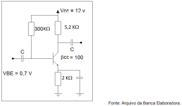
Em um pré-amplificador na polarização estável o emissor contém um resistor de emissor para melhorar o nível de estabilidade da configuração com polarização fixa.

Enunciado 2184480-1

Nessa configuração, o valor da corrente de base IB está corretamente indicado em

 

Provas

Questão presente nas seguintes provas
2090324 Ano: 2021
Disciplina: Engenharia de Telecomunicações
Banca: DIRENS Aeronáutica
Orgão: CIAAR

Um sistema de comunicação óptico utilizando uma fibra óptica do tipo monomodo opera na janela de 1,55μm. A fibra apresenta uma atenuação de 0,25dB/km nesse comprimento de onda e o enlace tem comprimento total de 100km. A atenuação nos conectores ópticos e nas emendas por fusão em todo o trecho somam um total de 5dB. O foto emissor consegue entregar efetivamente à fibra óptica a potência luminosa de -3dBm.

Dados adicionais: log 2 = 0,30 log 3 = 0,48 log 5 = 0,70 log 7 = 0,85

Nessa situação, o valor correto da potência luminosa que é entregue ao foto receptor é de

 

Provas

Questão presente nas seguintes provas
2090323 Ano: 2021
Disciplina: Engenharia Civil
Banca: DIRENS Aeronáutica
Orgão: CIAAR
Provas:

Um desenho de um lote na escala de 1/500 é apresentado abaixo e possui as seguintes dimensões gráficas cotadas em centímetros.

Enunciado 2184351-1

A área gráfica (em cm²), bem como a área real (em ha) são respectivamente

 

Provas

Questão presente nas seguintes provas
2090322 Ano: 2021
Disciplina: Engenharia Eletrônica
Banca: DIRENS Aeronáutica
Orgão: CIAAR

A polarização CC com realimentação de tensão é uma técnica que melhora a estabilidade de um circuito pré-amplificador, realimentando de coletor para a base.

Enunciado 2184479-1

Qual é o valor correto de IB, ICQ VCEQ para o circuito apresentado?

 

Provas

Questão presente nas seguintes provas
2090321 Ano: 2021
Disciplina: Engenharia de Telecomunicações
Banca: DIRENS Aeronáutica
Orgão: CIAAR

A seguir é mostrado o cabeçalho do IPv4.

Enunciado 2184420-1

Como o tamanho do cabeçalho não é constante, o campo IHL informa seu tamanho em palavras de 32 bits. Os valores mínimo e máximo corretos indicados pelo campo IHL, em decimais, são, respectivamente,

 

Provas

Questão presente nas seguintes provas
2090320 Ano: 2021
Disciplina: Engenharia Eletrônica
Banca: DIRENS Aeronáutica
Orgão: CIAAR

Circuitos lógicos podem ser implementados utilizando-se componentes discretos, tais como resistores, diodos e transistores.

Enunciado 2184478-1

O circuito apresentado na figura é a implementação da porta lógica

 

Provas

Questão presente nas seguintes provas
2090319 Ano: 2021
Disciplina: Engenharia de Telecomunicações
Banca: DIRENS Aeronáutica
Orgão: CIAAR

O espalhamento espectral (Spread Spectrum) é uma importante técnica de codificação utilizada em comunicações sem fio.

Avalie o que se afirma sobre técnicas de espalhamento espectral.

I. A técnica de espalhamento espectral por saltos de frequência (FHSS) utiliza diferentes frequências de portadora que são moduladas pelo sinal original.

II. A técnica de espalhamento espectral de sequência direta (DSSS) atribui um código de n bits a cada bit do sinal original.

III. Na técnica FHSS para cada bit do sinal original é gerado um código de n bits, denominado chips, que será usado para definir a frequência da portadora a ser utilizada.

IV. Tornam o sinal transmitido menos sensível a interferências de multipercurso.

Está correto apenas o que se afirma em

 

Provas

Questão presente nas seguintes provas
2090318 Ano: 2021
Disciplina: Engenharia de Telecomunicações
Banca: DIRENS Aeronáutica
Orgão: CIAAR

Um canal de transmissão de dados apresenta largura de banda de 10kHz e relação sinal ruído igual a 31.

Fundamentado na análise de Shannon, que considera o ruído, é correto afirmar que a capacidade máxima de transmissão para esse canal, em kbps, é igual a

 

Provas

Questão presente nas seguintes provas
2090317 Ano: 2021
Disciplina: Engenharia de Telecomunicações
Banca: DIRENS Aeronáutica
Orgão: CIAAR

Informe se é verdadeiro (V) ou falso (F) o que se afirma sobre a Hierarquia Digital Síncrona (SDH).

( ) A multiplexação é realizada pelo intercalamento de bits.

( ) Os quadros em todos os níveis da SDH têm duração uniforme de 125µs.

( ) O container adequado para armazenar os tributários E1(2.048 kbps) é o C-2.

( ) Apresenta maior facilidade para a derivação/inserção de tributários quando comparada à PDH.

De acordo com as afirmações, a sequência correta é

 

Provas

Questão presente nas seguintes provas