Foram encontradas 899 questões.
O Diabetes Mellitus resulta de uma insuficiência absoluta ou relativa da insulina, que é um hormônio secretado pelo pâncreas, ou pela ausência de resposta das células do corpo que não respondem apropriadamente à insulina produzida. Com isto, há um aumento do nível de glicose no sangue. Sobre esse tipo de diabetes, o que é correto afirmar?
Provas
Apoios de cíngulo são importantes componentes a serem utilizados no projeto de estruturas metálicas de próteses parciais removíveis. O que é correto afirmar acerca destes componentes?
Provas
Em relação ao parâmetro clínico a ser considerado na avaliação do espaço protético para confecção de próteses totais removíveis, é correto afirmar que
Provas
A análise do mecanismo de desgaste da ferramenta de corte pode ser feita em função da temperatura de corte, velocidade de corte, avanço e outros fatores. Associe as duas colunas relacionando o mecanismo de desgaste à temperatura de corte.
Mecanismo de desgaste
(1) Adesão
(2) Abrasão
(3) Oxidação
(4) Difusão
Temperatura de corte
( ) Ocorre geralmente a baixas velocidades de corte e baixas temperaturas.
( ) Ocorre sempre, mas seu efeito é ampliado em temperaturas mais elevadas.
( ) Ocorre na presença de ar, água (contida nos fluidos de corte) e altas temperaturas.
( ) Teme feito ampliado em altas temperaturas de corte.
A sequência correta dessa associação é:
Provas
Qual alternativa representa um microrganismo que um desinfetante químico de atividade biocida intermediária não é capaz de eliminar?
Provas
Disciplina: TI - Desenvolvimento de Sistemas
Banca: DIRENS Aeronáutica
Orgão: CIAAR
Provas
O tratamento térmico de endurecimento por precipitação ou envelhecimento envolve três fases em sequência.
(1) Precipitação: a liga monofásica é resfriada rapidamente, sendo uma solução supersaturada, com excesso de soluto.
(2) Solubilização: consiste em aquecer uma liga bifásica acima da linha solvus, no campo monofásico, até a completa homogeneização.
(3) Envelhecimento: a solução supersaturada é aquecida até uma temperatura abaixo da linha solvus e mantida nessa temperatura por certo tempo suficiente para produzir partículas finas de precipitados dispersos na matriz, conferindo à liga as propriedades mecânicas desejadas.
A sequência que descreve corretamente a realização desse tratamento térmico é
Provas
Indique a opção que completa corretamente as lacunas da assertiva a seguir.
A máquina de trefilar contém um sistema de tração do fio, para conduzi-lo através do furo da fieira, constituído de um anel tirante que primeiro acumula o fio trefilado para depois permitir o seu movimento em direção a uma segunda fieira. Já para a trefilação de fios metálicos de pequenos diâmetros, as máquinas são as mais utilizadas.
Provas
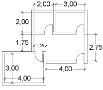
De acordo com a ABNT NBR 5410:2004, como alternativa à aplicação da NBR 5413:1992 (substituída pela ABNT NBR ISO/CIE 8995-1:2013), a potência mínima atribuída a todas as cargas de iluminação adotada para a planta abaixo será de

Provas
Disciplina: Segurança e Saúde no Trabalho (SST)
Banca: DIRENS Aeronáutica
Orgão: CIAAR
Sobre os aspectos referentes à segurança do trabalho, marque a alternativa correta.
Provas
Caderno Container