Foram encontradas 414 questões.

Um material ferromagnético possui uma seção reta de 5 cm2 e comprimento total de 80 cm em percurso fechado. A curva de magnetização desse material, desconsiderando o efeito de histerese e a dispersão do fluxo, está apresentada na figura.
Para as condições estabelecidas acima e considerando uma força magnetomotriz de 100 A • e produzida no material ferromagnético, qual o fluxo magnético total, em Weber, fluindo através da seção reta do material ferromagnético?
Provas
Considere as informações a seguir.

Dados:
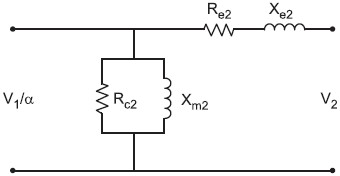
Resistência equivalente dos enrolamentos referida ao secundário: Re2 = 10 mΩ
Reatância de dispersão equivalente dos enrolamentos referida ao secundário: Xe2 = 30 mΩ
Resistência equivalente às perdas no ferro do núcleo do transformador referida ao secundário: Rc2
Reatância de magnetização referida ao secundário: Xm2 Relação de transformação: α
A figura apresenta o circuito equivalente aproximado referido ao lado de tensão inferior de um transformador monofásico de 100 kVA, 11.000 / 220 V, 60 Hz. Os dados Re2 e Xe2 foram obtidos através do ensaio de curto-circuito, juntamente com as perdas no cobre, iguais a 2.066 W.
Considere as perdas no núcleo do transformador, para operação com tensão nominal, iguais a 529 W, independente da carga conectada no transformador. O ensaio de curto-circuito foi realizado no lado de tensão superior com corrente nominal.
Qual o valor do módulo da corrente de carga, em ampères, com o transformador operando como abaixador e com tensão nominal, para que ocorra o rendimento máximo?
Provas
Considere as informações a seguir.

Dados:
Resistência equivalente dos enrolamentos referida ao secundário: Re2 = 10 mΩ
Reatância de dispersão equivalente dos enrolamentos referida ao secundário: Xe2 = 30 mΩ
Resistência equivalente às perdas no ferro do núcleo do transformador referida ao secundário: Rc2
Reatância de magnetização referida ao secundário: Xm2 Relação de transformação: α
A figura apresenta o circuito equivalente aproximado referido ao lado de tensão inferior de um transformador monofásico de 100 kVA, 11.000 / 220 V, 60 Hz. Os dados Re2 e Xe2 foram obtidos através do ensaio de curto-circuito, juntamente com as perdas no cobre, iguais a 2.066 W.
Considere as perdas no núcleo do transformador, para operação com tensão nominal, iguais a 529 W, independente da carga conectada no transformador. O ensaio de curto-circuito foi realizado no lado de tensão superior com corrente nominal.
Quais os valores, em ohms, da resistência equivalente dos enrolamentos e da reatância de dispersão equivalente dos enrolamentos, ambas referidas ao primário do transformador, respectivamente?
Provas
Considere as informações a seguir.

Dados:
Resistência equivalente dos enrolamentos referida ao secundário: Re2 = 10 mΩ
Reatância de dispersão equivalente dos enrolamentos referida ao secundário: Xe2 = 30 mΩ
Resistência equivalente às perdas no ferro do núcleo do transformador referida ao secundário: Rc2
Reatância de magnetização referida ao secundário: Xm2 Relação de transformação: α
A figura apresenta o circuito equivalente aproximado referido ao lado de tensão inferior de um transformador monofásico de 100 kVA, 11.000 / 220 V, 60 Hz. Os dados Re2 e Xe2 foram obtidos através do ensaio de curto-circuito, juntamente com as perdas no cobre, iguais a 2.066 W.
Considere as perdas no núcleo do transformador, para operação com tensão nominal, iguais a 529 W, independente da carga conectada no transformador. O ensaio de curto-circuito foi realizado no lado de tensão superior com corrente nominal.
Considere-se que o transformador esteja operando como abaixador, com tensão nominal, atendendo a uma carga que, nessas condições, consome uma potência aparente equivalente à metade da potência nominal do transformador, com um fator de potência igual a 0,95 atrasado.
Qual a potência ativa fornecida, em watts, pela fonte de alimentação (potência de entrada do transformador)?
Provas
Em uma instalação elétrica predial, de acordo com a NBR 5410:2004, qual deve ser o número mínimo de pontos de tomadas de uso geral em uma cozinha cujo perímetro é de 23 m e qual(is) a(s) suas respectiva(s) potência(s) mínima(s)?
Provas
Uma linha de transmissão, representada a partir do circuito equivelente para linhas de transmissões curtas, possui os seguintes parâmetros por fase:
R = 0,08 Ω/km XL = j 0,6 Ω/km L = 40 km
A linha de transmissão alimenta uma carga com tensão de 69 kV, sendo a potência da carga igual a 99,36 MW com fator de potência 0,96 atrasado.
Qual a potência reativa por fase, em MVAr, absorvida pela linha de transmissão?
Provas
Em um circuito elétrico a corrente de projeto é de 33 A. O projetista dimensionou o condutor elétrico de 6 mm2 para alimentar o circuito. Nas condições da instalação, esse condutor é capaz de conduzir uma corrente elétrica de 41 A. Por fim, o projetista dimensionou o disjuntor termomagnético para proteção do circuito, cujo valor nominal é de 50 A. O disjuntor será instalado em um quadro de distribuição ventilado, onde a corrente que circula pelo disjuntor não interfere na temperatura interna do quadro.
Esse projeto do condutor e do disjuntor está
Provas
As Pequenas Centrais Hidrelétricas (PCH) são soluções para garantir o suprimento da crescente demanda de energia elétrica no Brasil.
A esse respeito, considere as afirmativas abaixo.
I - Uma vantagem das PCH, em relação à hidrelétrica convencional, é o reduzido impacto ambiental.
II - No Brasil, são concedidos incentivos legais às PCH como forma de incentivo a esse tipo de empreendimento.
III - Ao contrário de uma hidrelétrica convencional, as PCH dispensam o uso de barragem.
É correto o que se afirma em
Provas
A Agenda 21 aborda o desenvolvimento sustentável como novo modelo de desenvolvimento para o século XXI.
Esse documento propõe, como princípio básico, que o desenvolvimento sustentável deve ser alcançado com desenvolvimento econômico,
Provas
Considere um gerador síncrono trifásico de 63,48 MVA, 13,8 kV, conectado a um sistema elétrico de potência, que pode ser representado através do equivalente Thèvenin por uma reatância indutiva e uma fonte de alimentação. A máxima potência que pode ser transferida do gerador para o sistema elétrico de potência é igual a 42,32 MW, quando tanto o módulo da tensão interna do gerador quanto o módulo da tensão da fonte de alimentação são iguais à tensão nominal do gerador síncrono.
Nessas condições, sendo a reatância síncrona interna por fase do gerador síncrono igual a j 3,9 Ω, qual o módulo da reatância indutiva equivalente por fase do sistema elétrico de potência, em ohms?
Provas
Caderno Container