Foram encontradas 414 questões.

A figura mostra uma estrutura de polarização de um transistor NPN e a reta de carga equivalente.
Observando o circuito e a reta de carga, as expressões das grandezas, X e Y, a serem escritas nos pontos marcados no gráfico, respectivamente, são
Provas
Questão presente nas seguintes provas
Um transformador de corrente (TC) alimenta a bobina de um relé de sobrecorrente. A relação de transformação do TC é de 600:5. O trip do relé está ajustado para disparar quando a corrente do circuito principal for exatos 150 A.
O valor mínimo, em ampères, que deve passar pela bobina do relé para dispará-lo é
O valor mínimo, em ampères, que deve passar pela bobina do relé para dispará-lo é
Provas
Questão presente nas seguintes provas
Um motor Dahlander de 4/2 polos opera alimentado com 220 V e 60 Hz, utilizando a ligação que proporciona a maior velocidade no eixo do motor.
Se o motor possui um escorregamento de 2%, qual é a velocidade, em rpm, do eixo do motor?
Se o motor possui um escorregamento de 2%, qual é a velocidade, em rpm, do eixo do motor?
Provas
Questão presente nas seguintes provas
Os arranjos físicos de subestações podem distinguir-se quanto à quantidade de elementos, tais como disjuntores, seccionadores e barramentos, e quanto à forma como esses elementos se conectam entre si. São tipos de arranjos conhecidos, por exemplo, o arranjo de barramento simples e o arranjo de barramento principal e de transferência. O arranjo de barramento principal e de transferência utiliza mais elementos e possui maior complexidade que o arranjo de barramento simples.
Qual a principal vantagem do arranjo de barramento principal e de transferência em relação ao arranjo de barramento simples?
Qual a principal vantagem do arranjo de barramento principal e de transferência em relação ao arranjo de barramento simples?
Provas
Questão presente nas seguintes provas

No circuito de corrente contínua da figura, a tensão, em V, entre os pontos a e b é
Provas
Questão presente nas seguintes provas
O rotor de um gerador síncrono acoplado a uma turbina hidráulica tem 20 polos.
Para que a frequência da tensão gerada seja 60 Hz, a velocidade de rotação, em rpm, do eixo da turbina deve ser
Para que a frequência da tensão gerada seja 60 Hz, a velocidade de rotação, em rpm, do eixo da turbina deve ser
Provas
Questão presente nas seguintes provas
O valor rms da corrente de linha de uma carga trifásica balanceada ligada em
é igual a 30 A.
O valor rms, em ampères, da corrente de fase dessa carga é
O valor rms, em ampères, da corrente de fase dessa carga é
Provas
Questão presente nas seguintes provas

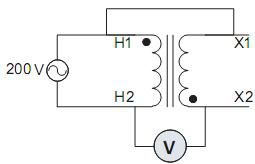
A figura apresenta um ensaio num transformador monofásico de 50 kVA, 200/10 V, 60 Hz. Nesse ensaio, os terminais H1 e X1 estão em curto-circuito, e um voltímetro é conectado nos terminais H2 e X2. Os terminais de tensão superior são alimentados por uma fonte de tensão alternada com a tensão nominal do transformador. Considere o transformador ideal.
Provas
Questão presente nas seguintes provas
Nas figuras é apresentado o circuito de um retificador controlado a tiristor (SCR), juntamente com os gráficos das formas de onda das tensões VR e VG, mostrando a evolução no tempo dessas tensões.

Assim, o gráfico que representa corretamente um esboço da forma de onda da tensão VL sobre o resistor de carga RL em função do tempo é:

Assim, o gráfico que representa corretamente um esboço da forma de onda da tensão VL sobre o resistor de carga RL em função do tempo é:
Provas
Questão presente nas seguintes provas
Em que grupo de processos de gerenciamento de um projeto o gerente deve envolver as partes interessadas para aumentar a probabilidade de que elas fiquem satisfeitas e aceitem as entregas do projeto?
Provas
Questão presente nas seguintes provas
Cadernos
Caderno Container