Foram encontradas 414 questões.
Sinais analógicos devem ser digitalizados antes de serem transmitidos em sistemas de comunicação digital.
Várias técnicas foram desenvolvidas com essa finalidade, dentre as quais se destacam as seguintes:
Várias técnicas foram desenvolvidas com essa finalidade, dentre as quais se destacam as seguintes:
Provas
Questão presente nas seguintes provas
Considere o circuito elétrico mostrado na figura abaixo.

Nos terminais 1 e 2 desse circuito elétrico, foram efetuadas medidas seguindo a sequência (x), (y) e (z) conforme mostra a figura a seguir.

• Em (x), com um voltímetro mediu-se a tensão entre os terminais 1 e 2.
• Em (y) ajustou-se o valor do potenciômetro P, para que o valor da tensão, medida com o voltímetro, seja a metade do valor medido em (x).
• Em (z), com um ohmímetro, mediu-se o valor da resistência do potenciômetro P que fora ajustado em (y).
Qual o valor, em Ω, da resistência medida na etapa (z)?

Nos terminais 1 e 2 desse circuito elétrico, foram efetuadas medidas seguindo a sequência (x), (y) e (z) conforme mostra a figura a seguir.

• Em (x), com um voltímetro mediu-se a tensão entre os terminais 1 e 2.
• Em (y) ajustou-se o valor do potenciômetro P, para que o valor da tensão, medida com o voltímetro, seja a metade do valor medido em (x).
• Em (z), com um ohmímetro, mediu-se o valor da resistência do potenciômetro P que fora ajustado em (y).
Qual o valor, em Ω, da resistência medida na etapa (z)?
Provas
Questão presente nas seguintes provas
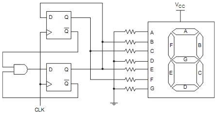
Um circuito digital sequencial é empregado para acionar um display de sete segmentos numérico e padrão, conforme mostrado na figura.

O display de sete segmentos está configurado de maneira que o LED de um segmento será aceso quando um sinal em nível baixo de tensão for aplicado ao resistor conectado em série com a entrada correspondente ao segmento. Além disso, ambos os flip-flops partem de um estado inicial onde Q = 0. 
Assim, a sequência completa dos números que irão aparecer representados no display, quando um sinal de clock (CLK) periódico foi aplicado ao circuito, será a seguinte:
Provas
Questão presente nas seguintes provas
Nyquist, em 1924, expressou a velocidade ou taxa de transmissão de dados em função da quantidade de níveis do sinal transmitido e da largura de banda do canal de comunicação.
De acordo com a sua teoria, a velocidade ou taxa de transmissão, em bits por segundo, aumenta
De acordo com a sua teoria, a velocidade ou taxa de transmissão, em bits por segundo, aumenta
Provas
Questão presente nas seguintes provas

A resistência Rth , em Ω, e a tensão Vth , em V, respectivamente, são
Provas
Questão presente nas seguintes provas
Em uma instalação elétrica predial, um determinado ponto de luz é acionado por dois interruptores do tipo three-way.
O esquema de ligação de acionamento desse ponto de luz é
O esquema de ligação de acionamento desse ponto de luz é
Provas
Questão presente nas seguintes provas
Deseja-se medir a corrente elétrica em alguns ramos de um determinado circuito, onde se espera que as correntes estejam na faixa de 0 a 100 mA. No entanto, dispõe-se de apenas um galvanômetro com fundo de escala em 2 mA e resistência interna de 490 Ω
Dessa forma, para ser possível medir correntes de até 100 mA, deve-se conectar em paralelo a esse galvanômetro uma resistência shunt de, no máximo,
Dessa forma, para ser possível medir correntes de até 100 mA, deve-se conectar em paralelo a esse galvanômetro uma resistência shunt de, no máximo,
Provas
Questão presente nas seguintes provas
A técnica de múltiplo acesso de um sistema de comunicação móvel é baseada no uso de espalhamento espectral.
Assim sendo, esse sistema emprega a técnica de múltiplo acesso conhecida como
Assim sendo, esse sistema emprega a técnica de múltiplo acesso conhecida como
Provas
Questão presente nas seguintes provas
Canais de comunicações móveis podem apresentar distúrbios que degradam severamente o desempenho de sistemas de transmissão digital, como, por exemplo, o desvanecimento plano. Diversas técnicas vêm sendo desenvolvidas para combater esse distúrbio, destacando-se uma que se caracteriza por apresentar taxa de bits variável de acordo com a qualidade do canal.
Essa técnica é conhecida como
Essa técnica é conhecida como
Provas
Questão presente nas seguintes provas
Um canal de comunicação é modelado por um filtro FIR (Finite Impulse Response), cuja resposta ao impulso, h[n], é dada por h[n]=Pδ[n]+Qδ[n−1]+Rδ[n−2], sendo P, Q e R constantes reais.
Sabendo-se que os zeros de H[Z], onde H[Z] é a Transformada Z de h[n], são reais e que a resposta ao impulso em questão possui fase linear, tem-se que
Provas
Questão presente nas seguintes provas
Cadernos
Caderno Container