Foram encontradas 50 questões.
Deseja-se avaliar um diodo semicondutor e identificar o seu anodo e catodo, por meio de um multímetro analógico, configurado na escala de medição de resistência (escala R x 10).
A tabela a seguir apresenta o resultado de uma avaliação realizada para o diodo.
|
Polo positivo do multímetro |
Polo negativo do multímetro |
Leitura |
|
terminal 1 do diodo |
terminal 2 do diodo |
resistência baixa |
|
terminal 2 do diodo |
terminal 1 do diodo |
resistência alta |
Sobre essa avaliação, é correto afirmar que
Provas
Um multímetro digital possui escala de medição de capacitância. Antes de se medir o valor da capacitância, recomenda- se
Provas
Por meio de um multímetro analógico, deseja-se determinar os tipos (NPN ou PNP) dos transistores T1 e T2. A tabela a seguir apresenta o resultado de uma avaliação realizada, supondo o multímetro sendo utilizado em uma escala conveniente de medição de resistência:
|
Transistor |
Polo positivo do multímetro | Polo negativo do multímetro |
Leitura |
| T1 | base | emissor |
resistência baixa |
| T1 | base | emissor |
resistência baixa |
| T2 | base | emissor |
resistência muito alta (!$ \infty !$) |
| T2 | base | emissor |
resistência muito alta (!$ \infty !$) |
Sobre essa avaliação, é correto afirmar que
Provas
Analise o circuito a seguir, construído com um circuito integrado regulador de tensão 7805.

Em relação ao circuito apresentado, é correto afirmar que a
Provas
Analise o circuito a seguir, construído com um circuito integrado regulador de tensão 7805.

Caso a corrente que circula na carga RL seja de 0,5 A, a potência dissipada no regulador de tensão será, em watts,
Provas
Analise o circuito apresentado a seguir, com um diodo semicondutor, um resistor e uma fonte de tensão Ve, que possui forma de onda senoidal.

A forma de onda Vs possui a seguinte configuração:
Provas
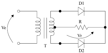
Analise o circuito a seguir, que possui um diodo de silício, uma carga resistiva R e um transformador de tensão.
A tensão Ve é senoidal.

Sobre o circuito, é correto afirmar que
Provas
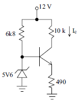
Analise o circuito a seguir, baseado em um transistor de silício e um diodo zener ideal. Suponha que a tensão entre a base e o emissor do transistor seja 0,7 volts e o seu !$ \beta !$ seja igual a 100. Os valores dos resistores são fornecidos em ohms.

Caso o transistor do circuito seja substituído por outro de mesmo tipo, mas com !$ \beta !$ igual a 200, o novo valor da corrente Ic será
Provas
Analise o circuito a seguir, baseado em um transistor de silício e um diodo zener ideal. Suponha que a tensão entre a base e o emissor do transistor seja 0,7 volts e o seu !$ \beta !$ seja igual a 100. Os valores dos resistores são fornecidos em ohms.

O valor da corrente Ic no coletor do transistor é, em mA,
Provas
Analise o circuito a seguir, construído com um diodo zener ideal, de tensão Vz = 5 V e resistência nula.

O valor da potência dissipada no diodo é, em miliwatts,
Provas
Caderno Container