Foram encontradas 50 questões.

Supor VCC=10V, VBB=2V, RC=5k!$ \Omega !$, RE=1k!$ \Omega !$ !$ \beta !$ =100 e |VBE|=0,7V
Analise as afirmações sobre o circuito, caso o seja alterado para 50.
I. A corrente em RC será reduzida à metade.
II. A tensão no ponto 2 será 1,3V.
III. A tensão no ponto 1 será 3,63V.
Sobre as afirmações, pode-se dizer que está correto o contido em
Provas
A seguinte figura apresenta o painel de um multímetro típico.

Assinale a alternativa que apresenta, corretamente, o símbolo e a correspondente função de medida representada pelo símbolo.
Provas
Analise as afirmações sobre pontas de prova típicas de osciloscópios:
I. aplicando-se uma forma de onda quadrada em uma ponta de prova, caso apareçam overshoots ou undershoots na forma de onda quadrada, pode-se tentar eliminá-los ajustando um capacitor variável presente na ponta de prova;
II. com a sua chave de seleção colocada na posição 10X, o sinal medido é amplificado com um fator 10;
III. o parafuso presente nas pontas de prova se destina ao ajuste da indutância da ponta de prova.
Sobre as afirmações, pode-se dizer que está correto o contido em
Provas
Em um osciloscópio que permite a seleção de , quando dois sinais de frequência e fases variáveis são inseridos nos eixos X e Y, a figura que resulta é denominada .
Assinale a alternativa que completa, correta e respectivamente, as lacunas do texto.
Provas
Uma das maneiras de avaliar a eficiência de um estabilizador de tensão é dada pelo seu Coeficiente de Estabilização, que é dado pela
Provas
O estabilizador de tensão pode apresentar diversos benefícios aos equipamentos eletrônicos nele interligados, como por exemplo,
Provas
Dentre os tipos de testes para a verificação do estado dos componentes de um sistema de transmissão de dados utilizando o MODEM, existe o teste do loop analógico, no qual
Provas
Em um sistema de transmissão de dados, os dispositivos componentes possuem designação padronizada. Nessa padronização, o MODEM é designado por
Provas
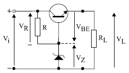
A seguinte figura apresenta um circuito regulador de tensão.

Analise as afirmações sobre esse circuito:
I. a vantagem dessa configuração é que não existem valores mínimos e máximos para Vi para que a regulação seja feita corretamente;
II. pode-se considerar que, em geral, VZ é bem maior do que VBE, de forma que VL é aproximadamente VZ;
III. trata-se de um circuito conhecido como Regulador Série.
Sobre as afirmações, pode-se dizer que está correto o contido em
Provas
As figuras apresentam duas configurações de um circuito retificador de tensão.

Sobre esses circuitos, é correto afirmar que
Provas
Caderno Container