Foram encontradas 1.200 questões.
Uma rede trifásica equilibrada e simétrica alimenta uma carga também equilibrada, cuja tensão de linha é igual a 380 V. Sabe-se que a carga absorve potência de 3,8 kW com fator de potência unitário. A respeito do funcionamento da carga conectada à rede elétrica, julgue os itens que se seguem.
A potência aparente da carga é igual a 3,8 kVA.
Provas

A figura acima mostra um circuito elétrico em corrente contínua que opera alimentado por uma fonte ideal de 10 V. A chave K no circuito fica normalmente fechada e é utilizada para desligar o resistor conectado entre os terminais a-b. O amperímetro indicado no circuito é considerado ideal, sendo usado para medir a corrente que flui pela fonte. Com base no circuito, julgue os itens subseqüentes.
Se a chave K for aberta e o amperímetro indicar corrente nula, é provável que durante a abertura da chave o resistor conectado entre c-b tenha sido desconectado acidentalmente dos respectivos pontos, formando um circuito aberto entre c-b.
Provas

A figura acima mostra um circuito elétrico em corrente contínua que opera alimentado por uma fonte ideal de 10 V. A chave K no circuito fica normalmente fechada e é utilizada para desligar o resistor conectado entre os terminais a-b. O amperímetro indicado no circuito é considerado ideal, sendo usado para medir a corrente que flui pela fonte. Com base no circuito, julgue os itens subseqüentes.
Se a chave K for aberta, a fonte fornecerá 15 W de potência aos resistores.
Provas

A figura acima mostra um circuito elétrico em corrente contínua que opera alimentado por uma fonte ideal de 10 V. A chave K no circuito fica normalmente fechada e é utilizada para desligar o resistor conectado entre os terminais a-b. O amperímetro indicado no circuito é considerado ideal, sendo usado para medir a corrente que flui pela fonte. Com base no circuito, julgue os itens subseqüentes.
A corrente medida pelo amperímetro é igual a 2 A.
Provas
- Instalações ElétricasSubestaçõesCustos, diagramas unifilares básicos, tipos de barramentos, sistemas auxiliares
- Instalações ElétricasSubestaçõesEquipamentos de manobra de alta tensão

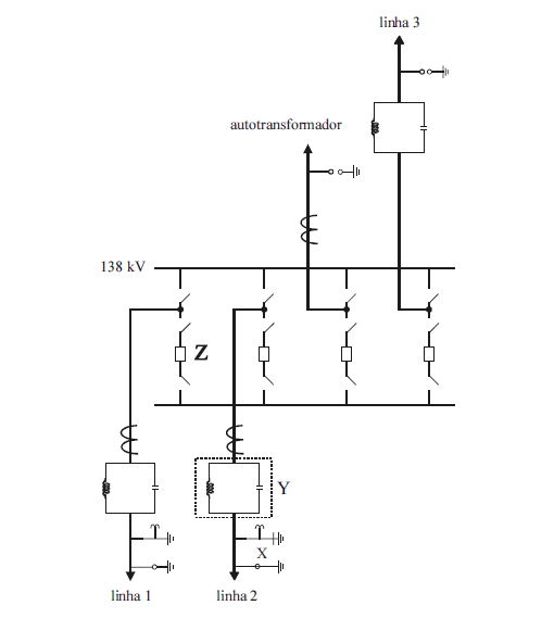
Com base no desenho acima, que mostra o diagrama unifilar da parte em 138 kV de uma subestação de transmissão cujas tensões são 230 kV e 138 kV, julgue as associações propostas nos itens subseqüentes, quanto à simbologia dos equipamentos indicados por X, Y e Z (o elemento Y corresponde à indicação interna do retângulo pontilhado).
Z – disjuntor
Provas
- Instalações ElétricasSubestaçõesCustos, diagramas unifilares básicos, tipos de barramentos, sistemas auxiliares
- Instalações ElétricasSubestaçõesEquipamentos de manobra de alta tensão

Com base no desenho acima, que mostra o diagrama unifilar da parte em 138 kV de uma subestação de transmissão cujas tensões são 230 kV e 138 kV, julgue as associações propostas nos itens subseqüentes, quanto à simbologia dos equipamentos indicados por X, Y e Z (o elemento Y corresponde à indicação interna do retângulo pontilhado).
Y – compensador estático de reativo
Provas
- Instalações ElétricasSubestaçõesCustos, diagramas unifilares básicos, tipos de barramentos, sistemas auxiliares
- Instalações ElétricasSubestaçõesEquipamentos de manobra de alta tensão

Com base no desenho acima, que mostra o diagrama unifilar da parte em 138 kV de uma subestação de transmissão cujas tensões são 230 kV e 138 kV, julgue as associações propostas nos itens subseqüentes, quanto à simbologia dos equipamentos indicados por X, Y e Z (o elemento Y corresponde à indicação interna do retângulo pontilhado).
X – pára-raios
Provas
Julgue os itens a seguir, quanto às grandezas elétricas normalmente utilizadas e suas respectivas unidades no Sistema Internacional de Unidades (SI).

Provas
Julgue os itens a seguir, quanto às grandezas elétricas normalmente utilizadas e suas respectivas unidades no Sistema Internacional de Unidades (SI).
A unidade de tensão é o volt (V), que também é equivalente a watt/ampere (W/A).
Provas
Se um resistor em um circuito é percorrido por uma corrente elétrica, a lei de Ohm estabelece que a corrente no resistor é diretamente proporcional à tensão, quando a resistência do componente de circuito é mantida constante.
Provas
Caderno Container