Foram encontradas 1.200 questões.

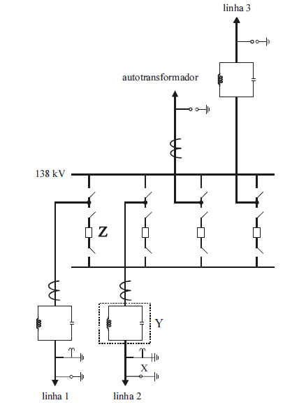
Com base no desenho acima, que mostra o diagrama unifilar da parte em 138 kV de uma subestação de transmissão cujas tensões são 230 kV e 138 kV, julgue as associações propostas nos itens subseqüentes, quanto à simbologia dos equipamentos indicados por X, Y e Z (o elemento Y corresponde à indicação interna do retângulo pontilhado).
Y – compensador estático de reativo
Provas

Com base no desenho acima, que mostra o diagrama unifilar da parte em 138 kV de uma subestação de transmissão cujas tensões são 230 kV e 138 kV, julgue as associações propostas nos itens subseqüentes, quanto à simbologia dos equipamentos indicados por X, Y e Z (o elemento Y corresponde à indicação interna do retângulo pontilhado).
X – pára-raios
Provas
Julgue os itens a seguir, quanto às grandezas elétricas normalmente utilizadas e suas respectivas unidades no Sistema Internacional de Unidades (SI).

Provas
Julgue os itens a seguir, quanto às grandezas elétricas normalmente utilizadas e suas respectivas unidades no Sistema Internacional de Unidades (SI).
A unidade de tensão é o volt (V), que também é equivalente a watt/ampere (W/A).
Provas
Julgue os itens que se seguem, acerca de circuitos elétricos.
O sentido convencionado para a corrente elétrica em um condutor é o sentido de deslocamento das cargas negativas (elétrons).
Provas
Julgue os itens que se seguem, acerca de circuitos elétricos.
Sempre que um resistor é percorrido por uma corrente elétrica, ocorre dissipação de energia nesse componente.
Provas
Julgue os itens que se seguem, acerca de circuitos elétricos.
Se um resistor em um circuito é percorrido por uma corrente elétrica, a lei de Ohm estabelece que a corrente no resistor é diretamente proporcional à tensão, quando a resistência do componente de circuito é mantida constante.
Provas
- Instalações ElétricasSubestações
- Sistemas Elétricos de PotênciaDistribuição de Energia ElétricaManutenção, Construção e Equipamentos de distribuição
Planejou-se a construção de uma subestação de transmissão em um determinado local, tendo como finalidade a manobra de equipamentos e a elevação do nível de tensão. A elevação da tensão possibiltará a transmissão de considerável bloco de energia. Em relação à operação dessa subestação, julgue os itens seguintes.
Se existir banco de capacitores em derivação (shunt) na subestação, a ligação desses equipamentos ao barramento apropriado somente será possível se o referido barramento estiver operando, no mínimo, com a tensão nominal.
Provas
Planejou-se a construção de uma subestação de transmissão em um determinado local, tendo como finalidade a manobra de equipamentos e a elevação do nível de tensão. A elevação da tensão possibiltará a transmissão de considerável bloco de energia. Em relação à operação dessa subestação, julgue os itens seguintes.
Por ser do tipo elevadora, a subestação pode prescindir da existência de serviço auxiliar, porque o suprimento do local pode ser realizado a partir de rede elétrica ligada diretamente no lado da menor tensão da subestação.
Provas
Um trabalho de manutenção deverá ser realizado em uma instalação elétrica de alta tensão de uma determinada companhia de energia elétrica. Acerca desse tipo de trabalho, julgue os itens a seguir.
Em caso de execução de serviço de manutenção em linhas de transmissão desenergizadas, esses equipamentos precisam ser aterrados nas suas extremidades antes do início dos trabalhos.
Provas
Caderno Container