Foram encontradas 169 questões.

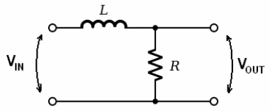
Assinale a alternativa que identifica o filtro em frequência apresentado na figura.
Provas
Um sistema de telecomunicação utiliza um canal com largura de banda de 200 KHz. Considerando log2 = 0,3, assinale a alternativa que apresenta a capacidade aproximada do canal para um SNR de 9 de acordo com Shannon.
Provas

Assinale a alternativa que apresenta o valor aproximado do ganho diferencial obtido pelo amplificador operacional, sabendo que Vin1 = 2,0 mV, Vin2 = – 2,0 mV e Vout = 4 V.
Provas
Um transmissor 8-PSK digitaliza previamente um sinal analógico banda base cuja frequência máxima é de 5,0 KHz, e gera códigos de 6 bits por amostra. Assinale a alternativa que apresenta a taxa de transmissão nessa situação.
Provas

Assinale a alternativa que apresenta o valor aproximado da corrente de polarização DC que entra pela base do transistor (IB).
Provas

Com base no circuito apresentado, considerando que os diodos são feitos à base de silício (VD = 0,7 Volts), assinale a alternativa que mais se aproxima do valor da corrente IT fornecida pela fonte de tensão DC ao circuito.
Provas

Assinale a alternativa que apresenta a técnica de modulação esboçada na figura.
Provas
Acerca dos sistemas de telecomunicações, assinale a alternativa correta.
Provas
Considerando o quadro de distribuição das faixas de frequência no Brasil, assinale a alternativa correta.
Provas
Assinale a alternativa que apresenta a técnica de compressão, em que caracteres repetidos são substituídos por um caractere especial, de forma a proporcionar ganho na taxa de dados, evitando a transmissão de caracteres repetidos.
Provas
Caderno Container