Foram encontradas 120 questões.

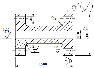
O desenho acima é a representação de uma vista em corte de um carretel de máquina. Nele estão assinalados o dimensionamento e as tolerâncias que deverão ser seguidas na usinagem do carretel. Com relação a essas informações e ao contexto da usinagem, julgue o seguinte item.
O hachuramento do carretel indica que ele foi fabricado em ferro fundido.
Provas

O desenho acima é a representação de uma vista em corte de um carretel de máquina. Nele estão assinalados o dimensionamento e as tolerâncias que deverão ser seguidas na usinagem do carretel. Com relação a essas informações e ao contexto da usinagem, julgue o seguinte item.
A tolerância de fabricação para o diâmetro externo é de 0,10 mm.
Provas

O desenho acima é a representação de uma vista em corte de um carretel de máquina. Nele estão assinalados o dimensionamento e as tolerâncias que deverão ser seguidas na usinagem do carretel. Com relação a essas informações e ao contexto da usinagem, julgue o seguinte item.
O furo central do carretel deve ser usinado com uma rugosidade máxima de 12,5 mm.
Provas

Considere que a chave mostrada no desenho mecânico acima esteja sendo utilizada para apertar um parafuso de cabeça sextavada, que o material constitutivo da chave é o AISI 4340 temperado e revenido e que uma força de 200 N esteja sendo aplicada na chave para o aperto. Com relação a essa situação e aos vários tipos de ferramentas de montagem, julgue o item seguinte.
O tratamento térmico de revenimento foi usado após a têmpera, para diminuir o tamanho de grão do aço.
Provas

Considere que a chave mostrada no desenho mecânico acima esteja sendo utilizada para apertar um parafuso de cabeça sextavada, que o material constitutivo da chave é o AISI 4340 temperado e revenido e que uma força de 200 N esteja sendo aplicada na chave para o aperto. Com relação a essa situação e aos vários tipos de ferramentas de montagem, julgue o item seguinte.
A chave foi temperada para que o tratamento térmico gerasse uma microestrutura muito dura chamada ferrita.
Provas

Considere que a chave mostrada no desenho mecânico acima esteja sendo utilizada para apertar um parafuso de cabeça sextavada, que o material constitutivo da chave é o AISI 4340 temperado e revenido e que uma força de 200 N esteja sendo aplicada na chave para o aperto. Com relação a essa situação e aos vários tipos de ferramentas de montagem, julgue o item seguinte.
O aço AISI 4340 é um aço cromo-vanádio com 40% em peso de carbono.
Provas

Considere que a chave mostrada no desenho mecânico acima esteja sendo utilizada para apertar um parafuso de cabeça sextavada, que o material constitutivo da chave é o AISI 4340 temperado e revenido e que uma força de 200 N esteja sendo aplicada na chave para o aperto. Com relação a essa situação e aos vários tipos de ferramentas de montagem, julgue o item seguinte.
Esse aperto poderia ser dado por um torquímetro aferido para o torque calculado.
Provas

Considere que a chave mostrada no desenho mecânico acima esteja sendo utilizada para apertar um parafuso de cabeça sextavada, que o material constitutivo da chave é o AISI 4340 temperado e revenido e que uma força de 200 N esteja sendo aplicada na chave para o aperto. Com relação a essa situação e aos vários tipos de ferramentas de montagem, julgue o item seguinte.
A chave que está sendo usada é uma chave soquete.
Provas

Considere que a chave mostrada no desenho mecânico acima esteja sendo utilizada para apertar um parafuso de cabeça sextavada, que o material constitutivo da chave é o AISI 4340 temperado e revenido e que uma força de 200 N esteja sendo aplicada na chave para o aperto. Com relação a essa situação e aos vários tipos de ferramentas de montagem, julgue o item seguinte.
Na situação mostrada, o momento torçor aplicado vale 40 N.m. a
Provas

O gráfico acima representa dois diagramas tensão -deformação, obtidos em um ensaio de tração dos aços A e B. Na tensão elástica de 270 MPa, estão indicados dois valores de deformação para esses aços. Com relação ao ensaio de tração dos aços A e B ilustrados na figura, julgue o seguinte item.
O limite de escoamento do aço A vale 350 MPa.
Provas
Caderno Container