Foram encontradas 1.000 questões.
O módulo 8 dos Procedimentos de Distribuição (PRODIST) elaborado pela ANEEL e agentes do setor elétrico estabelece os indicadores relacionados à qualidade da energia elétrica.

Obtido em uma campanha de medição para verificar a qualidade do fornecimento, esse gráfico diz respeito ao seguinte aspecto a ser observado:
Provas
- Transformadores e Máquinas ElétricasMáquinas EstáticasTransformadores Trifásicos e Autotransformadores
Provas
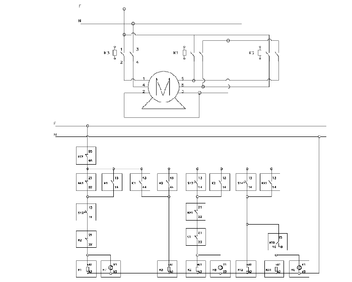
Os diagramas de força e comando abaixo se referem ao acionamento para inversão da rotação de motor de indução monofásico.

Com base nesses diagramas, assinale a alternativa correta.
Provas
Um curto-circuito de 9 kA ocorre ao final de um barramento formado por duas barras de seção circular de 50 mm2 e comprimento de 1500 mm, separadas por uma distância de 80 mm.
Se o limite da deformação elástica do material da barra ocorre para uma tensão mecânica de até 6000 kN/m2, com ruptura em caso da tensão mecânica exceder 7025 kN/m2, pode-se afirmar que:
Provas
Provas

Provas
- Transformadores e Máquinas ElétricasPrincípios BásicosPerdas, rendimento, torque, potência, ângulo de potência e funcionamento geral
A Norma IEEE std C37.102 alerta que uma sobre- -excitação ocorre sempre que a razão entre tensão e frequência nos terminais da máquina exceder 105 % dos valores nominais, impondo um sobrefluxo que deve ser detectado por uma função de proteção com código ANSI 24.
Se um gerador opera com tensão terminal de 220 V e frequência de 60 Hz, o máximo sobrefluxo será admissível para:
Provas
Provas
Provas

Provas
Caderno Container