Foram encontradas 485 questões.
Sabendo-se que os Flip-Flops do circuito mostrado a seguir são sensíveis à borda de descida do pulso de clock:

Assinale a alternativa que define a sua principal função.
Provas
Considere o circuito abaixo, sabendo que a tensão VGS no transistor Q1 é igual a 2 V:

Determine o valor aproximado da corrente que aciona o LED.
Provas
Analise o circuito a seguir, considerando todos os componentes ideais:

Assinale a alternativa que contém o valor aproximado do ganho de tensão Vo/Vi.
Provas
Analise o circuito a seguir, considerando todos os seus componentes como ideais:

Assinale a alternativa que contém o valor mais aproximado de Vo.
Provas
O circuito mostrado a seguir é uma esquematização simplificada de um conversor muito usado em multímetros digitais de baixo custo.

Assinale a alternativa que define a sua principal função.
Provas
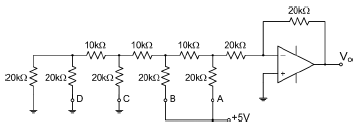
Considere que os componentes do circuito a seguir têm características ideais:

Determine a tensão de saída “VAB”.
Provas
Considere a tabela verdade apresentada a seguir:
|
A |
B | C | D | S |
| 0 | 0 | 0 | 0 | 1 |
| 0 | 0 | 0 | 1 | 0 |
| 0 | 0 | 1 | 0 | 1 |
| 0 | 0 | 1 | 1 | 0 |
| 0 | 1 | 0 | 0 | 0 |
| 0 | 1 | 0 | 1 | 1 |
| 0 | 1 | 1 | 0 | 0 |
| 0 | 1 | 1 | 1 | 1 |
| 1 | 0 | 0 | 0 | 1 |
| 1 | 0 | 0 | 1 | 0 |
| 1 | 0 | 1 | 0 | 1 |
| 1 | 0 | 1 | 1 | 0 |
| 1 | 1 | 0 | 0 | 0 |
| 1 | 1 | 0 | 1 | 1 |
| 1 | 1 | 1 | 0 | 0 |
| 1 | 1 | 1 | 1 | 1 |
É correto afirmar que a saída S, depois de minimizada, necessita para ser implementada de:
Provas
Considerando os diodos ideais no circuito abaixo:

Qual o valor da tensão “VD”?
Provas
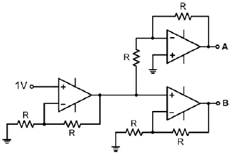
Considere os quatro circuitos apresentados a seguir:

É correto afirmar que as configurações apresentadas na sequência I, II, III, IV correspondem, respectivamente, aos filtros:
Provas
Considere o circuito apresentado a seguir.

É correto afirmar que se trata de um:
Provas
Caderno Container