Foram encontradas 60 questões.
A comercialização de energia elétrica no Brasil pode ocorrer em dois ambientes: ACL (Ambiente de Contratação Livre) e ACR (Ambiente de Contratação Regulada). No caso do ACL, o preço de referência é o PLD (Preço de Liquidação das Diferenças), o qual é calculado pela CCEE, com base no Custo Marginal de Operação. Atualmente, este cálculo é feito:
Provas
O ERAC – Esquema Regional de Alívio de Carga por Subfrequência, é um sistema especial de proteção, gerenciado pelo ONS (Operador Nacional do Sistema), que possui o objetivo de reestabelecer o equilíbrio entre a carga e a geração do sistema após a ocorrência de contingências severas, quando um grande bloco de geração é desconectado. O ERAC atua por meio de relés de taxa de variação de frequência no tempo (Δf/Δt) em uma janela de frequência e/ou por meio de relés de frequência absoluta, que atuam desligando automaticamente as cargas previamente estabelecidas, sempre que forem atingidos os valores pré-definidos de taxa de frequência, frequência absoluta e, caso exista, temporização. Qual é a frequência absoluta de referência para atuação do ERAC na região Sul?
Provas
Com a reestruturação do setor elétrico brasileiro, ocorrida na década de 1990, a indústria de energia elétrica do Brasil foi desverticalizada, e algumas funções básicas tiveram que ser reorganizadas, como foi o caso da programação da operação do Sistema Interligado Nacional e o despacho de energia. No caso do Brasil, o modelo de despacho adotado foi:
Provas
O conjunto de instalações de transmissão de energia elétrica do Sistema Interligado Nacional é chamado de Rede Básica, a qual inclui linhas de transmissão, subestações e demais equipamentos associados de tensão igual ou superior a 230 kV. O Operador Nacional do Sistema Elétrico (ONS) define os requisitos mínimos para subestações e seus equipamentos da rede básica. No caso de arranjos de barramentos para subestações com isolamento a ar de tensão igual ou superior a 345 kV, a condição básica dos arranjos, segundo o ONS, é:
Provas
Disciplina: Segurança e Saúde no Trabalho (SST)
Banca: ACAFE
Orgão: CELESC
A NR 10 é a norma regulamentadora que estabelece os requisitos e condições mínimas para garantir a segurança e a saúde dos trabalhadores, que direta ou indiretamente interajam em instalações elétricas e serviços de eletricidade. Segundo esta norma, a partir de uma determinada tensão, as intervenções em instalações elétricas somente podem ser realizadas por trabalhadores que obedeçam ao item 10.8 desta norma. Esta tensão, em corrente alternada, é igual ou superior a:
Provas
Seja o circuito acoplado magneticamente abaixo, com Vca = 122.cos(5000t). O valor eficaz (RMS) da magnitude da tensão VL é:

Provas
Sabendo que o circuito abaixo está há muito tempo na situação indicada, e que no tempo t = 0 a chave abre, a tensão no capacitor para t = 0+ é:

Provas
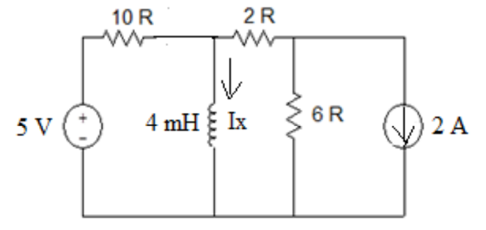
O circuito abaixo está na situação indicada por um tempo muito longo. A corrente de carga no indutor (Ix) é:

Provas
Considere que um sistema trifásico desequilibrado de correntes seja dado por:
\( I_a^{^\bullet}=\ 10\ \underline{|30º}\ A \)
\( I_b^{^\bullet}=\ 30\ \underline{|-60º}\ A \)
\( I_c^{^\bullet}=\ 15\ \underline{|145º}\ A \)
A magnitude da corrente de sequência positiva \( (I_{a+}^{^\bullet}) \) é:
Provas
Seja o circuito abaixo, alimentado por uma fonte senoidal de 220 Vef e 60 Hz, no qual uma carga Zl deve ser conectada. Para que ocorra a máxima transferência de potência possível da fonte para a carga, o módulo da impedância Zl, conectado entre os pontos a e b, deve ser igual a:

Provas
Caderno Container