Foram encontradas 260 questões.
Sobre os transformadores, é INCORRETO afirmar que
Provas
Questão presente nas seguintes provas
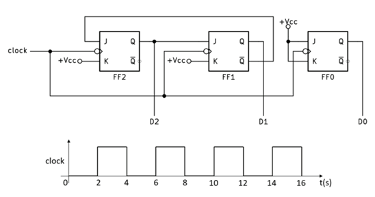
Examine o circuito lógico abaixo e a forma de onda do sinal de clock.
A saída D2 representa o bit mais significativo, e D0, o bit menos significativo. Em t=0 segundos, os flip-flops FF0, FF1 e FF2 apresentam nível lógico zero em suas saídas Q.
Com base nessas informações, assinale a alternativa INCORRETA:
A saída D2 representa o bit mais significativo, e D0, o bit menos significativo. Em t=0 segundos, os flip-flops FF0, FF1 e FF2 apresentam nível lógico zero em suas saídas Q.
Com base nessas informações, assinale a alternativa INCORRETA:
Provas
Questão presente nas seguintes provas
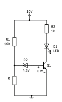
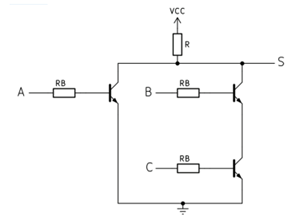
Observe o circuito a seguir.
Considerando um hFE elevado para o transistor, de modo que ele opere somente nas regiões de corte ou saturação, o menor valor de R que permite que o LED D1 acenda é:
Considerando um hFE elevado para o transistor, de modo que ele opere somente nas regiões de corte ou saturação, o menor valor de R que permite que o LED D1 acenda é:
Provas
Questão presente nas seguintes provas
Observe o circuito abaixo.
Esse circuito realiza uma função lógica booleana. Uma expressão que descreve essa função é:
Esse circuito realiza uma função lógica booleana. Uma expressão que descreve essa função é:
Provas
Questão presente nas seguintes provas
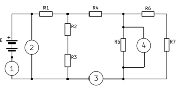
Considerando o circuito abaixo, julgue as afirmações a seguir.
I - O instrumento 4 pode ser um ohmímetro medindo a resistência do resistor R5.
II- O instrumento 3 pode ser um amperímetro medindo a corrente do resistor R4.
III- O instrumento 2 deve apresentar resistência interna idealmente infinita.
IV- Se o resistor R7 queimar abrindo o circuito, a medida de 3 será menor, e a medida de 2 não se altera.
Em relação ao circuito acima, são corretas as afirmativas
I - O instrumento 4 pode ser um ohmímetro medindo a resistência do resistor R5.
II- O instrumento 3 pode ser um amperímetro medindo a corrente do resistor R4.
III- O instrumento 2 deve apresentar resistência interna idealmente infinita.
IV- Se o resistor R7 queimar abrindo o circuito, a medida de 3 será menor, e a medida de 2 não se altera.
Em relação ao circuito acima, são corretas as afirmativas
Provas
Questão presente nas seguintes provas
Um técnico precisou avaliar o funcionamento de um transistor bipolar como o da figura abaixo.
Para isso, ele utilizou um multímetro digital na escala de medição de resistência.
Para realizar o teste, o técnico utilizou as pontas de prova positiva (+) e negativa (-) do multímetro, ligando-as alternadamente aos terminais do transistor para a obtenção das medidas. Foi verificado que os valores de resistência medidos eram baixos ou muito altos. O técnico então anotou os estados das medidas na tabela a seguir.
Em relação ao teste, é correto afirmar que o transistor
Para realizar o teste, o técnico utilizou as pontas de prova positiva (+) e negativa (-) do multímetro, ligando-as alternadamente aos terminais do transistor para a obtenção das medidas. Foi verificado que os valores de resistência medidos eram baixos ou muito altos. O técnico então anotou os estados das medidas na tabela a seguir.
Em relação ao teste, é correto afirmar que o transistor
Provas
Questão presente nas seguintes provas
Sobre os componentes eletrônicos a seguir, representados pelas figuras de (a) até (g), analise as
afirmativas a seguir.
I- O componente representado em (a) possui somente o disparo controlado pelo terminal de gatilho, enquanto o componente (c) possui tanto o disparo quanto o bloqueio controláveis pelo terminal gate.
II- Os componentes (d) e (e) são transistores de efeito de campo e são utilizados em conversores chaveados como o Boost e o Flyback.
III- O componente (g) é um TRIAC, que pode ser utilizado em circuitos gradadores, como é o caso de um dimmer de lâmpada incandescente. O componente (b) é um diodo Schottky, caracterizado por um tempo de atuação relativamente menor do que um diodo retificador.
Está(ão) correta(s) a(s) afirmativa(s)
I- O componente representado em (a) possui somente o disparo controlado pelo terminal de gatilho, enquanto o componente (c) possui tanto o disparo quanto o bloqueio controláveis pelo terminal gate.
II- Os componentes (d) e (e) são transistores de efeito de campo e são utilizados em conversores chaveados como o Boost e o Flyback.
III- O componente (g) é um TRIAC, que pode ser utilizado em circuitos gradadores, como é o caso de um dimmer de lâmpada incandescente. O componente (b) é um diodo Schottky, caracterizado por um tempo de atuação relativamente menor do que um diodo retificador.
Está(ão) correta(s) a(s) afirmativa(s)
Provas
Questão presente nas seguintes provas
Sobre o código de cores dos resistores de 4 faixas, analise a tabela a seguir:
Assinale a alternativa na qual os resistores são apresentados em ordem crescente de resistência.
Assinale a alternativa na qual os resistores são apresentados em ordem crescente de resistência.
Provas
Questão presente nas seguintes provas
Para o circuito a seguir, analise as seguintes afirmativas:
I - O Diodo zener D1 irá conduzir.
II- O módulo da tensão da fonte de corrente I1 é 18 volts.
III- O módulo da tensão em R2 é 4 volts.
IV- O módulo da corrente que circula na fonte de tensão E1 é de 4 mA.
Em relação ao circuito, está correto o que se afirma em
I - O Diodo zener D1 irá conduzir.
II- O módulo da tensão da fonte de corrente I1 é 18 volts.
III- O módulo da tensão em R2 é 4 volts.
IV- O módulo da corrente que circula na fonte de tensão E1 é de 4 mA.
Em relação ao circuito, está correto o que se afirma em
Provas
Questão presente nas seguintes provas
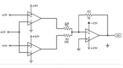
Dado o circuito a seguir e, sabendo-se que os amplificadores operacionais são ideais, calcule a
tensão de saída VO do circuito e assinale a alternativa correta.


Provas
Questão presente nas seguintes provas
Cadernos
Caderno Container