Foram encontradas 437 questões.
Julgue o item seguinte, relativo às subestações, os seus arranjos, os tipos e os equipamentos utilizados em sua construção.
A potência térmica de um transformador de potencial é a maior potência aparente que ele pode fornecer em regime permanente, sob tensão e frequência nominais, sem que se excedam os limites de temperatura para a sua classe de isolamento.
Provas
Questão presente nas seguintes provas
Acerca dos transformadores elétricos, julgue o item seguinte.
No modelo do transformador monofásico real, para a determinação da resistência de perdas no núcleo, são considerados o efeito das correntes de circulação, as quais podem ser minimizadas pela laminação do ferro, e as perdas por histerese do material ferromagnético, as quais são proporcionais à frequência.
Provas
Questão presente nas seguintes provas
Em relação à luminotécnica, julgue o próximo item.
Na seleção da iluminância ou iluminamento, consideram-se fatores como as características da tarefa a ser executada no ambiente e o grupo de tarefas visuais, sendo desnecessária a informação da faixa etária do observador que irá utilizar a iluminação.
Provas
Questão presente nas seguintes provas
Julgue o item seguinte, relativo aos motores elétricos.
O motor monofásico de fase dividida possui o torque limitado pelo ângulo máximo de defasagem entre as correntes dos enrolamentos auxiliar e principal. Uma possível solução para o aumento do torque é a instalação de um capacitor de partida em paralelo com o enrolamento principal e o interruptor centrífugo.
Provas
Questão presente nas seguintes provas
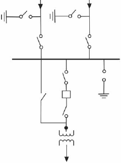
Julgue o item seguinte, relativo às subestações, os seus arranjos, os tipos e os equipamentos utilizados em sua construção.
O arranjo de subestação com duas entradas radiais ilustrado na figura abaixo só permite a alimentação da subestação por uma entrada de cada vez, o que causa o desligamento da carga em caso de necessidade de transferência de fonte.

Provas
Questão presente nas seguintes provas
Julgue o próximo item, a respeito das diversas formas de geração de energia.
Considere a figura seguinte, que ilustra o diagrama de blocos de um sistema solar fotovoltaico com rendimento igual a 95%, no qual a radiação solar é constante durante determinado período de tempo, e PCS é um subsistema condicionador de potência. Nesse diagrama, a potência gerada pelo sistema, no período, varia exponencialmente com o tempo.

Provas
Questão presente nas seguintes provas
Julgue o próximo item, a respeito das diversas formas de geração de energia.
A potência de operação normal de uma turbina eólica com controle por passo variável está ilustrada corretamente na figura abaixo, em que o ponto A corresponde à velocidade da turbina quando ela começa a produzir eletricidade e o ponto B, à situação em que os ventos atingem velocidade excessiva.

Provas
Questão presente nas seguintes provas
No que se refere aos termos e símbolos que subsidiam o trabalho do projetista na realização de projetos elétricos, julgue o item.
No dimensionamento da rede primária de uma rede telefônica interna cuja caixa de distribuição em uma prumada está ilustrada a seguir, o número ideal de pares de cabos FI 60-R que essa caixa deve atender é igual a 10.

Provas
Questão presente nas seguintes provas
No que se refere aos termos e símbolos que subsidiam o trabalho do projetista na realização de projetos elétricos, julgue o item.
A figura I abaixo ilustra o símbolo correspondente a um ponto de luz fluorescente no teto, ao passo que a figura II ilustra o símbolo correspondente a um ponto de luz fluorescente embutido no teto.

Provas
Questão presente nas seguintes provas
Julgue o item subsecutivo, a respeito dos princípios do orçamento público e de sustentabilidade urbana.
Conforme a Agenda 21 Global, o objetivo dos assentamentos humanos é melhorar a qualidade social, econômica e ambiental do espaço e as condições de vida e de trabalho da população, em especial dos pobres residentes em áreas urbanas e rurais.
Provas
Questão presente nas seguintes provas
Cadernos
Caderno Container