Foram encontradas 50 questões.
Um casal de patinadores faz uma apresentação de patinação artística no gelo, quando, em dado momento, estando os dois em repouso, o homem, de 72 kg, empurra sua companheira, de 48 kg, na horizontal e ela passa a se mover a uma velocidade de 18 km/h.
Considerando apenas as forças de interação entre o casal, qual é o impulso aplicado ao rapaz, em N.s, na interação entre eles?
Provas
A instalação elétrica necessita de um bom planejamento para não colocar em risco a vida de pessoas que transitam no local onde foram realizadas. Exemplos do que o mau planejamento pode causar podem ser vistos nas chamadas das notícias a seguir.

Disponível em: https://www.folhavitoria.com.br/geral/noticia/08/2021/susto-curto-circuito-em-tomada-provoca-incendio-em-apartamento-em-viana visitado.
Acesso em: 14 ago. 2021.

Disponível em: https://g1.globo.com/sp/itapetininga-regiao/noticia/2021/08/11/curto-circuito-em-poste-causa-incendio-e-deixa-moradores-sem-energia-eletrica-em-buri.ghtml.
Acesso em: 14 ago. 2021.
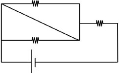
Os problemas elétricos citados nas notícias estão representados nos circuitos a seguir.
Considere como sendo a resistência dos elementos do circuito.
(Despreze a resistência dos fios de ligação e da fonte.) Em qual dos circuitos há risco de incêndio?
Provas
Os freios representam uma parte essencial do sistema de um automóvel e diversos acidentes são causados devido ao mau funcionamento desse equipamento. O freio ABS representou uma evolução muito importante no sistema de frenagem pois evita muitos acidentes: o carro consegue parar completamente percorrendo uma distância menor, uma vez que esse tipo de freio evita a derrapagem.
A seguir, representa-se esquematicamente como ocorre a variação da força de atrito entre o pneu e a pista em função da pressão aplicada no pedal de freio, utilizando sistema de frenagem sem ABS e com ABS, respectivamente:

De acordo com esses gráficos, assinale a alternativa que apresenta a justificativa da maior eficiência no uso dos freios ABS.
Provas
Em um parque construiu-se uma piscina de ondas. Na extremidade dessa piscina, uma grande barra se move tocando a água com uma frequência que pode ser ajustada pelo operador. Em um dado instante, a barra toca a água uma vez a cada 5 segundos, criando ondas cuja distância entre duas cristas consecutivas é de 50 cm.
Se a frequência for duplicada, as novas ondas terão comprimento de onda e velocidade de propagação na piscina, respectivamente, de:
Provas
Mariana mora em uma cidade no interior de Minas Gerais e, em suas férias, resolveu visitar os Lençóis Maranhenses, famoso por suas dunas.

Disponível em: https://viajento.com/2017/12/15/lencois-maranhenses-como-se-formam-as-dunas-e-as-lagoas. Acesso em: 14 ago. 2021.
Devido aos altos preços dos passeios, ela resolveu utilizar seu próprio veículo para passear nas dunas. Porém, diferentemente do que acontece com os veículos próprios para esse passeio, o carro atolou nas areias, sendo necessário acionar um reboque.
Por que o carro de Mariana, diferentemente dos demais transportes da região, atolou na areia?
Provas
O Comandante-geral do Corpo de Bombeiros Militar de Minas Gerais informou que 16 combatentes morreram vítimas do coronavírus. “Temos identificado e trabalhado com cada um dos comandantes [...] para demonstrar a importância da mesma”, informou o comandante-geral. Para isso, palestras com profissionais da área de saúde tem sido realizadas para conscientizar a importância da vacina contra a Covid-19.
Disponível em: https://www.em.com.br/app/noticia/gerais/2021/06/28/interna_gerais,1281378/covid-19-142-bombeiros-militares-recusaram-vacina-em-minas-diz-comandante.shtml. Acesso em: 31 jul. 2021 (adaptado).
O trabalho de conscientização realizado pelos profissionais da saúde com o Corpo de Bombeiros Militar de Minas Gerais é importante porque
Provas
Bombeiros realizam campanha de doação de sangue
Por conta da baixa dos estoques, o Corpo de Bombeiros da Polícia Militar do Estado de São Paulo se solidarizou à Pró-Sangue e deu início a uma campanha de doação de sangue junto aos seus efetivos. Dos 200 bombeiros que participaram da doação, 60% eram do tipo sanguíneo A, 20% do tipo O, 10% do tipo AB e 10% do tipo B. Um total de 50% dos doadores dos tipos A e do tipo B eram Rh positivos. Já os tipos sanguíneos AB e O tinham 25% de doadores Rh positivos.
Disponível em: https://www.saopaulo.sp.gov.br/spnoticias/orgaos-governamentais/pro-sangue/bombeiros-realizam-campanha-de-doacao-de-sangue/. Acesso em: 31 jul. 2021 (adaptado).
Campanhas de doação de sangue são sempre bem-vindas para reabastecer o estoque dos Hemocentros. Todos os tipos sanguíneos são importantes, mas um deles é caracterizado como doador universal.
Na campanha realizada pelos bombeiros, a doação desse tipo de sangue correspondeu a um número total de
Provas
Governo lança plano para combater incêndios florestais
Entre os quase 6 mil homens envolvidos na operação, 200 são bombeiros e policiais militares da Força Nacional de Segurança Pública. A operação conta também com mais 900 bombeiros de outras unidades da federação, que estão fora do foco de atuação e poderão ser enviados para reforçar o efetivo, caso necessário. A Operação Guardiões do Bioma terá início com a fiscalização do maior e do menor bioma do Brasil. O primeiro apresenta grande biodiversidade e clima equatorial, já o segundo é caracterizado como a maior planície inundável do mundo.
Disponível em: https://agenciabrasil.ebc.com.br/geral/noticia/2021-07/governo-lanca-plano-para-combater-incendios-florestais. Acesso em: 31 jul. 2021 (adaptado).
Os biomas são classificados como grandes áreas ecológicas com características semelhantes. Conhecer as características de cada um deles é fundamental para operações como a dos “Guardiões do Bioma”, que atuarão, segundo o texto, respectivamente nos biomas:
Provas
Com hipotermia, homem em situação de rua é socorrido pelos bombeiros
Na madrugada de domingo, por volta das 3h, equipes de bombeiros de Conselheiro Lafaiete foram acionadas para comparecer ao bairro São Dimas, onde um morador de uma residência informou que avistou um homem deitado na calçada, somente com uma bermuda e inconsciente. A vítima estava com a pele bastante fria e com sinais de hipotermia, como tremores. No horário, a temperatura estava entre 6 °C e 8 °C. Durante o atendimento, foi verificada a baixa saturação de oxigênio, dificuldade para respirar e níveis baixos de batimentos cardíacos. O homem foi envolto em uma manta aluminizada para aumentar a temperatura corporal e encaminhado ao pronto-socorro municipal.
Disponível em: http://www.jornalcorreiodacidade.com.br/noticias/22977-com-hipotermia-homem-em- situacao-de-rua-e-socorrido-pelos-bombeiros. Acesso em: 31 jul. 2021 (adaptado).
Em 2021 houve vários recordes de temperatura baixa no Brasil, acompanhados de episódios como o descrito no texto. Esses episódios podem levar à morte porque
Provas
Bombeiros resgatam vítimas de naufrágio no Marajó
Ao chegar no local do naufrágio, os bombeiros identificaram cinco homens com idades entre 14 e 66 anos, que se encontravam debilitados e nervosos. A primeira ação dos bombeiros foi tranquilizar as vítimas para mantê-las flutuando. O afogamento é a quarta causa de morte acidental em adultos. [...] A pessoa aspira muita água, que encharca os pulmões, causando asfixia, inconsciência e até a morte. Os cinco homens foram retirados da água com vida.
Disponível em: https://www.agenciapara.com.br/noticia/28805/. Acesso em: 30 jul. 2021 (adaptado).
Tranquilizar as vítimas é o primeiro passo que profissionais de resgate devem fazer durante um acidente. Esse passo foi importante no resgate realizado, pois evitou a asfixia que poderia ocorrer devido
Provas
Caderno Container