Magna Concursos

Foram encontradas 460 questões.

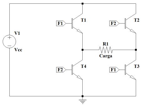
2746333 Ano: 2023
Disciplina: Eletroeletrônica
Banca: FUNCERN
Orgão: Câm. Natal-RN

O diagrama abaixo é uma simplificação de uma aplicação utilizando transistores.

Enunciado 3525712-1

Nesse diagrama, a fonte V1 é de natureza contínua, e a carga R representa a saída do circuito. Com relação aos transistores, os elementos T1 e T3 são polarizados na base pelo mesmo sinal “F1”, enquanto os elementos T2 e T4 são polarizados pelo mesmo sinal de controle “F2”. Esse diagrama simplificado está representando um

 

Provas

Questão presente nas seguintes provas
2746332 Ano: 2023
Disciplina: Eletroeletrônica
Banca: FUNCERN
Orgão: Câm. Natal-RN

O diagrama abaixo representa um circuito resistivo em corrente contínua. Nesse circuito, a fonte V1 é responsável pelo fornecimento de energia aos resistores.

Enunciado 3525711-1

Portanto, a potência fornecida pela fonte V1, nesta configuração, é de, aproximadamente,

 

Provas

Questão presente nas seguintes provas
2746331 Ano: 2023
Disciplina: Eletroeletrônica
Banca: FUNCERN
Orgão: Câm. Natal-RN
Nas instalações elétricas de baixa tensão atuais, é primordial ter como objetivo a eficiência energética durante a fase de projeto. Na iluminação residencial, por exemplo, as lâmpadas LEDs têm tomado o lugar das lâmpadas incandescentes e fluorescentes, sobretudo em razão de possuir uma
 

Provas

Questão presente nas seguintes provas
2746330 Ano: 2023
Disciplina: Eletroeletrônica
Banca: FUNCERN
Orgão: Câm. Natal-RN
O sinal de tensão alternada abaixo foi obtido utilizando-se um osciloscópio ligado a um ponto energizado. Enunciado 3525709-1

Esse sinal de tensão alternada possui os parâmetros elétricos de “tensão eficaz” e “frequência”, respectivamente, iguais a
 

Provas

Questão presente nas seguintes provas
2746329 Ano: 2023
Disciplina: Eletroeletrônica
Banca: FUNCERN
Orgão: Câm. Natal-RN
A Norma Brasileira (NBR) 5410 regulamenta as instalações elétricas de baixa tensão. Dentre vários pontos abordados, torna obrigatório o uso de dispositivos de proteção contra os choques elétricos, sobretudo em instalações que possuam chuveiro elétrico, ou prevejam a sua instalação posterior. O dispositivo que é capaz de detectar a existência de uma corrente de fuga em um circuito e desligá-lo prontamente é chamado de
 

Provas

Questão presente nas seguintes provas
2746328 Ano: 2023
Disciplina: Eletroeletrônica
Banca: FUNCERN
Orgão: Câm. Natal-RN
Alicates amperímetros são instrumentos úteis para se medir corrente elétrica de maneira não invasiva, ou seja, sem interferir, fisicamente, no circuito mensurado. Entretanto, não são instrumentos imunes aos erros. Um amperímetro com gama de medição entre 0 e 50 Ampères – com erro máximo de 0,2 A – que detecta, em um condutor, uma corrente de 12,5 A terá erro relativo de medição igual a
 

Provas

Questão presente nas seguintes provas
2746327 Ano: 2023
Disciplina: Eletroeletrônica
Banca: FUNCERN
Orgão: Câm. Natal-RN
Motores elétricos são máquinas capazes de converter energia elétrica em energia mecânica, como é o caso dos ventiladores domésticos. Já os geradores elétricos fazem o oposto: são máquinas capazes de converter energia mecânica em energia elétrica, como ocorre nos geradores eólicos. Muitos motores podem atuar como geradores, e vice-versa, por trabalharem sob o princípio da indução eletromagnética (Lei de Faraday). O principal requisito para um motor de indução poder atuar como gerador é o de
 

Provas

Questão presente nas seguintes provas
2746326 Ano: 2023
Disciplina: Eletroeletrônica
Banca: FUNCERN
Orgão: Câm. Natal-RN
Equipamentos eletroeletrônicos que fazem uso de baterias recarregáveis têm se tornado cada vez mais presentes no cotidiano doméstico. Um parâmetro importante é a autonomia dessas baterias, que determina seu tempo de funcionamento desconectado da tomada. A autonomia é medida pela quantidade de “mAh” (mili Ampères-hora) ou “Ah” (Ampères-hora) que a bateria dispõe. A unidade de medida 'mAh' (milis Ampères-hora) ou 'Ah' (Ampères-hora) refere-se à
 

Provas

Questão presente nas seguintes provas
2746325 Ano: 2023
Disciplina: Direito Financeiro
Banca: FUNCERN
Orgão: Câm. Natal-RN
Segundo a Lei Complementar nº 101/2000, é facultado aos Municípios com menos de 50.000 habitantes optar por divulgar o Relatório de Gestão Fiscal
 

Provas

Questão presente nas seguintes provas
2746324 Ano: 2023
Disciplina: Direito Financeiro
Banca: FUNCERN
Orgão: Câm. Natal-RN
De acordo com a Lei de Responsabilidade Fiscal, o Relatório Resumido de Execução Orçamentária e o Relatório de Gestão Fiscal serão divulgados, respectivamente,
 

Provas

Questão presente nas seguintes provas