Magna Concursos

Foram encontradas 231 questões.

3951688 Ano: 2025
Disciplina: TI - Sistemas Operacionais
Banca: Instituto Seletiva
Orgão: Câm. Angra Reis-RJ
Provas:
Em uma estação Windows XP, o administrador deseja impedir que usuários alterem as configurações do Painel de Controle. Assinale a alternativa correta que apresenta a ferramenta do sistema a ser utilizada para aplicar essa restrição localmente.
 

Provas

Questão presente nas seguintes provas
3951687 Ano: 2025
Disciplina: TI - Sistemas Operacionais
Banca: Instituto Seletiva
Orgão: Câm. Angra Reis-RJ
Provas:
Um administrador de rede precisa auditar tentativas de logon com falha em estações Windows XP pertencentes a um domínio. Assinale a alternativa correta que apresenta a ferramenta nativa a ser utilizada para visualizar esses registros.
 

Provas

Questão presente nas seguintes provas
3951686 Ano: 2025
Disciplina: TI - Sistemas Operacionais
Banca: Instituto Seletiva
Orgão: Câm. Angra Reis-RJ
Provas:
Um analista de suporte foi acionado porque diversos usuários não conseguem imprimir em rede. Ele abre o services.msc e verifica que o “Spooler de Impressão” está parado. Assinale a alternativa correta que apresenta a ação a ser realizada para restaurar a funcionalidade de impressão, sem reiniciar o sistema.
 

Provas

Questão presente nas seguintes provas
3951685 Ano: 2025
Disciplina: TI - Sistemas Operacionais
Banca: Instituto Seletiva
Orgão: Câm. Angra Reis-RJ
Provas:
Durante a instalação do Windows XP em um microcomputador, o técnico precisa definir o sistema de arquivos do volume onde o sistema será instalado. Considerando desempenho, segurança e compatibilidade, assinale a alternativa correta que apresenta o formato mais indicado para tanto.
 

Provas

Questão presente nas seguintes provas
3951684 Ano: 2025
Disciplina: Eletroeletrônica
Banca: Instituto Seletiva
Orgão: Câm. Angra Reis-RJ
Provas:
A interpretação correta de plantas e projetos elétricos é uma habilidade fundamental para o eletrotécnico. Analise o trecho do projeto elétrico de baixa tensão apresentado abaixo, que detalha as áreas de cozinha, estar/refeições e Quarto 01: 
Enunciado 4890752-1
Com base nas informações contidas no projeto acima, assinale a alternativa correta.
 

Provas

Questão presente nas seguintes provas
3951683 Ano: 2025
Disciplina: Eletroeletrônica
Banca: Instituto Seletiva
Orgão: Câm. Angra Reis-RJ
Provas:
Um eletrotécnico precisa realizar medições de tensão e corrente nas strings de módulos fotovoltaicos de um sistema conectado à rede, onde a tensão máxima de operação em circuito aberto é de 1000 VCC. Este é um ambiente de instalação fixa e exposto a surtos de tensão: 
Enunciado 4890751-1
De acordo com as normas de segurança para equipamentos de medição, assinale a alternativa correta que apresenta a classificação de segurança (CAT) mínima recomendada para o instrumento de medição a ser utilizado.
 

Provas

Questão presente nas seguintes provas
3951682 Ano: 2025
Disciplina: Engenharia Elétrica
Banca: Instituto Seletiva
Orgão: Câm. Angra Reis-RJ
Provas:
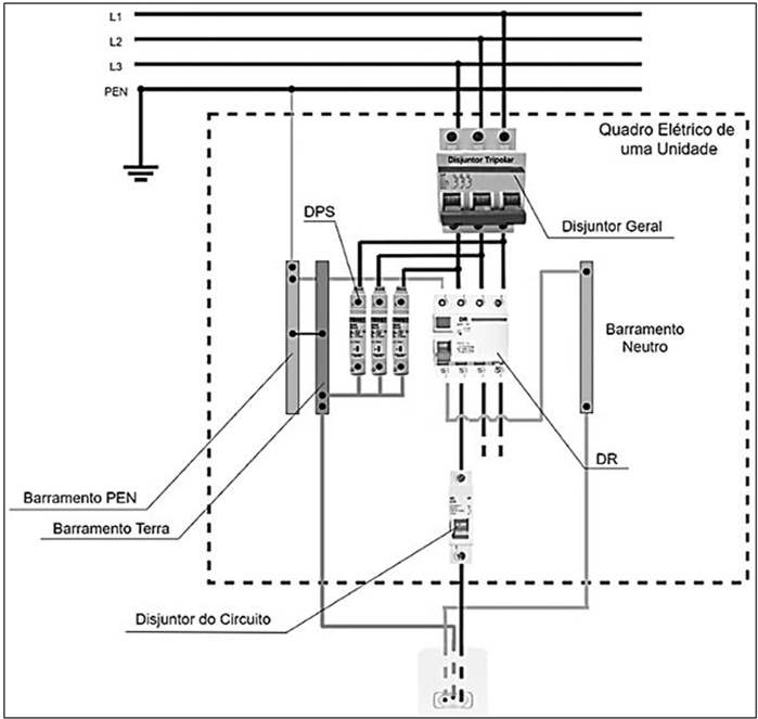
Considere o diagrama de força simplificado abaixo, que representa a entrada de energia e o quadro de medição de uma unidade consumidora em baixa tensão:
Enunciado 4890750-1
O esquema de aterramento implementado é classificado, conforme a ABNT NBR 5410, como
 

Provas

Questão presente nas seguintes provas
3951681 Ano: 2025
Disciplina: Engenharia Elétrica
Banca: Instituto Seletiva
Orgão: Câm. Angra Reis-RJ
Provas:
O dimensionamento de instalações elétricas não se limita apenas à ampacidade e à queda de tensão. O dimensionamento completo, especialmente em circuitos de força e média tensão, inclui a verificação da resistência mecânica dos componentes (cabos, barramentos, isoladores) para suportar as forças dinâmicas geradas durante um curto-circuito. Considere um circuito monofásico de alimentação composto por dois condutores paralelos e próximos: um condutor de Fase (ida) e um condutor de Neutro (retorno), que conduzem corrente de uma fonte para uma carga: 
Enunciado 4890749-1
Em regime normal, as correntes nos dois condutores possuem o mesmo valor eficaz, mas circulam em sentidos opostos. Em um evento de curto-circuito na carga, a corrente elétrica pode atingir valores de pico instantâneos extremamente elevados (Icc≫Inominal). Nesta situação de sobrecorrente momentânea, assinale a alternativa correta que apresenta o efeito predominante das forças eletromecânicas (Força de Ampère), que atuarão sobre os dois condutores do circuito, e como essa força se manifestará.
 

Provas

Questão presente nas seguintes provas
3951680 Ano: 2025
Disciplina: Engenharia Elétrica
Banca: Instituto Seletiva
Orgão: Câm. Angra Reis-RJ
Provas:

Considere a forma de onda de tensão (V) e corrente (i) a seguir, de uma carga ZL alimentada por uma fonte CA:

Enunciado 4890748-1

Com base no gráfico entre a tensão e a corrente exibidas, assinale a alternativa correta que apresenta a natureza da carga e o seu fator de potência (FP).

 

Provas

Questão presente nas seguintes provas
3951679 Ano: 2025
Disciplina: Eletroeletrônica
Banca: Instituto Seletiva
Orgão: Câm. Angra Reis-RJ
Provas:
Um eletrotécnico precisa medir a tensão eficaz em um circuito de corrente alternada (CA) e utiliza um multímetro digital especificado pelo fabricante conforme tabela a seguir. O profissional tem a informação prévia de que o valor aferido está situado na faixa de 100 a 300 VCA.
Enunciado 4890747-1
Considerando que a leitura obtida foi exatamente 200,0 V, assinale a alternativa correta que apresenta a incerteza total (erro máximo) de medição associado a esta leitura. 
 

Provas

Questão presente nas seguintes provas