Foram encontradas 1.182 questões.
Determinada empresa utiliza prensas hidráulicas que, recentemente, têm apresentado falhas nos cilindros atuadores, causando paradas não planejadas e atrasos na produção. Análises revelaram como motivo da falha o desgaste excessivo dos anéis de vedação.
Com base na situação hipotética precedente, um benefício que a empresa pode esperar caso implemente práticas de manutenção preditiva na linha de prensas é a
Provas
Assinale a opção que corresponde a uma ação que caracteriza manutenção preventiva.
Provas
Considerando as características e aplicações da fundição em areia, assinale a opção correta.
Provas
Uma fábrica de alimentos necessita de um sistema de ar comprimido para acionar ferramentas pneumáticas em sua linha de produção. A demanda por ar comprimido nessa fábrica é contínua, com necessidade de alta vazão e pressão moderada.
Na situação precedente, consideradas as características dos diferentes tipos de compressores e as normas de segurança para a indústria alimentícia, a opção ideal para atender à demanda dessa empresa seria a implementação de um compressor
Provas
Considere que um técnico metalúrgico deva selecionar o processo de laminação mais adequado para produzir chapas de aço inoxidável com espessura de 1 mm e excelente acabamento superficial. Nesse caso, haja vista as características do material e o produto final desejado, o processo de laminação mais indicado é a laminação
Provas
Uma válvula de controle deve ser dimensionada para regular o fluxo de água em uma tubulação de 3 polegadas, com uma vazão máxima de 50 m3 /h e uma queda de pressão máxima de 5 bares.
Com base na situação hipotética apresentada, e considerando que a válvula será instalada em uma posição horizontal, assinale a opção em que é apresentado o parâmetro mais importante a ser considerado para o dimensionamento dessa válvula.
Provas
Determinado processo industrial requer uma válvula de controle para regular o fluxo de vapor saturado em uma tubulação com diâmetro nominal de 2 polegadas. A pressão de operação é de 10 bares e a temperatura do vapor é de 180 °C. A válvula deve garantir um controle preciso e rápido, com baixa perda de carga.
A partir da situação hipotética apresentada, é correto afirmar que a válvula ideal para essa aplicação é a válvula
Provas
Um técnico mecânico realizou uma análise em um sistema hidráulico e obteve os seguintes resultados no que concerne ao óleo desse sistema:
• viscosidade: 30% superior ao especificado pelo fabricante a 40 °C;
• contagem de partículas: 250 partículas/mL com tamanho superior a 10 μm;
• coloração: escura.
A partir dessas informações, assinale a opção que corresponde à causa mais provável para as condições obtidas pelo técnico.
Provas
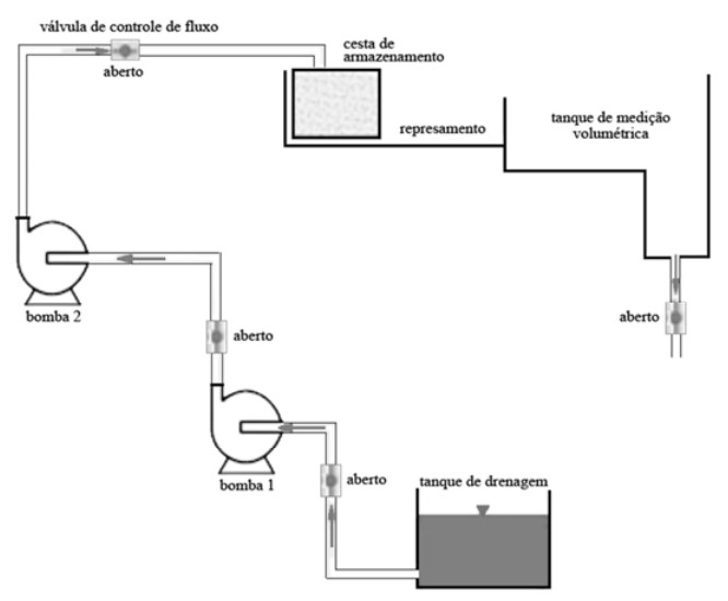
Um sistema hidráulico industrial utiliza duas bombas em série para elevar óleo hidráulico a um reservatório localizado 20 metros acima do nível inferior das bombas, conforme mostra a figura a seguir. A primeira bomba eleva o óleo em 10 metros e possui um rendimento de 85%. A segunda bomba eleva o óleo em mais 10 metros e tem um rendimento de 80%. A vazão do sistema é de 50 litros por minuto e a densidade do óleo é de 850 kg/m³.

Na situação precedente, considerando-se que a aceleração da gravidade seja igual a 10 m/s², a potência total consumida pelas duas bombas será
Provas
Um tubo horizontal de seção circular apresenta um estrangulamento no qual a área da seção transversal é reduzida à metade, conforme mostra a figura a seguir. A água escoa através do tubo com uma vazão Q1 de 0,2 m³/s na seção mais larga, cujo diâmetro é de 20 cm.

Nessa situação, considerando-se a água como um fluido ideal e incompressível, a velocidade da água no trecho mais estreito do tubo será
Provas
Caderno Container