Foram encontradas 196 questões.
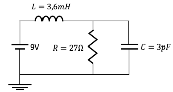
Considere o circuito a seguir, no estado estacionário, composto
por uma bateria de 9V, um indutor L, um resistor R e um
capacitor C.

A energia elétrica armazenada no capacitor e no indutor são, respectivamente, iguais a

A energia elétrica armazenada no capacitor e no indutor são, respectivamente, iguais a
Provas
Questão presente nas seguintes provas
Um determinado caixa eletrônico, alimentado por um circuito
monofásico de 220V, opera a uma potência aproximadamente
constante de 176W.
Considerando que o caixa eletrônico é uma carga totalmente resistiva, sua resistência elétrica equivalente é, em ohms,
Considerando que o caixa eletrônico é uma carga totalmente resistiva, sua resistência elétrica equivalente é, em ohms,
Provas
Questão presente nas seguintes provas
Assinale a opção que indica o tipo de fechadura eletrônica que
possui um leitor óptico que reconhece a impressão digital de
pessoas autorizadas a abri-la.
Provas
Questão presente nas seguintes provas
A equipe encarregada de desenvolver o projeto do circuito
fechado de TV de uma agência bancária quer empregar uma
solução que não necessite de cabeamento conectando as
câmeras, ou seja, serão usadas câmeras IP.
Assinale a opção que indica o tipo de sistema de armazenamento a ser empregado na gravação das imagens.
Assinale a opção que indica o tipo de sistema de armazenamento a ser empregado na gravação das imagens.
Provas
Questão presente nas seguintes provas
- EletrotécnicaInstalações Elétricas em Eletricidade
- EletrônicaLuminotécnica em Eletrônica
- Fator de Potência
Os 10 terminais de auto-atendimento de uma agência bancária
têm um consumo nominal de 880W e são alimentados por uma
UPS (Uninterruptible Power Supply). A UPS possui tensão nominal
de entrada e saída igual a 220V, fator de potência unitário e
sistema de baterias com capacidade igual a 9Ah.
O tempo máximo de operação ininterrupto e simultâneo dos 10 terminais de autoatendimento, em caso de queda do fornecimento de energia elétrica, será de
O tempo máximo de operação ininterrupto e simultâneo dos 10 terminais de autoatendimento, em caso de queda do fornecimento de energia elétrica, será de
Provas
Questão presente nas seguintes provas
A figura a seguir apresenta parte de um projeto elétrico de uma
instalação elétrica hipotética. Acidentalmente, um pouco de café
caiu sobre a prancha manchando-a na parte do projeto
identificada como “mancha”. 
Assinale a opção que indica a correta representação dos condutores que passam pelo trecho manchado.

Assinale a opção que indica a correta representação dos condutores que passam pelo trecho manchado.
Provas
Questão presente nas seguintes provas
A tensão sobre um determinado componente eletrônico em
operação pode ser visualizada num osciloscópio, conforme
imagem a seguir.

A imagem acima indica que o sinal de tensão senoidal

A imagem acima indica que o sinal de tensão senoidal
Provas
Questão presente nas seguintes provas
O circuito de polarização do transistor Q1 é composto de dois
resistores R1 = 100 kΩ e R2 = 1,5 kΩ.
O transistor bipolar de junção npn Q1 possui ganho de corrente de emissor comum β = 100 e VBE = +0,7 V.
Sabendo-se que V1 = +4V e V2 = +12V, a tensão VCE é aproximadamente igual a
O transistor bipolar de junção npn Q1 possui ganho de corrente de emissor comum β = 100 e VBE = +0,7 V.

Sabendo-se que V1 = +4V e V2 = +12V, a tensão VCE é aproximadamente igual a
Provas
Questão presente nas seguintes provas
O circuito a seguir é composto por uma associação mista de
fontes de tensão e resistências. O circuito foi dividido em duas
malhas, denominadas malhas A e B, cujas correntes I1 e I2 estão
indicadas no circuito.

Com relação à Lei das Malhas de Kirchhoff, considere as afirmativas a seguir.
I. A equação da malha A é 10 I1 - 8 I2 = -2 II. A equação da malha B é 8 I1 - 12 I2 = 4 III. A corrente I1 é -1/7 A
Está correto o que se afirma em

Com relação à Lei das Malhas de Kirchhoff, considere as afirmativas a seguir.
I. A equação da malha A é 10 I1 - 8 I2 = -2 II. A equação da malha B é 8 I1 - 12 I2 = 4 III. A corrente I1 é -1/7 A
Está correto o que se afirma em
Provas
Questão presente nas seguintes provas
A figura a seguir apresenta vários ramos com os sentidos e os
módulos de correntes elétricas que se encontram em um nó.

A corrente I deve ser igual a

A corrente I deve ser igual a
Provas
Questão presente nas seguintes provas
Cadernos
Caderno Container