Foram encontradas 60 questões.
No estudo de Vibrações Mecânicas, o fator de ampliação dinâmica,
ou coeficiente de amplitude, é um importante parâmetro para se
analisar a severidade da vibração do sistema para diferentes
frequências de excitação. Na figura a seguir, é mostrado o gráfico
do fator de ampliação pela razão entre a frequência de excitação
e a frequência natural de um sistema com fator de amortecimento
igual a 0,05.
Ao se analisar esse gráfico, é correto concluir que
Ao se analisar esse gráfico, é correto concluir que
Provas
Questão presente nas seguintes provas
Um engenheiro mecatrônico precisa especificar uma caixa de
redução de engrenagens para o sistema de locomoção de um robô
móvel. Esse trem de engrenagens deverá ter uma razão de
velocidades de -0,05.
Considerando-se que a maior razão de transmissão admissível para um par de engrenagens é de 10:1, assinale a opção que se mostra mais viável.
Considerando-se que a maior razão de transmissão admissível para um par de engrenagens é de 10:1, assinale a opção que se mostra mais viável.
Provas
Questão presente nas seguintes provas
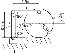
Para o mecanismo mostrado na figura a seguir, o disco, de raio 0,3
m, gira sem deslizamento com o solo. Considere que o elo de
entrada, elo 2, está girando com uma velocidade constante de 10
rad/s no sentido horário.
Para a posição mostrada na figura, determine a velocidade do centro do disco.
Para a posição mostrada na figura, determine a velocidade do centro do disco.
Provas
Questão presente nas seguintes provas
Um engenheiro mecatrônico precisa projetar um manipulador
robótico do tipo paralelo, ou seja, de cadeia cinemática fechada,
de dois graus de liberdade.
Assinale a opção que apresenta o número de atuadores que são necessários para movimentar esse robô de modo previsível e controlado.
Assinale a opção que apresenta o número de atuadores que são necessários para movimentar esse robô de modo previsível e controlado.
Provas
Questão presente nas seguintes provas
A massa específica de um fluido é uma propriedade física
importante na Mecânica dos Fluidos.
Sobre essa grandeza, é correto afirmar que
Sobre essa grandeza, é correto afirmar que
Provas
Questão presente nas seguintes provas
Na área da Robótica, a cinemática direta consiste na mudança da
representação da posição do manipulador de uma descrição no
espaço de juntas para uma descrição no espaço cartesiano. Na
figura a seguir é mostrado um manipulador robótico planar do tipo
RR.
Considerando que os elos móveis possuem comprimentos iguais a 1 m, obtenha a cinemática direta, ou seja, a posição do efetuador, ponto P, em coordenadas cartesianas para o instante mostrado na figura.
Considerando que os elos móveis possuem comprimentos iguais a 1 m, obtenha a cinemática direta, ou seja, a posição do efetuador, ponto P, em coordenadas cartesianas para o instante mostrado na figura.
Provas
Questão presente nas seguintes provas
Uma barra de aço, com módulo de elasticidade E igual a 200 GPa,
com seção quadrada de lado igual a 40 mm e comprimento igual a
1 m, é submetida a uma força axial de 160 kN.
O alongamento total da barra é
O alongamento total da barra é
Provas
Questão presente nas seguintes provas
A programação orientada a objetos é um paradigma de
programação que organiza o código em torno de objetos, em vez
de funções e lógica. Ela busca modelar entidades e situações do
mundo real.
Assinale a opção que apresenta corretamente o termo utilizado para descrever uma estrutura que define o comportamento geral que toda uma categoria de objetos pode ter.
Assinale a opção que apresenta corretamente o termo utilizado para descrever uma estrutura que define o comportamento geral que toda uma categoria de objetos pode ter.
Provas
Questão presente nas seguintes provas
O ciclo Otto é amplamente utilizado em motores de combustão
interna.
Assinale a opção que descreve corretamente as características desse ciclo.
Assinale a opção que descreve corretamente as características desse ciclo.
Provas
Questão presente nas seguintes provas
Um engenheiro mecatrônico precisa projetar um eixo para um
manipulador robótico. Este eixo, circular e sólido, deverá
transmitir 900 W enquanto gira a 60 rpm (rev/min). A tensão de
cisalhamento admissível é de 100 MPa. Assinale a opção que
apresenta o menor diâmetro admissível para esse eixo.
Considere π = 3.
Considere π = 3.
Provas
Questão presente nas seguintes provas
Cadernos
Caderno Container