Foram encontradas 1.650 questões.
A metodologia de projeto de eixos mecânicos leva em conta
critérios de tensões máximas e fadiga, sobre a qual são feitas as
três afirmações a seguir:
I. Em carregamentos proporcionais, as tensões provenientes da flexão e da torção devem ser combinadas por meio de um critério de tensões equivalentes, considerando os fatores de concentração de tensões;
II. A verificação da velocidade crítica é necessária quando o eixo está submetido a carregamentos dinâmicos variáveis, sendo dispensável em regimes de rotação constante;
III. O dimensionamento de eixos com base em critérios de fadiga pode desconsiderar efeitos de concentração de tensões quando o material apresenta limite de resistência à fadiga bem definido.
Assim, está correto o que se afirma em
I. Em carregamentos proporcionais, as tensões provenientes da flexão e da torção devem ser combinadas por meio de um critério de tensões equivalentes, considerando os fatores de concentração de tensões;
II. A verificação da velocidade crítica é necessária quando o eixo está submetido a carregamentos dinâmicos variáveis, sendo dispensável em regimes de rotação constante;
III. O dimensionamento de eixos com base em critérios de fadiga pode desconsiderar efeitos de concentração de tensões quando o material apresenta limite de resistência à fadiga bem definido.
Assim, está correto o que se afirma em
Provas
Questão presente nas seguintes provas
Um fio de aço de seção circular é trefilado em uma única passada,
reduzindo seu diâmetro de 10 mm para 8 mm. O aço do fio possui
limite de escoamento de 500 MPa. Assuma π = 3 e despreze os
fatores de concentração de tensões.
Desta forma, a maior força que pode ser exercida no fio durante a trefilação para evitar o escoamento é de
Desta forma, a maior força que pode ser exercida no fio durante a trefilação para evitar o escoamento é de
Provas
Questão presente nas seguintes provas
Seguindo a recomendação da ISO para um eixo de 25 mm de
diâmetro que deve girar em um furo com grande precisão, um
engenheiro adotou os ajustes H7 (tolerâncias +21 μm, 0) e g6
(tolerâncias -7 μm, -20 μm).
Assim, a folga máxima que pode ocorrer nessa montagem é de
Assim, a folga máxima que pode ocorrer nessa montagem é de
Provas
Questão presente nas seguintes provas
Durante a fabricação do aço em um conversor ou forno a oxigênio,
a etapa de injeção de oxigênio tem como principal objetivo:
Provas
Questão presente nas seguintes provas
Em uma instalação industrial, um fluido é resfriado fazendo-o
passar por um tubo no qual incide, perpendicularmente, um fluxo
de ar com velocidade 5 m/s e temperatura 20 ºC (a figura abaixo
representa uma vista 2D do processo). O tubo tem comprimento
de 50 cm e diâmetro externo 20 mm. Em regime permanente, a
temperatura externa do tubo é constante e igual a 120 ºC.
Estimando que o processo de resfriamento retire 60 W de calor do fluido, é correto afirmar que o coeficiente de troca de calor por convecção vale
Estimando que o processo de resfriamento retire 60 W de calor do fluido, é correto afirmar que o coeficiente de troca de calor por convecção vale
Provas
Questão presente nas seguintes provas
Um reservatório fechado, com volume 60 litros, está cheio de ar
pressurizado (assumir que a massa do ar pressurizado vale
100 gramas), a 26,85ºC, quando o sistema recebe 7000 J de calor.
Assumindo que o calor específico a volume constante do ar vale 700 J/kg.K e que a constante dos gases para o ar vale 300 J/kg.K, a pressão final no reservatório será de
Assumindo que o calor específico a volume constante do ar vale 700 J/kg.K e que a constante dos gases para o ar vale 300 J/kg.K, a pressão final no reservatório será de
Provas
Questão presente nas seguintes provas
Um tubo de Pitot está sendo usado para medir a velocidade de um
fluxo de ar que, nessa situação, pode ser considerado
incompressível, conforme mostrado na figura a seguir.
Considerando que o fluido manométrico possui massa específica igual a 2 g/cm3 , que o fluido escoando é ar (massa específica 1 kg/m3 ), que a diferença entre as alturas das colunas de fluido manométrico no ponto e antes do ponto de medição vale 10 mm, e que g = 10 m/s2 , a velocidade do escoamento é de
Considerando que o fluido manométrico possui massa específica igual a 2 g/cm3 , que o fluido escoando é ar (massa específica 1 kg/m3 ), que a diferença entre as alturas das colunas de fluido manométrico no ponto e antes do ponto de medição vale 10 mm, e que g = 10 m/s2 , a velocidade do escoamento é de
Provas
Questão presente nas seguintes provas
Um reservatório fechado de água (massa específica de 1 kg/l) tem
sua parte superior preenchida com um gás comprimido (pressão
de 5 atm). A diferença de altura entre a interface gás-água e a saída
do reservatório é de 3 m.
Considerando g = 10 m/s2 e sabendo que 1 atm ≈ 0,1 MPa, a pressão da água na saída do reservatório (fechada) vale
Considerando g = 10 m/s2 e sabendo que 1 atm ≈ 0,1 MPa, a pressão da água na saída do reservatório (fechada) vale
Provas
Questão presente nas seguintes provas
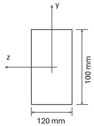
Uma viga com seção transversal retangular tem eixos de referência
conforme mostrado na figura (eixo z aponta para a esquerda, eixo
y aponta para cima e eixo x aponta para fora do papel).
A seção transversal tem base de 120 mm e altura de 100 mm. Nesta seção, a viga está submetida a um esforço de compressão de 12 kN e a um momento fletor Mz = 10 kN.m (positivo).
Dessa forma, a maior tensão atuante nessa seção da viga vale, em módulo,
A seção transversal tem base de 120 mm e altura de 100 mm. Nesta seção, a viga está submetida a um esforço de compressão de 12 kN e a um momento fletor Mz = 10 kN.m (positivo).
Dessa forma, a maior tensão atuante nessa seção da viga vale, em módulo,
Provas
Questão presente nas seguintes provas
A figura abaixo mostra um mecanismo formado por duas guias
perpendiculares nas quais dois blocos se deslocam. Os blocos são
ligados por uma barra rígida com 500 mm de comprimento.
O bloco “A”, que se desloca na guia vertical, apresenta uma
velocidade de 2 m/s para baixo.
Considerando que o bloco “B” se desloca na guia horizontal, e que, no instante mostrado, o ângulo θ vale 51,34° (tan(θ) = 1,25), a velocidade do bloco “B” é de
Considerando que o bloco “B” se desloca na guia horizontal, e que, no instante mostrado, o ângulo θ vale 51,34° (tan(θ) = 1,25), a velocidade do bloco “B” é de
Provas
Questão presente nas seguintes provas
Cadernos
Caderno Container