Magna Concursos

Foram encontradas 64 questões.

3761282 Ano: 2025
Disciplina: Física
Banca: DIRENS Aeronáutica
Orgão: AFA

Nas questões de Física, quando necessário, utilize:

  • Densidade da água = 1,0 kg/L
  • Velocidade da luz no vácuo: c = 3,0 ∙ 108 m/s
  • Índice de refração do ar: nar = 1,0
  • Índice de refração da glicerina: nglicerina = 1,4
  • π = 3,0
  • Calor específico molar a volume constante do gás ideal monoatômico: \(C_v = \dfrac{2}{3} R\)

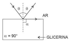
Um raio luminoso monocromático vermelho, que se propaga no ar em temperatura ambiente, incide sob um ângulo θ na superfície plana de separação com glicerina. Dentre as figuras abaixo, a que melhor representa uma possível descrição do comportamento desse raio de luz, após a incidência no dióptro plano, é

 

Provas

Questão presente nas seguintes provas
3761281 Ano: 2025
Disciplina: Física
Banca: DIRENS Aeronáutica
Orgão: AFA

Nas questões de Física, quando necessário, utilize:

  • Densidade da água = 1,0 kg/L
  • Velocidade da luz no vácuo: c = 3,0 ∙ 108 m/s
  • Índice de refração do ar: nar = 1,0
  • Índice de refração da glicerina: nglicerina = 1,4
  • π = 3,0
  • Calor específico molar a volume constante do gás ideal monoatômico: \(C_v = \dfrac{2}{3} R\)

Os dínamos são geradores de corrente elétrica utilizados em bicicletas para acender uma pequena lâmpada. Para isso é necessário que a parte móvel (rotor) esteja em contato com o pneu da bicicleta por meio de uma pequena polia, conforme ilustrado na figura 1.

Enunciado 4549326-1

O movimento do pneu é transmitido à pequena polia de contato convertendo energia mecânica em elétrica. A cada volta do rotor os polos norte e sul do imã passam em frente a cada uma das duas bobinas, alterando o fluxo de indução magnética através delas, conforme esquematizado na figura 2.

Enunciado 4549326-2

Para determinada velocidade da bicicleta tem-se que o comportamento do fluxo de indução magnética (\( \Phi \)), em função do tempo (t), pode ser descrito pelo gráfico seguinte.

Enunciado 4549326-3

A partir da análise das figuras 1 e 2 e do gráfico acima, examine as assertivas seguintes:

I - Considerando o raio da polia de contato igual a 2 cm e não havendo deslizamento da roda e nem da polia, pode-se afirmar que a velocidade da bicicleta é de 36 km/h.

II - A força eletromotriz máxima disponível nos terminais da lâmpada é 12 V.

III - O módulo da carga elétrica transportada pela corrente elétrica, em cada ciclo, é igual a 0,15 µC, considerando-se a resistência elétrica da lâmpada igual a 2,4 \( \Omega \).

São verdadeiras as assertivas

 

Provas

Questão presente nas seguintes provas
3761280 Ano: 2025
Disciplina: Física
Banca: DIRENS Aeronáutica
Orgão: AFA

Nas questões de Física, quando necessário, utilize:

  • Densidade da água = 1,0 kg/L
  • Velocidade da luz no vácuo: c = 3,0 ∙ 108 m/s
  • Índice de refração do ar: nar = 1,0
  • Índice de refração da glicerina: nglicerina = 1,4
  • π = 3,0
  • Calor específico molar a volume constante do gás ideal monoatômico: \(C_v = \dfrac{2}{3} R\)

Tem-se quatro cargas elétricas fixadas nos vértices de um quadrado de lado l. As cargas nos vértices A e B são positivas e de mesmo módulo Q. Já as cargas fixadas em C e D, q1 e q2, respectivamente, são de mesma natureza e não se tem conhecimento de seus módulos. A partir dessa configuração, uma carga q, de módulo e natureza desconhecidos, é abandonada no centro geométrico desse quadrado e verifica-se a ação de uma força resultante \(\vec{F}\), conforme a figura.

Enunciado 4549325-1

Com base no exposto acima assinale a alternativa INCORRETA:

 

Provas

Questão presente nas seguintes provas
3761279 Ano: 2025
Disciplina: Física
Banca: DIRENS Aeronáutica
Orgão: AFA

Nas questões de Física, quando necessário, utilize:

  • Densidade da água = 1,0 kg/L
  • Velocidade da luz no vácuo: c = 3,0 ∙ 108 m/s
  • Índice de refração do ar: nar = 1,0
  • Índice de refração da glicerina: nglicerina = 1,4
  • π = 3,0
  • Calor específico molar a volume constante do gás ideal monoatômico: \(C_v = \dfrac{2}{3} R\)

A figura a seguir representa duas partículas A e B, ambas com massas iguais a 40 g, sob a ação exclusiva de um campo elétrico uniforme Enunciado 4549324-1de intensidade 2,0∙103 V∙m-1.

A partícula A está descarregada eletricamente e a B possui uma carga elétrica negativa de módulo igual a 8 µC. No instante t0 = 0, elas estão 2000 m uma da outra e suas respectivas velocidades são Enunciado 4549324-2 e Enunciado 4549324-3, cujo módulo vale 32 m/s.

Enunciado 4549324-4

Sabe-se que não há interação entre elas e, durante o movimento, ocorrem duas ultrapassagens, quando ambas se movem no mesmo sentido.

Nessas condições, o intervalo dos possíveis valores de |Enunciado 4549324-5|, em m/s, está corretamente representado na alternativa

 

Provas

Questão presente nas seguintes provas
3761278 Ano: 2025
Disciplina: Física
Banca: DIRENS Aeronáutica
Orgão: AFA

Nas questões de Física, quando necessário, utilize:

  • Densidade da água = 1,0 kg/L
  • Velocidade da luz no vácuo: c = 3,0 ∙ 108 m/s
  • Índice de refração do ar: nar = 1,0
  • Índice de refração da glicerina: nglicerina = 1,4
  • π = 3,0
  • Calor específico molar a volume constante do gás ideal monoatômico: \(C_v = \dfrac{2}{3} R\)

Considere duas fontes coerentes, F1 e F2, que emitem ondas de frequência f na superfície de um líquido em que a velocidade de propagação das perturbações é constante e igual a v.

Essas ondas criam uma malha de interferência bidimensional representada, através de linhas ventrais, na figura seguinte.

Enunciado 4549323-1

Considere os pontos P e Q pertencentes a duas linhas ventrais distintas e não simétricas, cujas distâncias às fontes 1 e 2 sejam, respectivamente, p1 e p2 e q1 e q2 , como mostra a figura acima.

Nessas condições, a razão entre as diferenças de caminhos, \( \dfrac{\Delta p}{\Delta q} \) , onde \( {\Delta p} \) = \( |p_1 - p_2| \text{ e } \Delta q = |q_1 - q_2| \), que separam esses pontos das fontes coerentes é dada por

 

Provas

Questão presente nas seguintes provas
3761277 Ano: 2025
Disciplina: Física
Banca: DIRENS Aeronáutica
Orgão: AFA

Nas questões de Física, quando necessário, utilize:

  • Densidade da água = 1,0 kg/L
  • Velocidade da luz no vácuo: c = 3,0 ∙ 108 m/s
  • Índice de refração do ar: nar = 1,0
  • Índice de refração da glicerina: nglicerina = 1,4
  • π = 3,0
  • Calor específico molar a volume constante do gás ideal monoatômico: \(C_v = \dfrac{2}{3} R\)

Um bloco A está apoiado sobre uma balança B fixada em uma plataforma P, plana e horizontal, que oscila na vertical, em movimento harmônico simples (MHS), com uma amplitude igual a 20 cm, conforme ilustrado na figura 1.

Enunciado 4549322-1

A cada instante, um sensor envia para um computador a leitura da balança em função da posição x da plataforma, obtendo-se o gráfico ilustrado na figura 2.

Enunciado 4549322-2

Nessas condições, o período de oscilação da plataforma é, em segundo(s), igual a

 

Provas

Questão presente nas seguintes provas
3761276 Ano: 2025
Disciplina: Física
Banca: DIRENS Aeronáutica
Orgão: AFA

Nas questões de Física, quando necessário, utilize:

  • Densidade da água = 1,0 kg/L
  • Velocidade da luz no vácuo: c = 3,0 ∙ 108 m/s
  • Índice de refração do ar: nar = 1,0
  • Índice de refração da glicerina: nglicerina = 1,4
  • π = 3,0
  • Calor específico molar a volume constante do gás ideal monoatômico: \(C_v = \dfrac{2}{3} R\)

Uma lente cilíndrica pode ser obtida enchendo-se uma taça de vidro com água pura e límpida. O seu comportamento óptico no ar pode ser caracterizado observando-se a palavra FAB, impressa em uma folha, através da lente, por um observador O, como mostrado nas figuras 1, 2 e 3 a seguir.

Enunciado 4549321-1

Pode-se realizar um outro experimento óptico com essa lente, utilizando-se a palavra impressa ACADEMIA, como objeto, para ser visualizado pelo observador O, como mostra a figura 4, na mesma configuração utilizada na figura 2.

Enunciado 4549321-2

Considere que a água permaneça em repouso em relação à taça durante as observações, que as distorções ópticas nas imagens devido à curvatura da superfície da lente sejam desconsideradas e que as palavras sejam observadas com as folhas, nas quais estão impressas, sempre paralelas ao eixo de simetria do cilindro que compõe a taça. Nessas condições, são feitas as seguintes afirmativas.

I - A lente se comporta opticamente como uma lente côncavo-convexa.

II - A lente se comporta opticamente como uma lente plano-convexa.

III - A imagem observada da palavra ACADEMIA é, como um todo, enantiomorfa.

IV - As imagens observadas das letras C, D e E, na palavra ACADEMIA, são não enantiomorfas.

V - As imagens observadas das letras A, M e I, na palavra ACADEMIA, são todas enantiomorfas.

São corretas apenas as afirmativas

 

Provas

Questão presente nas seguintes provas
3761275 Ano: 2025
Disciplina: Física
Banca: DIRENS Aeronáutica
Orgão: AFA

Nas questões de Física, quando necessário, utilize:

  • Densidade da água = 1,0 kg/L
  • Velocidade da luz no vácuo: c = 3,0 ∙ 108 m/s
  • Índice de refração do ar: nar = 1,0
  • Índice de refração da glicerina: nglicerina = 1,4
  • π = 3,0
  • Calor específico molar a volume constante do gás ideal monoatômico: \(C_v = \dfrac{2}{3} R\)

Um dispositivo composto de dois sistemas massa-mola idênticos, 1 e 2, apresentados na figura a seguir, executam movimentos harmônicos simples dados pelas equações

x1(t) = A cos[\( \omega \)t]

e

x2(t) = A cos[\( \omega \)t + \( \pi \) ]

em que A é a amplitude de oscilação e \( \omega \) a pulsação dos sistemas.

Enunciado 4549320-1

Iluminando-se o dispositivo com uma luz estroboscópica de frequência f, observa-se no ponto A apenas uma massa estacionária no tempo.

Considere que os pontos O e O’ sejam os pontos de equilíbrio dos sistemas 1 e 2, respectivamente.

Nessas condições, o valor máximo da frequência estroboscópica f é dado por

 

Provas

Questão presente nas seguintes provas
3761274 Ano: 2025
Disciplina: Física
Banca: DIRENS Aeronáutica
Orgão: AFA

Nas questões de Física, quando necessário, utilize:

  • Densidade da água = 1,0 kg/L
  • Velocidade da luz no vácuo: c = 3,0 ∙ 108 m/s
  • Índice de refração do ar: nar = 1,0
  • Índice de refração da glicerina: nglicerina = 1,4
  • π = 3,0
  • Calor específico molar a volume constante do gás ideal monoatômico: \(C_v = \dfrac{2}{3} R\)

Considere o bloco A de massa igual a 4 kg, inicialmente em repouso, apoiado sobre uma superfície horizontal x, perfeitamente lisa, e preso a uma mola ideal de constante elástica 150 N/m, conforme a figura a seguir.

Enunciado 4549319-1

Esse bloco A é então afastado 0,50 m de sua posição inicial (x = 0) e abandonado, em t = 0, passando a oscilar em movimento harmônico simples (MHS) de período T.

No instante t = T um outro bloco B, colide inelasticamente com o bloco A. Forma-se assim um sistema AB, de dois corpos, que passa a oscilar em MHS com período T’ = 2T. Considere que, na colisão, os blocos A e B se comportem como um sistema isolado de forças externas e que imediatamente antes da colisão, a velocidade de B era de 2 m/s.

Nessas condições, a amplitude de oscilação, em metro, do sistema AB será igual a

 

Provas

Questão presente nas seguintes provas
3761273 Ano: 2025
Disciplina: Física
Banca: DIRENS Aeronáutica
Orgão: AFA

Nas questões de Física, quando necessário, utilize:

  • Densidade da água = 1,0 kg/L
  • Velocidade da luz no vácuo: c = 3,0 ∙ 108 m/s
  • Índice de refração do ar: nar = 1,0
  • Índice de refração da glicerina: nglicerina = 1,4
  • π = 3,0
  • Calor específico molar a volume constante do gás ideal monoatômico: \(C_v = \dfrac{2}{3} R\)

As usinas nucleares se utilizam da fissão do isótopo de urânio-235 (U-235) para a produção de energia elétrica.

O processo de fissão nuclear começa no reator e a energia liberada é utilizada para aquecer a água, cujo vapor é então conduzido à turbina do gerador.

Considere uma determinada usina nuclear que, a partir da fissão do U-235, gera 1600 MW de energia elétrica, com rendimento de 32 %.

Considerando que no processo de conversão de energia nuclear em energia térmica tem-se uma taxa de aproveitamento do U-235 igual a 0,08%, pode-se concluir que, em um dia de funcionamento, a quantidade de urânio, em kg, que sofre fissão é igual a

 

Provas

Questão presente nas seguintes provas