Foram encontradas 1.455 questões.

Considere que o amplificador a transistor bipolar ilustrado anteriormente esteja polarizado na região ativa. Com relação a esse circuito, julgue o item a seguir.
Caso ocorra um aumento de 5% no valor de RC, sem que haja grande mudança na polarização do circuito ou no parâmetro h¬fe, ocorrerá, em consequência, uma diminuição no ganho de tensão do amplificar.
Provas
Questão presente nas seguintes provas

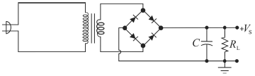
Considere que, no circuito precedente, que representa uma fonte de alimentação não regulada, os componentes sejam componentes típicos para esse tipo de fonte. Considere também que o valor do capacitor seja de 2.000 microfarads, que RL=100 ohms e que a tensão RMS no secundário seja de 12 volts RMS.
Com relação a esse circuito, julgue o item a seguir.
A tensão média sobre o resistor de carga RL é menor do que 12 volts.
Provas
Questão presente nas seguintes provas

Considere que, no circuito precedente, que representa uma fonte de alimentação não regulada, os componentes sejam componentes típicos para esse tipo de fonte. Considere também que o valor do capacitor seja de 2.000 microfarads, que RL=100 ohms e que a tensão RMS no secundário seja de 12 volts RMS.
Com relação a esse circuito, julgue o item a seguir.
Caso a resistência de carga seja reduzida de 100 ohms para 50 ohms, a tensão de ondulação na tensão de saída irá se reduzir à metade.
Provas
Questão presente nas seguintes provas
No que se refere à teoria dos materiais semicondutores e aos componentes fabricados com o uso desses materiais, julgue o item subsequente.
Um dos processos para se produzir um semicondutor de silício do tipo N consiste em dopar um material semicondutor intrínseco de silício com impurezas, de forma que determinada quantidade de átomos de silício na estrutura cristalina sejam substituídos por átomos de elementos químicos adequados para o processo, com cinco elétrons na banda de valência. Esse processo de modificação do semicondutor intrínseco permite gerar um material em que os portadores majoritários são os elétrons.
Provas
Questão presente nas seguintes provas
No que se refere à teoria dos materiais semicondutores e aos componentes fabricados com o uso desses materiais, julgue o item subsequente.
Para que o diodo semicondutor retificador contendo uma junção PN esteja em polarização reversa, é necessário que o potencial elétrico no catodo seja maior que o do anodo.
Provas
Questão presente nas seguintes provas
No que se refere à teoria dos materiais semicondutores e aos componentes fabricados com o uso desses materiais, julgue o item subsequente.
No transistor de efeito de campo NMOS do tipo depleção, o substrato usado para a fabricação é um semicondutor do tipo N, e as regiões da fonte e do dreno são implementados como semicondutores do tipo P.
Provas
Questão presente nas seguintes provas
No que se refere à teoria dos materiais semicondutores e aos componentes fabricados com o uso desses materiais, julgue o item subsequente.
Nos transistores do tipo PNP, os portadores majoritários no emissor e no coletor são as lacunas e, na base, são os elétrons.
Provas
Questão presente nas seguintes provas
No que se refere à teoria dos materiais semicondutores e aos componentes fabricados com o uso desses materiais, julgue o item subsequente.
Nos transistores de uso geral do tipo NPN, a base, que deve ser fabricada com a maior largura possível, apresenta um grau de dopagem bem mais alto do que o coletor, característica essa importante por favorecer a minimização da recombinação dos portadores majoritários e minoritários na base.
Provas
Questão presente nas seguintes provas
No que se refere à teoria dos materiais semicondutores e aos componentes fabricados com o uso desses materiais, julgue o item subsequente.
Para que transistores bipolares do tipo NPN operem na região ativa, é necessário que a junção entre o coletor e a base seja submetida à polarização reversa, e a junção entre base e emissor seja polarizada diretamente.
Provas
Questão presente nas seguintes provas
Com relação ao comportamento de campos elétricos e magnéticos na matéria e às propriedades térmicas da matéria, julgue o item que se segue.
Considerando-se uma barra metálica de comprimento L, área A, resistividade ρ e resistência R, se tanto o comprimento L quanto a área A dessa barra aumentarem em 10%, sem que haja mudança na resistividade, a resistência R dessa barra aumentará em 21%.
Provas
Questão presente nas seguintes provas
Cadernos
Caderno Container