Foram encontradas 60 questões.
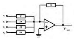
A imagem a seguir mostra um tipo de circuito.

Deseja-se transformar uma variação discreta em uma variação com mudança de valores de forma contínua (tensão e corrente). Para tal, é necessário a utilização desse circuito, que é denominado:
Provas
A figura abaixo apresenta um diagrama de bloco que demonstra como se obter a resposta ao impulso de um sistema conhecido.

O modelo matemático obtido através desse diagrama é denominado:
Provas
O relé térmico é o responsável, tecnicamente, pela proteção contra a anomalia denominada:
Provas
Comparando-se a velocidade síncrona com a velocidade nominal do rotor, de um motor síncrono trifásico (MST), pode-se afirmar que a respectiva diferença entre essas velocidades !$ (\omega_{sincrona} - \omega_{rotor}) !$ é:
Provas
O valor da velocidade do campo eletromagnético girante, nos motores de indução trifásicos, em rotações por minuto, é determinado pela razão:
Provas
O sensor ativo que gera uma ddp, em mV, proporcional à pressão aplicada na sua superfície sensível é o:
Provas
O sensor cujo princípio de funcionamento é baseado na geração de um campo eletromagnético de alta frequência é o:
Provas
O dispositivo mecânico instantâneo e de segurança, que funciona automaticamente abrindo e fechando, para controlar o acúmulo excessivo de fluidos compressíveis é denominado válvula de:
Provas
É um transdutor de temperatura que converte a variação de valor ôhmico em um sinal proporcional de corrente contínua:
Provas
A figura abaixo representa o diagrama de contatos Ladder de uma linha de comando.

Esse diagrama permite que um motor tenha uma partida:
Provas
Caderno Container