Foram encontradas 3.470 questões.
O desenho técnico a seguir representa uma peça que
foi usinada com um furo a partir de um bloco fundido de
alumínio e um eixo usinado a partir de um tarugo de aço
inoxidável. O eixo deverá ser acoplado ao furo conforme
dimensões e tolerâncias indicadas nas cotas.
(Arquivo pessoal; imagem usada com autorização
Após montagem do eixo no furo, é correto afirmar que
(Arquivo pessoal; imagem usada com autorização
Após montagem do eixo no furo, é correto afirmar que
Provas
Questão presente nas seguintes provas
Circuitos hidráulicos são amplamente utilizados em sistemas que requerem movimentação de carga e apresentam boa precisão quando a velocidade de deslocamento
é uma variável que requer controle. Uma maca, utilizada
para posicionamento de pacientes em uma unidade de
tomografia, opera por meio de um circuito hidráulico para
se movimentar nas direções vertical (elevação) e horizontal e, para isso, utiliza-se de pistões que devem se mover
com uma velocidade constante de avanço de 20 mm/s.
Sabendo-se que o diâmetro interno dos cilindros hidráulicos é de 30 mm, qual será a vazão volumétrica necessária para mover o pistão?

Sabendo-se que o diâmetro interno dos cilindros hidráulicos é de 30 mm, qual será a vazão volumétrica necessária para mover o pistão?
Provas
Questão presente nas seguintes provas
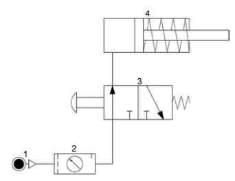
Analise o diagrama a seguir, e assinale a única alternativa que o descreve corretamente.

(Arquivo pessoal; imagem usada com autorização)
Provas
Questão presente nas seguintes provas
Em procedimentos de ajustagem mecânica é muito comum a utilização de ferramentas manuais como a lima,
por exemplo. Em relação ao espaçamento dos dentes de
uma lima e, consequentemente, ao acabamento oferecido, é correto concluir que
Provas
Questão presente nas seguintes provas
Em processos de usinagem, a interpretação de desenhos
técnicos é indispensável e, em muitas circunstâncias, há
a necessidade de identificar cotas que não estão representadas.
Considere o desenho técnico representado na figura a seguir, e assinale a alternativa que indica os valores corretos das cotas A e B (raio) em milímetros, respectivamente.
(Arquivo pessoal; imagem usada com autorização)
Considere o desenho técnico representado na figura a seguir, e assinale a alternativa que indica os valores corretos das cotas A e B (raio) em milímetros, respectivamente.
(Arquivo pessoal; imagem usada com autorização)Provas
Questão presente nas seguintes provas
Considere a perspectiva isométrica a seguir, e assinale a única alternativa que representa corretamente suas projeções ortogonais no 3º diedro.

Provas
Questão presente nas seguintes provas
Considere o enunciado e o trecho retirado de um fluxograma
de engenharia, a seguir, para responder à questão.
Fluxogramas de engenharia são muito importantes em
projetos de sistemas mecânicos, sendo utilizados para
representar, de forma esquemática, toda a instalação e
seu funcionamento, o que facilita a compreensão para
montagem e comissionamento uma vez que todas as interligações ficam facilmente visíveis.

Provas
Questão presente nas seguintes provas
Considere o enunciado e o trecho retirado de um fluxograma
de engenharia, a seguir, para responder à questão.
Fluxogramas de engenharia são muito importantes em
projetos de sistemas mecânicos, sendo utilizados para
representar, de forma esquemática, toda a instalação e
seu funcionamento, o que facilita a compreensão para
montagem e comissionamento uma vez que todas as interligações ficam facilmente visíveis.

Provas
Questão presente nas seguintes provas
O comissionamento é uma etapa importante que deve
ser realizada após o término da instalação de um sistema, por exemplo. A ABNT NBR 16315:2014 estabelece
requisitos para a realização de procedimentos de instalação e comissionamento de máquinas como testes funcionais.
Assinale a alternativa que considera apenas testes funcionais a serem realizados durante o comissionamento.
Assinale a alternativa que considera apenas testes funcionais a serem realizados durante o comissionamento.
Provas
Questão presente nas seguintes provas
O planejamento da manutenção é essencial para garantir
que sistemas mecânicos operem regularmente sem interrupções indesejadas e com menor impacto possível nos
custos de produção.
Durante a operação, o compressor principal, que alimenta uma rede de ar comprimido para um hospital, sofreu uma quebra inesperada enquanto o compressor reserva aguardava peças para substituição de rolamentos do motor elétrico devido ruído excessivo que foi identificado antes de sofrer avarias mais graves, o que provocou interrupção total do fornecimento de ar comprimido para todo o empreendimento.
Em relação aos tipos de manutenção, é possível concluir que
Durante a operação, o compressor principal, que alimenta uma rede de ar comprimido para um hospital, sofreu uma quebra inesperada enquanto o compressor reserva aguardava peças para substituição de rolamentos do motor elétrico devido ruído excessivo que foi identificado antes de sofrer avarias mais graves, o que provocou interrupção total do fornecimento de ar comprimido para todo o empreendimento.
Em relação aos tipos de manutenção, é possível concluir que
Provas
Questão presente nas seguintes provas
Cadernos
Caderno Container