Magna Concursos

Foram encontradas 3.470 questões.

3619487 Ano: 2025
Disciplina: Mecânica
Banca: Fênix
Orgão: Pref. União Oeste-SC
Provas:
Ao operar uma retroescavadeira para escavar um buraco, qual a posição ideal para estabilizar a máquina?
 

Provas

Questão presente nas seguintes provas
3608826 Ano: 2025
Disciplina: Mecânica
Banca: VUNESP
Orgão: Pref. Presidente Prudente-SP
Provas:

Observe a imagem.

Enunciado 4256913-1

(Arquivo pessoal; imagem usada com autorização)

Na manutenção preventiva de motoniveladora, deve-se inspecionar periodicamente a folga dos componentes indicados na imagem, para evitar riscos de acidentes provocados por

 

Provas

Questão presente nas seguintes provas
3608825 Ano: 2025
Disciplina: Mecânica
Banca: VUNESP
Orgão: Pref. Presidente Prudente-SP
Provas:

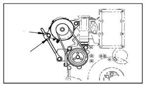
Observe a imagem.

Enunciado 4256912-1

(Arquivo pessoal; imagem usada com autorização)

Para garantir o bom funcionamento dos acessórios em máquinas pesadas, recomenda-se efetuar a manutenção preventiva atuando no componente representado na imagem, com o objetivo de

 

Provas

Questão presente nas seguintes provas
3606972 Ano: 2025
Disciplina: Mecânica
Banca: FUNDATEC
Orgão: Pref. Tangará Serra-MT
Provas:
Sobre normas técnicas, ambientais, de saúde e de segurança, assinale a alternativa INCORRETA.
 

Provas

Questão presente nas seguintes provas
3606971 Ano: 2025
Disciplina: Mecânica
Banca: FUNDATEC
Orgão: Pref. Tangará Serra-MT
Provas:
Segurança e prevenção de acidentes no trabalho são muito importantes para manter a saúde e proteção dos colaboradores. Sobre o tema, assinale a alternativa correta.
 

Provas

Questão presente nas seguintes provas
3606970 Ano: 2025
Disciplina: Mecânica
Banca: FUNDATEC
Orgão: Pref. Tangará Serra-MT
Provas:
Sobre as características dos lubrificantes utilizados em equipamentos, assinale a alternativa correta.
 

Provas

Questão presente nas seguintes provas
3606969 Ano: 2025
Disciplina: Mecânica
Banca: FUNDATEC
Orgão: Pref. Tangará Serra-MT
Provas:
Dentre as características e princípios básicos da lubrificação de equipamentos, assinale a alternativa correta.
 

Provas

Questão presente nas seguintes provas
3606968 Ano: 2025
Disciplina: Mecânica
Banca: FUNDATEC
Orgão: Pref. Tangará Serra-MT
Provas:
Em relação aos princípios básicos de funcionamento das lavadoras de pressão, assinale a alternativa correta.
 

Provas

Questão presente nas seguintes provas
3606914 Ano: 2025
Disciplina: Mecânica
Banca: FUNDATEC
Orgão: Pref. Tangará Serra-MT
Provas:
Sobre o sistema hidráulico de máquinas rodoviárias, assinale a alternativa INCORRETA.
 

Provas

Questão presente nas seguintes provas
3600731 Ano: 2025
Disciplina: Mecânica
Banca: EDUCA
Orgão: Pref. Pedras Fogo-PB
Provas:
É uma peça côncava, com bordas flexíveis, utilizada também para impedir vazamentos (em especial nas conexões e bocas de válvulas).

O texto acima faz referência vedação hidráulica e pneumática denominado de:
Assinale a alternativa CORRETA:
 

Provas

Questão presente nas seguintes provas