Foram encontradas 3.470 questões.
A figura abaixo representa um rolamento em meio-corte montado sobre um trecho de um eixo.

Trata-se de um rolamento de agulhas sem

Trata-se de um rolamento de agulhas sem
Provas
Questão presente nas seguintes provas
É correto afirmar:
Provas
Questão presente nas seguintes provas
Em relação ao tema “Resistência do Materiais” assinale a alternativa correta:
Provas
Questão presente nas seguintes provas
Atenção:nas questões a seguir, quando necessário, considera-se que a aceleração da gravidade seja de 10 m.s-2 .
No desenho técnico, o corte normalmente substitui uma das vistas e contribui para a perfeita interpretação da peça. Associe corretamente os diferentes cortes com as características da vista em corte da peça.
Cortes Características
1 - Corte total I - aplicado em peças que não devam ser cortadas
longitudinalmente e, geralmente, representado na
própria vista
2 - Corte em desvio II - deve ser usado apenas em peças simétricas
3 - Meia vista-meio corte III - secciona a peça em vários planos paralelos
4 - Corte Parcial IV - secciona completamente a peça sem sofrer desvio
5 - Corte com rebatimento V - deve ser usado apenas empeça que possuam
centro de rotação
As características I,II,III,IV e V referem-se respectivamente a
No desenho técnico, o corte normalmente substitui uma das vistas e contribui para a perfeita interpretação da peça. Associe corretamente os diferentes cortes com as características da vista em corte da peça.
Cortes Características
1 - Corte total I - aplicado em peças que não devam ser cortadas
longitudinalmente e, geralmente, representado na
própria vista
2 - Corte em desvio II - deve ser usado apenas em peças simétricas
3 - Meia vista-meio corte III - secciona a peça em vários planos paralelos
4 - Corte Parcial IV - secciona completamente a peça sem sofrer desvio
5 - Corte com rebatimento V - deve ser usado apenas empeça que possuam
centro de rotação
As características I,II,III,IV e V referem-se respectivamente a
Provas
Questão presente nas seguintes provas
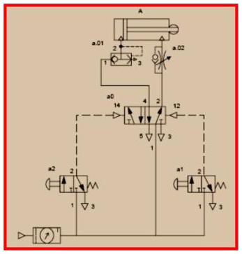
Observeodiagramaabaixo:

Trata-sedeumexemplodeaplicaçãodeválvulade:

Trata-sedeumexemplodeaplicaçãodeválvulade:
Provas
Questão presente nas seguintes provas
Atenção: nas questões a seguir, quando necessário, considera-se que a aceleração da gravidade seja de 10 m.s-2 .
A tolerância dimensional possui particularidades e está definitivamente ligada aos tipos de ajuste em processos de fabricação. Em relação à tolerância dimensional é correto afirmar que, EXCETO:
A tolerância dimensional possui particularidades e está definitivamente ligada aos tipos de ajuste em processos de fabricação. Em relação à tolerância dimensional é correto afirmar que, EXCETO:
Provas
Questão presente nas seguintes provas
Atenção: nas questões a seguir, quando necessário, considera-se que a aceleração da gravidade seja de 10 m.s-2 .
A respeito das propriedades mecânicas dos metais, analise as afirmativas a seguir:
I – Os ensaios de Charpy e Izod determinam basicamente a tenacidade do material.
II– A fadiga é um fenômeno que ocorre quando uma peça começa a falhar sob ação de uma tensão muito menor que a equivalente a sua resistência estática, se a tensão é de natureza cíclica ou alternada.
III–A fluência pode ser definida como a deformação decrescente do material com o tempo sob carga constante.
Assinale:
A respeito das propriedades mecânicas dos metais, analise as afirmativas a seguir:
I – Os ensaios de Charpy e Izod determinam basicamente a tenacidade do material.
II– A fadiga é um fenômeno que ocorre quando uma peça começa a falhar sob ação de uma tensão muito menor que a equivalente a sua resistência estática, se a tensão é de natureza cíclica ou alternada.
III–A fluência pode ser definida como a deformação decrescente do material com o tempo sob carga constante.
Assinale:
Provas
Questão presente nas seguintes provas
Atenção: nas questões a seguir, quando necessário, considera-se que a aceleração da gravidade seja de 10 m.s-2 .
Devido à crise energética, os pesquisadores adotaram medidas e desenvolveram métodos de conservar energia ou substituir fontes de energia tradicionais e também usar técnicas adequadas de tratamentos térmicos em materiais.As seguintes medidas ajudam a economizar energia, EXCETO:
Devido à crise energética, os pesquisadores adotaram medidas e desenvolveram métodos de conservar energia ou substituir fontes de energia tradicionais e também usar técnicas adequadas de tratamentos térmicos em materiais.As seguintes medidas ajudam a economizar energia, EXCETO:
Provas
Questão presente nas seguintes provas
Atenção: nas questões a seguir, quando necessário, considera-se que a aceleração da gravidade seja de 10 m.s-2 .
A respeito dos processos de conformação mecânica, analise as afirmativas a seguir:
I– A extrusão consiste em um bloco de metal que é forçado a passar através de um orifício de uma matriz sob alta pressão com redução de sua seção transversal.
II– A capacidade dos aços-carbono de serem submetidos à cunhagem cresce à medida que os teores de carbono aumentam.
III–O estiramento é aplicado em tubos circulares e produtos cuja seção transversal é vazada
Assinale:
A respeito dos processos de conformação mecânica, analise as afirmativas a seguir:
I– A extrusão consiste em um bloco de metal que é forçado a passar através de um orifício de uma matriz sob alta pressão com redução de sua seção transversal.
II– A capacidade dos aços-carbono de serem submetidos à cunhagem cresce à medida que os teores de carbono aumentam.
III–O estiramento é aplicado em tubos circulares e produtos cuja seção transversal é vazada
Assinale:
Provas
Questão presente nas seguintes provas
Atenção: nas questões a seguir, quando necessário, considera-se que a aceleração da gravidade seja de 10 m.s-2 .
A respeito da soldagem em materiais, analise as afirmativas a seguir:
I– A soldagem autógena caracteriza-se pelo fato de o material-base participar da fusão na constituição da solda e a fonte de calor ser um arco elétrico.
II– A soldagem a gás é utilizada em serviço de reparo, é de baixo custo e versátil.
III–A brasagem consiste na soldagem de metais com a fusão dos metais-base, em que o ponto de fusão do metal de enchimento é inferior aos dos metais a serem juntados.
Assinale:
A respeito da soldagem em materiais, analise as afirmativas a seguir:
I– A soldagem autógena caracteriza-se pelo fato de o material-base participar da fusão na constituição da solda e a fonte de calor ser um arco elétrico.
II– A soldagem a gás é utilizada em serviço de reparo, é de baixo custo e versátil.
III–A brasagem consiste na soldagem de metais com a fusão dos metais-base, em que o ponto de fusão do metal de enchimento é inferior aos dos metais a serem juntados.
Assinale:
Provas
Questão presente nas seguintes provas
Cadernos
Caderno Container