Magna Concursos

Foram encontradas 3.470 questões.

655407 Ano: 2017
Disciplina: Mecânica
Banca: CESGRANRIO
Orgão: Petrobrás

Observando as Figuras abaixo, analise a veracidade das afirmações a seguir.

enunciado 655407-1

I - Segundo a Norma ISA - S5.1, a Figura 1 é a representação de uma válvula com atuador pneumático de diafragma.

II - Segundo a Norma ISA - S5.1, a Figura 2 é um medidor de vazão por turbina.

III - Segundo a Norma ISA - S5.1, a Figura 3 é uma válvula solenoide.

Está correto APENAS o que se afirma em:

 

Provas

Questão presente nas seguintes provas
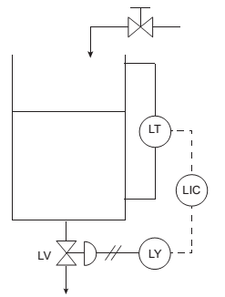
655406 Ano: 2017
Disciplina: Mecânica
Banca: CESGRANRIO
Orgão: Petrobrás

Observe a Figura abaixo.

enunciado 655406-1

O processo ilustrado na Figura representa que tipo de sistema?

 

Provas

Questão presente nas seguintes provas
655405 Ano: 2017
Disciplina: Mecânica
Banca: CESGRANRIO
Orgão: Petrobrás

A ilustração abaixo consta na Norma Técnica ANSI/ ISA S5.1.

enunciado 655405-1

Essa ilustração representa que instrumento?

 

Provas

Questão presente nas seguintes provas
655404 Ano: 2017
Disciplina: Mecânica
Banca: CESGRANRIO
Orgão: Petrobrás

enunciado 655404-1

Qual modelo de válvula é ilustrado na Figura acima?

 

Provas

Questão presente nas seguintes provas
655403 Ano: 2017
Disciplina: Mecânica
Banca: CESGRANRIO
Orgão: Petrobrás
Que tipo de ensaio não destrutivo é muito usado em materiais magnéticos e não magnéticos, sendo também aplicado em cerâmica vitrificada, vidro e plásticos?
 

Provas

Questão presente nas seguintes provas
655402 Ano: 2017
Disciplina: Mecânica
Banca: CESGRANRIO
Orgão: Petrobrás
Um eixo escalonado (3 diâmetros distintos) está sujeito a um torque T aplicado em suas extremidades, conforme mostrado na Figura abaixo. Diâmetros: DAB > DBC e DBC < DCD enunciado 655402-1 A maior tensão cisalhante atuante no eixo proveniente da aplicação desse torque T ocorre no(s) trecho(s)
 

Provas

Questão presente nas seguintes provas
655401 Ano: 2017
Disciplina: Mecânica
Banca: CESGRANRIO
Orgão: Petrobrás

Um padrão é definido como uma medida materializada, com um valor determinado e uma incerteza de medição associada, utilizada como referência. Como exemplo, pode-se considerar uma massa padrão de 1 kg, usada para comparação de outras massas.

A classe de um dito padrão definido como aquele “estabelecido para a calibração de outros padrões de grandezas da mesma natureza numa dada organização ou num dado local” é conhecida como Padrão de Medição

 

Provas

Questão presente nas seguintes provas
655400 Ano: 2017
Disciplina: Mecânica
Banca: CESGRANRIO
Orgão: Petrobrás
Que tipo de material pode ser soldado com eletrodo revestido, independente da espessura do metal de base?
 

Provas

Questão presente nas seguintes provas
655399 Ano: 2017
Disciplina: Mecânica
Banca: CESGRANRIO
Orgão: Petrobrás
Qual a fonte de calor utilizada em um processo de soldagem TIG?
 

Provas

Questão presente nas seguintes provas
655398 Ano: 2017
Disciplina: Mecânica
Banca: CESGRANRIO
Orgão: Petrobrás

Segundo a norma ASME — Seção IX —, existem variáveis para a qualificação do procedimento de soldagem TIG, sendo que algumas são essenciais.

A única variável essencial do processo está apresentada em:

 

Provas

Questão presente nas seguintes provas