Foram encontradas 4.782 questões.
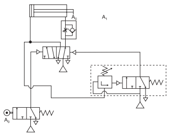
Observe o circuito pneumático na figura abaixo e responda às questões 37 e 38.

O elemento que processa o sinal de fim de curso no avanço do atuador A é o(a):
Provas
Observe o circuito pneumático na figura abaixo e responda às questões 37 e 38.

O comportamento do atuador A é:
Provas
Os materiais das molas devem ser selecionados em função do tipo de serviço, sendo considerados serviços pesados aqueles com incidência da carga máxima, em número de ciclos, acima de:
Provas
Os dispositivos de lubrificação que trabalham em conjunto com um carter são:
Provas
O módulo de elasticidade dos materiais cristalinos varia em função de:
Provas
Em um processo de fresamento, com uma bailarina ajustada em 40 mm de diâmetro, que tenha uma velocidade de corte de 27m/min, tem-se uma velocidade de rotação da árvore, em RPM, igual a:
Provas
O processo de soldagem que utiliza eletrodo de cobre refrigerado à água é:
Provas
Assinale a opção que apresenta a característica que alguns materiais de mesma composição têm ao assumir diferentes formas em sua estrutura cristalina.
Provas
A microestrutura de forma lamelar, resultado da transformação eutetóide da austenita, é a:
Provas
O tratamento térmico de esferoidização tem o objetivo de:
Provas
Caderno Container