Foram encontradas 658 questões.

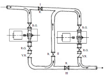
Em inúmeras aplicações industriais, a faixa necessária de variação de descargas e de altura manométrica pode ser excessivamente grande para ser obtida com apenas uma única bomba capaz de operar com variações de velocidades. Nesse caso, recorre-se então a associações de duas ou mais bombas em série ou em paralelo, ou, ainda, a associações série-paralelo. A figura acima ilustra uma instalação de bombeamento com duas bombas centrífugas iguais. A manipulação das válvulas I, II e III permite uma grande flexibilidade operacional dessas bombas. Considere que as demais válvulas da instalação encontrem-se permanentemente abertas. A partir dessas informações e desconsiderando as perdas de carga do sistema, julgue os itens a seguir, relativos à instalação ilustrada.
Para se dobrar a altura manométrica de bombeamento da instalação, deve-se realizar a ligação das duas bombas em paralelo, o que consiste em fechar a válvula I, abrir a válvula II e fechar a válvula III.
Provas

Com relação à barra ilustrada acima, que é submetida a um carregamento combinado de flexão e torção, julgue os itens seguintes.

Provas

Com relação à barra ilustrada acima, que é submetida a um carregamento combinado de flexão e torção, julgue os itens seguintes.
No ponto B, as tensões principais formam um ângulo de 45º com o eixo x da barra.
Provas

Considerando a viga esquematizada na figura acima, julgue os itens a seguir.
O esforço cortante no trecho BC é igual, em módulo, ao esforço cortante do trecho CD.
Provas

Considerando a viga esquematizada na figura acima, julgue os itens a seguir.
O momento fletor na seção C é igual a 300 N × m.
Provas
A eficiência máxima de um ciclo termodinâmico reversível de potência é limitada diretamente pela quantidade de calor que nele pode ser adicionado. Esse resultado não pode ser comprovado matematicamente.
Provas

O esquema acima representa um sistema em que o controle é aplicado a uma determinada planta submetida a um distúrbio D(s). A respeito desse sistema, julgue os itens subseqüentes, tendo por referência o esquema apresentado.

Provas

O esquema acima representa um sistema em que o controle é aplicado a uma determinada planta submetida a um distúrbio D(s). A respeito desse sistema, julgue os itens subseqüentes, tendo por referência o esquema apresentado.

Provas
Caderno Container