Magna Concursos

Foram encontradas 401 questões.

630518 Ano: 2019
Disciplina: Engenharia de Materiais
Banca: UFG
Orgão: UFG
Provas:

Os materiais sólidos são agrupados em três classificações básicas: metais, cerâmicos e poliméricos. Além das três classificações básicas, há três outros grupos de materiais importantes na engenharia – compósitos, semicondutores e biomateriais. São definidos como compósitos:

 

Provas

Questão presente nas seguintes provas
630517 Ano: 2019
Disciplina: Engenharia de Materiais
Banca: UFG
Orgão: UFG
Provas:

Em indústrias de processamento, as tubulações podem representar 70% do custo dos equipamentos ou 25% do valor total da instalação. Visando diminuir esse custo, é importante saber que

 

Provas

Questão presente nas seguintes provas
630516 Ano: 2019
Disciplina: Engenharia de Materiais
Banca: UFG
Orgão: UFG
Provas:

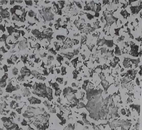
Observe a figura a seguir.

enunciado 630516-1

A imagem representa uma amostra de granalha de ferro utilizada para o processo de corte na indústria de granito. Esse material é, de modo geral, à base de uma liga ferrosa com alto teor de carbono. O material é resultado de um processo de fundição e de tratamento térmico. Nele é possível observar a formação de duas fases, sendo uma delas a martensita, que

 

Provas

Questão presente nas seguintes provas
630515 Ano: 2019
Disciplina: Engenharia de Materiais
Banca: UFG
Orgão: UFG
Provas:

A comparação da corrosão dos metais e dos materiais cerâmicos com a degradação dos polímeros evidencia

 

Provas

Questão presente nas seguintes provas
630514 Ano: 2019
Disciplina: Engenharia de Materiais
Banca: UFG
Orgão: UFG
Provas:

Nanopartículas de prata com dimensões de 5 a 10 nm têm sido incorporadas em filmes de polipropileno, visando construir embalagens plásticas mais resistentes e com propriedades antimicrobianas. Para a observação da morfologia e do tamanho das nanopartículas de prata antes da sua inserção no polímero, e para a observação da morfologia, da rugosidade e da porosidade dos polímeros modificados com as nanopartículas, as técnicas de microscopia mais indicadas são, respectivamente:

 

Provas

Questão presente nas seguintes provas
630513 Ano: 2019
Disciplina: Engenharia de Materiais
Banca: UFG
Orgão: UFG
Provas:

O processamento de polímeros termoplásticos por rotomoldagem consiste em introduzir uma quantidade conhecida de polímero, na forma de pó, ou de um líquido viscoso em um molde oco, que será aquecido, rotacionado e balanceado em dois eixos com uma velocidade baixa. O molde é aquecido e o polímero fundido ficará aderido às paredes do molde formando a peça desejada, para resfriar e, a seguir, ser desmoldado. O que indica uma desvantagem deste tipo de processamento?

 

Provas

Questão presente nas seguintes provas
630512 Ano: 2019
Disciplina: Engenharia de Materiais
Banca: UFG
Orgão: UFG
Provas:

Cerâmica avançada é um termo utilizado para diferenciar a nova geração de materiais cerâmicos das chamadas cerâmicas tradicionais porque

 

Provas

Questão presente nas seguintes provas
630511 Ano: 2019
Disciplina: Engenharia de Materiais
Banca: UFG
Orgão: UFG
Provas:

O que é extrusão?

 

Provas

Questão presente nas seguintes provas
630510 Ano: 2019
Disciplina: Engenharia de Materiais
Banca: UFG
Orgão: UFG
Provas:

De acordo com os princípios da mecânica da fratura, utilizada na análise de falhas de amostras ensaiadas de forma controlada, tenacidade à fratura é:

 

Provas

Questão presente nas seguintes provas
630509 Ano: 2019
Disciplina: Engenharia de Materiais
Banca: UFG
Orgão: UFG
Provas:

Considere a figura a seguir. Ela apresenta um diagrama de fase binário A-B com as reações trifásicas.

enunciado 630509-1

Com base nos dados da figura, cinco pontos invariantes são representados, respectivamente, por:

 

Provas

Questão presente nas seguintes provas