Magna Concursos

Foram encontradas 8.137 questões.

75726 Ano: 2006
Disciplina: Eletroeletrônica
Banca: CESPE / CEBRASPE
Orgão: CL-DF

Enunciado 3427724-1

Entre os defeitos mais comuns nos receptores de TV, o circuito de saída horizontal está, sem dúvida, entre os estágios que apresentam maior incidência de falhas. A constatação de um defeito na saída horizontal de qualquer equipamento merece cuidadosa atenção por parte do técnico de manutenção. A substituição de apenas um componente danificado nem sempre leva à solução definitiva do problema. A figura acima ilustra parte do diagrama esquemático de um televisor. Em cada item a seguir, é apresentada uma situação que tem por referência o diagrama mostrado. Julgue como certo o item que apresenta situação que pode levar o transistor de saída horizontal (Q401) a entrar em curto-circuito e como errado o item que não apresenta tal situação.

O sinal de excitação na base de Q401 é insuficiente.

 

Provas

Questão presente nas seguintes provas
62161 Ano: 2006
Disciplina: Eletroeletrônica
Banca: CESGRANRIO
Orgão: EPE

A Conta Consumo de Combustíveis (CCC) surgiu com o objetivo de subsidiar os custos com combustíveis fósseis para a geração termelétrica descentralizada nas regiões eletricamente isoladas. A Resolução 245 da ANEEL prevê a utilização desses recursos nos empreendimentos de geração elétrica que venham a substituir total ou parcialmente a geração termelétrica que utilize os derivados de petróleo. As Pequenas Centrais Hidrelétricas (PCH) podem utilizar os recursos dessa conta, desde que os aproveitamentos hidrelétricos tenham potência:

Superior
a

igual ou inferior a (mantendo-se
as características de PCH)

 

Provas

Questão presente nas seguintes provas
54826 Ano: 2006
Disciplina: Eletroeletrônica
Banca: FEPESE
Orgão: TCE-SC

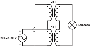
A vida, ou seja, a duração em horas de uma lâmpada incandescente de 25 volts é dada pela expressão

\( Vida=400{\begin{pmatrix}{V_{nominal}\over V_{aplicada}}\end{pmatrix}}^3\,\,\,\,\,\,\,\,\,\,\,\,\,\,[horas] \)

Assinale a alternativa que dá o valor da vida em horas da lâmpada de 25 volts que está instalada no circuito abaixo.

Enunciado 3836917-1

 

Provas

Questão presente nas seguintes provas
899209 Ano: 2005
Disciplina: Eletroeletrônica
Banca: CESPE / CEBRASPE
Orgão: TRE-GO
Sistemas de detecção e alarme de incêndio são utilizados para comandar alarmes de incêndio em prédios a partir de uma central de controle. Para essa finalidade, são instalados indicadores visuais e sonoros nos vários locais do edifício. Assinale a opção correta acerca dos detectores automáticos.
 

Provas

Questão presente nas seguintes provas
899208 Ano: 2005
Disciplina: Eletroeletrônica
Banca: CESPE / CEBRASPE
Orgão: TRE-GO
Os sistemas de energia elétrica estão sujeitos a desligamentos por meio de equipamentos de proteção apropriados, em razão de perturbações que podem ocorrer no sistema de geração, de transmissão ou de distribuição. Assinale a opção correta acerca de sistemas de energia elétrica.
 

Provas

Questão presente nas seguintes provas
899207 Ano: 2005
Disciplina: Eletroeletrônica
Banca: CESPE / CEBRASPE
Orgão: TRE-GO
Assinale a opção que apresenta somente dispositivos de comando de circuitos.
 

Provas

Questão presente nas seguintes provas
899205 Ano: 2005
Disciplina: Eletroeletrônica
Banca: CESPE / CEBRASPE
Orgão: TRE-GO
Considere a situação em que um wattímetro monofásico analógico deva ser conectado a um circuito elétrico monofásico para a medição da potência consumida pela carga desse circuito, que é resistiva. Nessa situação, para a correta conexão do wattímetro,
 

Provas

Questão presente nas seguintes provas
899204 Ano: 2005
Disciplina: Eletroeletrônica
Banca: CESPE / CEBRASPE
Orgão: TRE-GO
O método dos dois wattímetros pode ser utilizado para a medição da potência ativa suprida por uma fonte trifásica e consumida por uma carga trifásica. Esse método, porém, não pode ser empregado em situações em que
 

Provas

Questão presente nas seguintes provas
899203 Ano: 2005
Disciplina: Eletroeletrônica
Banca: CESPE / CEBRASPE
Orgão: TRE-GO
Sensores e transdutores são dispositivos que podem ser utilizados como parte de um sistema ou instrumentação específica de medida. Assinale a opção que contém uma associação incorreta entre uma grandeza física a ser medida e o dispositivo utilizado para isso.
 

Provas

Questão presente nas seguintes provas
899202 Ano: 2005
Disciplina: Eletroeletrônica
Banca: CESPE / CEBRASPE
Orgão: TRE-GO
Com relação a transformadores, assinale a opção incorreta.
 

Provas

Questão presente nas seguintes provas