Foram encontradas 8.143 questões.
A seguir, está representado um circuito de força de uma chave de partida de motores elétricos de indução.

Esta chave denomina-se
Provas
Em relação à partida estrela-triângulo de um motor de indução trifásico, é correto afirmar que
Provas
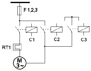
A figura abaixo representa um circuito de força de uma chave de partida de motores de indução trifásicos.

Essa chave denomina-se
Provas

A figura I apresentada acima mostra o diagrama de blocos simplificado de um receptor de rádio AM ou FM. Nesse tipo de receptor, a frequência intermediária (FI) padrão é de 455 kHz, em receptores AM, e de 10,7 MHz, em receptores FM. As figuras II e III apresentam, respectivamente, as curvas de resposta em frequência A1(f) e A2(f) de dois elementos ou estágios do receptor. A partir dessas informações, julgue os itens subsequentes, relativos a esse receptor.
Para o correto funcionamento do receptor, é correto que as curvas de resposta de frequência A1(f) e A2(f) sejam implementadas, respectivamente, pelo conjunto amplificador e filtro de FI e pelo conjunto amplificador e filtro de RF, sendo que, nessas curvas, f1 deve ser igual à frequência intermediária FI e f2, à frequência da emissora de que se deseja receber o sinal.
Provas

Na situação ilustrada na figura acima, que mostra a estrutura topológica de parte de uma rede telefônica, considere que o assinante A da cidade X esteja falando com o assinante B da cidade Y, ou seja, que tenha sido estabelecido um canal telefônico, ligando os aparelhos telefônicos dos assinantes A e B, que perdurará até a ligação ser interrompida. Julgue os itens a seguir, relativos a essa rede telefônica, ao canal telefônico e ao sistema telefônico fixo comutado, em geral.
O sistema de sinalização por canal comum número 7 (SS7) consiste em uma rede de comutação de pacotes que se sobrepõe à rede telefônica e por ele é feita a sinalização entre centrais telefônicas, ou seja, por ele trafegam os sinais para estabelecimento de conexão, os sinais de controle e gerência da rede telefônica e os dados de tarifação.
Provas

Provas
Disciplina: Eletroeletrônica
Banca: Consulplan
Orgão: Pref. Paulo Afonso-BA
Provas
I - Não podem ser utilizados para condução de água doce.
II - Têm melhor resistência à corrosão se comparados aos tubos de cobre.
III - Podem ser galvanizados (revestidos interna e externamente de zinco depositado a quente), porém fi cam menos resistentes à corrosão.
A seqüência correta é:
Provas
A respeito dos Equipamentos de Proteção Individual (EPI), assinale a opção INCORRETA.
Provas
Assinale a opção que NÃO apresenta um aparelho de comando dos circuitos elétricos.
Provas
Caderno Container