Foram encontradas 8.143 questões.
3891155
Ano: 2025
Disciplina: Eletroeletrônica
Banca: OBJETIVA
Orgão: Pref. Santana Manhuaçu-MG
Disciplina: Eletroeletrônica
Banca: OBJETIVA
Orgão: Pref. Santana Manhuaçu-MG
Provas:
Para que você consiga trabalhar em um veículo, além de
saber muito bem o que cada uma das grandezas elétricas
representa, você também precisa saber utilizar os
instrumentos de medição, principais ferramentas do
eletricista, que irão mostrar os valores das grandezas
existentes no circuito. Qual é o instrumento que mede a
intensidade de corrente elétrica que circula através de um
condutor ou componente em um circuito elétrico?
Provas
Questão presente nas seguintes provas
A Secretaria de Obras da Prefeitura de Aviador decidiu automatizar alguns de seus processos de trabalho mais recorrentes. Após a
capacitação da equipe de manutenção em conceitos de acionamentos de máquinas elétricas, para o trecho de um diagrama elétrico
multifilar, apresentado na Figura 5, foram formuladas as seguintes assertivas:

I- Trata-se do diagrama de comando de uma partida Y-Δ.
II- O diagrama corresponde a parte de potência do acionamento de um motor trifásico denominado partida direta.
III- Trata-se de uma partida direta, que é a forma mais adequada para a alimentação elétrica de um motor trifásico, visto que sua corrente nominal é rapidamente alcançada, de modo que não acarreta danos à máquina, garantindo uma maior vida útil para a instalação elétrica e consequentemente para o motor trifásico. IV- No diagrama apresentado pode-se evidenciar um conjunto de contatos Normalmente Abertos (NA) de um contator trifásico, denominado K1 e que têm por finalidade principal a proteção do motor.
É CORRETO o que se afirma apenas em:

I- Trata-se do diagrama de comando de uma partida Y-Δ.
II- O diagrama corresponde a parte de potência do acionamento de um motor trifásico denominado partida direta.
III- Trata-se de uma partida direta, que é a forma mais adequada para a alimentação elétrica de um motor trifásico, visto que sua corrente nominal é rapidamente alcançada, de modo que não acarreta danos à máquina, garantindo uma maior vida útil para a instalação elétrica e consequentemente para o motor trifásico. IV- No diagrama apresentado pode-se evidenciar um conjunto de contatos Normalmente Abertos (NA) de um contator trifásico, denominado K1 e que têm por finalidade principal a proteção do motor.
É CORRETO o que se afirma apenas em:
Provas
Questão presente nas seguintes provas
De acordo com a NBR 5410, dentre os princípios fundamentais e características gerais que orientam os objetivos e as prescrições desta
norma técnica, podemos relacionar a proteção contra choques elétricos e a circulação de correntes de falta.
Assinale a alternativa que apresenta, respectivamente, a definição CORRETA destes princípios.
Assinale a alternativa que apresenta, respectivamente, a definição CORRETA destes princípios.
Provas
Questão presente nas seguintes provas
Para o circuito elétrico em CC, apresentado na Figura 4, determinar o valor de R1 e de R2, respectivamente, sabendo que a queda de
tensão no resistor de 60Ωé de 50V e que a resistência equivalente do circuito é de 25Ω.


Provas
Questão presente nas seguintes provas
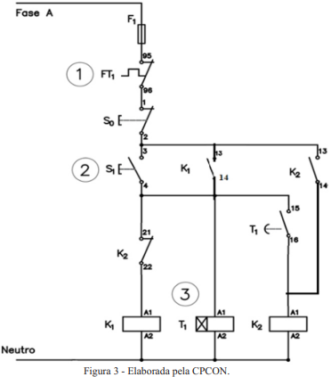
O diagrama apresentado na Figura 3 representa o circuito de comando para o acionamento elétrico de um motor trifásico de uma
máquina utilizada na irrigação do plantio de hortaliças de uma cooperativa rural.
Assinale a alternativa que indica CORRETAMENTE a análise do diagrama de comando, em conformidade com o seu adequado circuito de potência.

Assinale a alternativa que indica CORRETAMENTE a análise do diagrama de comando, em conformidade com o seu adequado circuito de potência.

Provas
Questão presente nas seguintes provas
Pedro, eletricista autônomo, ao analisar um projeto luminotécnico que foi desenvolvido visando à eficiência energética e o melhor
aproveitamento da iluminação natural em uma movelaria, se deparou com diversos instrumentos de medição. Assinale a alternativa
que apresenta CORRETAMENTE o equipamento adequado, constituído basicamente a partir de uma célula fotoelétrica, para a
medição da iluminância de cada ambiente da movelaria.
Provas
Questão presente nas seguintes provas
Para a segurança dos trabalhadores do setor elétrico, faz-se necessário conhecer as diretrizes da Norma Regulamentadora Nº 10 –
NR10, do Ministério do Trabalho e Emprego – MTE, aplicável em todo o território nacional. Quanto à sinalização de segurança nas
instalações e serviços em eletricidade, deve ser adotada de forma a atender, dentre outras situações:
Provas
Questão presente nas seguintes provas
Para a análise de circuitos elétricos, a compreensão de alguns conceitos básicos, como por exemplo, as Leis de Ohm e de Kirchhof, são
fundamentais. Após o estudo detalhado do tema, um estudante formulou as assertivas a seguir:
I- A1ª Lei de Ohm estabelece que a corrente elétrica (I), que atravessa um resistor ôhmico (R) é inversamente proporcional à tensão elétrica (V), aplicada a seus terminais. Pode ser matematicamente expressa por: V= R I. *
II- As Leis de Kirchhof podem ser entendidas a partir da conservação da energia elétrica em uma malha de circuito, 1ª Lei de Kirchhof, e da conservação da carga elétrica em um nó de circuito, 2ª Lei de Kirchhof.
III- A2ª Lei de Ohm estabelece que a resistência elétrica (R) de um condutor ôhmico é diretamente proporcional ao seu comprimento (L) e à sua área de secção transversal (A) e inversamente proporcional à sua resistividade (ρ). Pode ser matematicamente expressa por: R= (p L)/A. *
IV- Aresistência elétrica (R) de um dipolo ôhmico depende de seu material construtivo, por meio de sua resistividade (ρ) que é, por sua vez, uma característica intrínseca do material.
É CORRETO o que se afirma apenas em:
I- A1ª Lei de Ohm estabelece que a corrente elétrica (I), que atravessa um resistor ôhmico (R) é inversamente proporcional à tensão elétrica (V), aplicada a seus terminais. Pode ser matematicamente expressa por: V= R I. *
II- As Leis de Kirchhof podem ser entendidas a partir da conservação da energia elétrica em uma malha de circuito, 1ª Lei de Kirchhof, e da conservação da carga elétrica em um nó de circuito, 2ª Lei de Kirchhof.
III- A2ª Lei de Ohm estabelece que a resistência elétrica (R) de um condutor ôhmico é diretamente proporcional ao seu comprimento (L) e à sua área de secção transversal (A) e inversamente proporcional à sua resistividade (ρ). Pode ser matematicamente expressa por: R= (p L)/A. *
IV- Aresistência elétrica (R) de um dipolo ôhmico depende de seu material construtivo, por meio de sua resistividade (ρ) que é, por sua vez, uma característica intrínseca do material.
É CORRETO o que se afirma apenas em:
Provas
Questão presente nas seguintes provas
Para o circuito elétrico mostrado na Figura 2, desenvolvido para alimentar uma carga elétrica em corrente alternada, analise as
assertivas a seguir.
I- Trata-se de um circuito elétrico em corrente alternada, puramente resistivo, independente da natureza da carga.
II- Atensão elétrica na carga pode ser determinada ao conectar-se um multímetro, na escala de voltímetro em CA, em paralelo com o resistor R2;
III- Após a conexão da carga no circuito, conforme mostrado na Figura 2, a impedância equivalente do circuito será modificada e as quedas de tensão em R1 e R2 manter-se-ão inalteradas; IV- A corrente elétrica total do circuito pode ser determinada ao conectar-se um multímetro, na escala de amperímetro em CA, em série com a carga.
É CORRETO o que se afirma apenas em:
I- Trata-se de um circuito elétrico em corrente alternada, puramente resistivo, independente da natureza da carga.
II- Atensão elétrica na carga pode ser determinada ao conectar-se um multímetro, na escala de voltímetro em CA, em paralelo com o resistor R2;
III- Após a conexão da carga no circuito, conforme mostrado na Figura 2, a impedância equivalente do circuito será modificada e as quedas de tensão em R1 e R2 manter-se-ão inalteradas; IV- A corrente elétrica total do circuito pode ser determinada ao conectar-se um multímetro, na escala de amperímetro em CA, em série com a carga.
É CORRETO o que se afirma apenas em:
Provas
Questão presente nas seguintes provas
Em uma instalação elétrica monofásica, 127V/50Hz, foi realizado o levantamento da potência elétrica, em Watts (W), de alguns
eletrodomésticos dispostos no Quadro 1, que estão conectados em um mesmo circuito terminal. Sabe-se que a máxima corrente
nominal do circuito, em conformidade com as especificações dos dispositivos de proteção, é de 10A.
Com base nos dados fornecidos e considerando as cargas puramente resistivas, determine, aproximadamente, a potência máxima, em quilo-watts(kW), de uma torradeira elétrica para que esta seja inserida no mesmo circuito.

Com base nos dados fornecidos e considerando as cargas puramente resistivas, determine, aproximadamente, a potência máxima, em quilo-watts(kW), de uma torradeira elétrica para que esta seja inserida no mesmo circuito.

Provas
Questão presente nas seguintes provas
Cadernos
Caderno Container