Foram encontradas 8.145 questões.
- EletrotécnicaCircuitos Elétricos em Eletricidade
- EletrotécnicaCircuitos de Corrente Contínua e de Corrente Alternada

Considerando que a diferença de potencial nas extremidades de
saída de um equipamento de alta tensão cc de valor nominal igual
a 10 kV deva ser medida utilizando-se o esquema ilustrado acima,
porque se dispõe apenas de um voltímetro digital de escala máxima
igual a 1.000 V, julgue os itens que se seguem.
propicie uma medição precisa e segura utilizando-se o esquema acima ilustrado, é suficiente que o valor da resistência de
seja igual a nove vezes o valor da resistência de 
Provas
Questão presente nas seguintes provas
- EletrotécnicaCircuitos Elétricos em Eletricidade
- EletrotécnicaCircuitos de Corrente Contínua e de Corrente Alternada

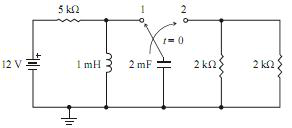
Considerando que, no circuito reativo ilustrado no diagrama acima,
a chave seja mantida na posição 1 por tempo suficiente para que o
regime permanente seja atingido e que, subitamente, no instante
t = 0, a chave seja comutada para a posição 2, julgue os itens a
seguir.
Provas
Questão presente nas seguintes provas
- EletrotécnicaCircuitos Elétricos em Eletricidade
- EletrotécnicaCircuitos de Corrente Contínua e de Corrente Alternada

Considerando que, no circuito reativo ilustrado no diagrama acima,
a chave seja mantida na posição 1 por tempo suficiente para que o
regime permanente seja atingido e que, subitamente, no instante
t = 0, a chave seja comutada para a posição 2, julgue os itens a
seguir.

Provas
Questão presente nas seguintes provas

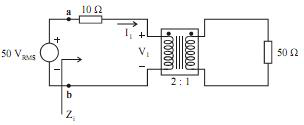
Considerando que, no circuito ilustrado no diagrama acima, o
gerador seja senoidal e a razão de espiras do primário para o
secundário do transformador seja de 2:1, e assumindo que o
transformador seja ideal, julgue os próximos itens.
vista à esquerda dos pontos a e b, possui magnitude de 
Provas
Questão presente nas seguintes provas

Considerando que, no circuito ilustrado no diagrama acima, o
gerador seja senoidal e a razão de espiras do primário para o
secundário do transformador seja de 2:1, e assumindo que o
transformador seja ideal, julgue os próximos itens.
é superior a 10 W.Provas
Questão presente nas seguintes provas

Com referência aos símbolos elétricos exibidos nas figuras de I a VI
acima, os quais constam na norma NBR 5444 (símbolos gráficos
para instalações elétricas prediais) da Associação Brasileira de
Normas Técnicas (ABNT), julgue os itens que se seguem.
Provas
Questão presente nas seguintes provas

Com referência aos símbolos elétricos exibidos nas figuras de I a VI
acima, os quais constam na norma NBR 5444 (símbolos gráficos
para instalações elétricas prediais) da Associação Brasileira de
Normas Técnicas (ABNT), julgue os itens que se seguem.
Provas
Questão presente nas seguintes provas

Com referência aos símbolos elétricos exibidos nas figuras de I a VI
acima, os quais constam na norma NBR 5444 (símbolos gráficos
para instalações elétricas prediais) da Associação Brasileira de
Normas Técnicas (ABNT), julgue os itens que se seguem.
Provas
Questão presente nas seguintes provas

Com referência aos símbolos elétricos exibidos nas figuras de I a VI
acima, os quais constam na norma NBR 5444 (símbolos gráficos
para instalações elétricas prediais) da Associação Brasileira de
Normas Técnicas (ABNT), julgue os itens que se seguem.
Provas
Questão presente nas seguintes provas
Com relação a grandezas elétricas e magnéticas, julgue os itens
seguintes.
Considere que um capacitor tenha sido projetado com duas placas metálicas paralelas, de mesmo formato e de 20 cm2 de área das superfícies, separadas por uma distância de 1 mm, que é integralmente preenchida com material dielétrico de permissividade elétrica seguintes.
Nesse caso, aplicando-se uma diferença de potencial de 3.000 V entre as placas, a carga elétrica total armazenada pelo capacitor será inferior a 0,5 nC.Provas
Questão presente nas seguintes provas
Cadernos
Caderno Container