Foram encontradas 8.146 questões.
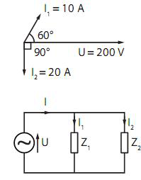
Duas impedâncias constituídas por dois elementos cada uma são ligadas em paralelo e o diagrama fasorial a seguir mostra as intensidades e as defasagens entre elas.

Determinar a impedância de cada ramo, indicando os elementos que constituem cada uma delas.
Provas
Questão presente nas seguintes provas
Analise as alternativas com relação aos tipos de estruturas utilizadas para construção de redes de distribuição.
1. Em estrutura utilizada para fm de rede de distribuição, os cabos são fxados com dispositivos de ancoragem.
2. Em redes de distribuição secundária, aéreas com cabos nus ou em redes multiplexadas são utilizadas estruturas de tangente, quando os cabos são fixados lateralmente nos postes em linha reta.
3. Em estrutura utilizada para fm de rede de distribuição primária, os cabos são fxados nos isoladores de pino colocados sobre a cruzeta do poste.
4. Em estruturas de redes de distribuição com cabos multiplexados só pode ser realizada a derivação quando houver caixa de derivação para o consumidor.
Assinale a alternativa que indica todas as afirmativas corretas.
1. Em estrutura utilizada para fm de rede de distribuição, os cabos são fxados com dispositivos de ancoragem.
2. Em redes de distribuição secundária, aéreas com cabos nus ou em redes multiplexadas são utilizadas estruturas de tangente, quando os cabos são fixados lateralmente nos postes em linha reta.
3. Em estrutura utilizada para fm de rede de distribuição primária, os cabos são fxados nos isoladores de pino colocados sobre a cruzeta do poste.
4. Em estruturas de redes de distribuição com cabos multiplexados só pode ser realizada a derivação quando houver caixa de derivação para o consumidor.
Assinale a alternativa que indica todas as afirmativas corretas.
Provas
Questão presente nas seguintes provas
Assinale a alternativa correta.
Provas
Questão presente nas seguintes provas
As fguras a seguir mostram transformadores monofásicos com as respectivas polaridades indicadas.

Faça a análise das polaridades conforme a NBR-5380 e indique quais os transformadores que possuem polaridade subtrativa e aditiva, respectivamente.
Provas
Questão presente nas seguintes provas
Uma rede trifásica 380 volts, sequência posi- tiva, alimenta uma carga desbalanceada ligada em estrela a quatro condutores (3F+N), com impedâncias Z1 = 10 ohm, Z2 = 5 ohm e Z3 = 20 ohm.
Assinale a alternativa que indica corretamente a potência total dissipada pela carga.
Assinale a alternativa que indica corretamente a potência total dissipada pela carga.
Provas
Questão presente nas seguintes provas
Relacione corretamente as colunas 1 e 2 abaixo: Coluna 1 Equipamento 1. Transformador de potencial (TP) 2. Isolador de ancoragem 3. Isolador tipo bucha 4. Separador Coluna 2 Descrição ( ) Equipamento utilizado para fxação dos con- dutores no fnal da rede de distribuição. ( ) Equipamento utilizado para possibilitar a medição de tensão de valores muito elevados ( ) Dispositivo que deve ser instalado para isolar a bobina energizada da carcaça do transformador. ( ) Dispositivo para sustentar e separar os cabos da rede de distribuição compacta. Assinale a alternativa que indica a sequência correta, de cima para baixo.
Provas
Questão presente nas seguintes provas
Em relação à modalidade tarifária convencional, avalie, de acordo com a Resolução 414, as seguintes afirmativas:
I - É aplicada com distinções horárias.
II - Para o grupo A, é feita na forma binômia e constituída por tarifa única para a demanda de potência (R$/kW) e tarifa única para o consumo de energia (R$/MWh).
II - Para o grupo B, é feita na forma monômia, com tarifa única aplicável ao consumo de energia (R$/MWh).
Está correto o que se afirma em:
I - É aplicada com distinções horárias.
II - Para o grupo A, é feita na forma binômia e constituída por tarifa única para a demanda de potência (R$/kW) e tarifa única para o consumo de energia (R$/MWh).
II - Para o grupo B, é feita na forma monômia, com tarifa única aplicável ao consumo de energia (R$/MWh).
Está correto o que se afirma em:
Provas
Questão presente nas seguintes provas
Analise as alternativas com relação aos equipamentos de proteção na distribuição de energia elétrica.
1. Chave seccionadora, disjuntores, religadores e seccionador automático são dispositivos de proteção do sistema de distribuição de energia elétrica.
2. Chave fusível, seccionador automático, relé disjuntor são dispositivos de proteção do sistema de distribuição de energia elétrica.
3. Chave seccionadora, aterramento, secciona- dor automático e relé diferencial são dispositivos de proteção do sistema de distribuição de energia elétrica.
4. Disjuntor termomagnético, disjuntor a gás, chave seccionadora são dispositivos de proteção do sistema elétrico de energia.
Assinale a alternativa que indica todas as afrmativas corretas.
1. Chave seccionadora, disjuntores, religadores e seccionador automático são dispositivos de proteção do sistema de distribuição de energia elétrica.
2. Chave fusível, seccionador automático, relé disjuntor são dispositivos de proteção do sistema de distribuição de energia elétrica.
3. Chave seccionadora, aterramento, secciona- dor automático e relé diferencial são dispositivos de proteção do sistema de distribuição de energia elétrica.
4. Disjuntor termomagnético, disjuntor a gás, chave seccionadora são dispositivos de proteção do sistema elétrico de energia.
Assinale a alternativa que indica todas as afrmativas corretas.
Provas
Questão presente nas seguintes provas
A figura abaixo representa diagramas de comando e força, que correspondem a um determinado método de partida de motores.

O método de partida correspondente aos diagramas acima é
Provas
Questão presente nas seguintes provas

Em relação ao diagrama apresentado acima, é correto afirmar que se trata de
Provas
Questão presente nas seguintes provas
Cadernos
Caderno Container